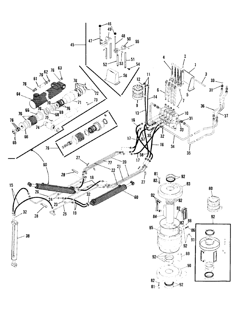
Запчасти Case D175 (08) - HYDRAULIC LINES, BOOM AND CROWD CYLINDER, ROTARY CYLINDER

Схема запчастей Case D175 - (08) - HYDRAULIC LINES, BOOM AND CROWD CYLINDER, ROTARY CYLINDER
FIT
1:1
100%

Артикул

Название

Примечание

Количество

1

8C8-220

LEVER MOUNTING BRACKET

1шт.

2

1501-620

PIN (3/16" x 1-1/4" spiral)

1шт.

3

8C8-4285

SHAFT, lever pivot

1шт.

4

8C8-4286

LEVER, valve control

4шт.

5

1065-21

GREASE FITTING

4шт.

6

8C8-222

LINK, valve lever

4шт.

7

8C8-4420

PIN, valve lever link

8шт.

9

8F9-1549W

ROTARY CYLINDER ASSEMBLY

1шт.

10

8F9-1550W

CONTROL VALVE ASSEMBLY

1шт.

11

8C8-7105

ADAPTER, 90 degree - swing cyl.

2шт.

12

1521-8

O RING

2шт.

13

8B6-3220

HOSE (3/8 x 23") valve to rotary cyl.

1шт.

14

8C6-3435

HOSE (3/8 x 21") valve to rotary cyl.

1шт.

15

8C8-3682

HOSE (1/2 x 37-1/2") tubes to bucket cyl.

2шт.

16

8F9-8307

HOSE (1/2 x 35)

3шт.

17

8F8-8290

HOSE (1/2 x 33)

2шт.

18

8F9-8028

HOSE (1/2 x 14) tubes to crowd cyl.

2шт.

19

8B6-3068

HOSE (1/2 x 20) tubes to boom cyl.

2шт.

20

8F9-1407W

TUBE, inside

2шт.

21

8F9-1409W

TUBE, center - left

1шт.

22

8F9-1408W

TUBE, outside

2шт.

23

8F9-1410W

TUBE - left, boom cyl.

1шт.

24

8F9-1411W

TUBE - right, boom cyl.

1шт.

25

8F9-1412W

TUBE - left, bucket cyl.

1шт.

26

8F9-1413W

TUBE - right, bucket cyl.

1шт.

27

8F9-8014

CLAMP, tube

8шт.

28

8F9-1544W

CLAMP, tube

2шт.

30

8B6-3206

FITTING, rotary cyl., Serial Range: hoses-valve

2шт.

31

8C8-4627

FITTING, pres. and return, Serial Range: tubes-valve

4шт.

32

1521-10

O RING

14шт.

33

1521-12

O RING

4шт.

34

8C8-146

TUBE - return, B.H. valve end

1шт.

35

8C8-148

TUBE - pressure, B.H. valve end

1шт.

36

8C8-1463W

TUBE - pressure, selector valve end

1шт.

37

8C8-1464W

TUBE - return selector valve end

1шт.

38

8C8-63

BUCKET CYLINDER ASSEMBLY

1шт.

45

8C8-A31

TWO LEVER VALVE CONTROL - optional (Order under whole goods)

1шт.

46

8C8-4471

KNOB, lever

2шт.

47

8C8-60R

LEVER ASSEMBLY - right

1шт.

48

8C8-60L

LEVER ASSEMBLY - left

1шт.

49

8C8-3672R

LEVER PIVOT - right

1шт.

50

8C8-3672L

LEVER PIVOT - left

1шт.

51

8C8-4510

LINK, long

2шт.

52

8C8-4292

LINK, short

2шт.

53

8C8-3669

PIN, pivot block

2шт.

54

8C8-4420

PIN (5/16" x 27/32)

6шт.

55

8C8-4509

PIN (5/16" x 19/32)

2шт.

56

8C8-221

LEVER MTG. BRKT.

1шт.

57

8F8-8291

HOSE (1/2" x 32")

1шт.

58

8F8-8289

HOSE (1/2 x 34")

1шт.

60

8F9-1547W

BOOM & CROWD CYLINDER ASSEMBLY

2шт.

61

8F9-8072

TUBE, cylinder

1шт.

62

8C8-5767

SPRING, tube retaining

1шт.

63

8C8-5766

PLUG, tube retaining

1шт.

64

8F9-8073

BARREL ASSEMBLY

1шт.

65

8C8-5792

LOCK NUT

1шт.

66

8C8-324

PISTON (Sold as assy. only)

1шт.

68

8F9-8074

WASHER

1шт.

69

8F9-8075

SPRING

1шт.

70

8C8-5776

RETAINER PACKING

1шт.

71

8C8-5774

BEARING

1шт.

72

1025-30

NUT, bearing

1шт.

73

8F9-8076

PISTON ROD

1шт.

74

8C8-6001

BUSHING

2шт.

75

1065-21

GREASE FITTING

2шт.

76

8C8-274

SEAL REPAIR KIT (Individual parts not sold separately)

1шт.

77

8F9-1654W

TUBE, center - right

1шт.

80

8F9-1549W

ROTARY CYLINDER ASSEMBLY

1шт.

81

8C8-7360

CAP SCREW (1/2" - 13 x 2-3/4")

24шт.

82

8C8-5970

WASHER

24шт.

83

8F9-8167

END PLATE - upper

1шт.

84

8F9-8168

SHAFT & VANE ASSEMBLY

1шт.

85

8F9-8165

BARREL & VANE ASSEMBLY (Includes barrel, vane and four item 86)

1шт.

86

BOLT (1/2"-13 x 2" skt. hd.)

6шт.

87

1078-714

DOWEL PIN (7/16 x 1-1/2")

4шт.

88

1630-0002

H.T. PLUG (1/4" skt. hd. pipe)

6шт.

89

8C8-7361

DOWEL PIN (1-1/4 x 3-1/4)

1шт.

90

8F9-8166

END PLATE - lower

1шт.

91

8C8-5765

PLUG

2шт.

92

8C8-7368

SEAL REPAIR KIT (INdividual parts not sold separately)

1шт.

Выбрано товаров: 80