Запчасти Case SD-70 (30) - SD-70 SWING HYDRAULIC LINES

Схема запчастей Case SD-70 - (30) - SD-70 SWING HYDRAULIC LINES
FIT
1:1
100%

Артикул

Название

Примечание

Количество

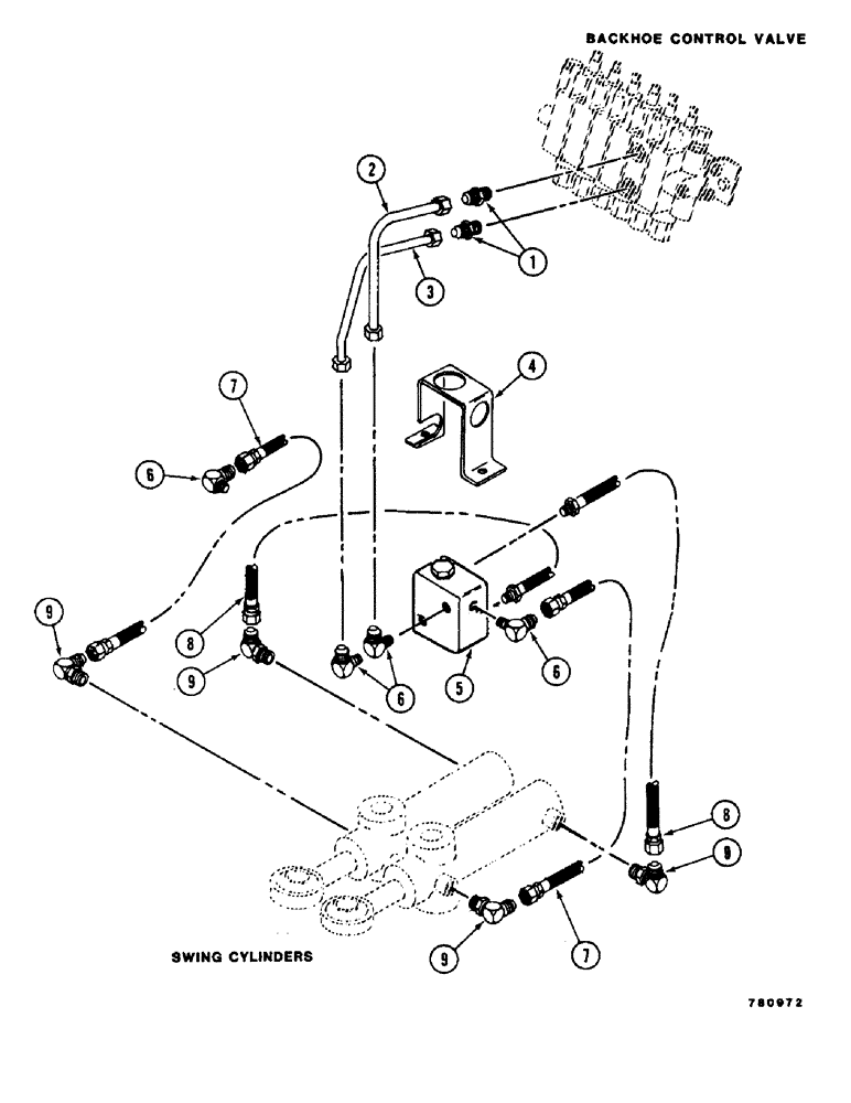
1

218-5057

HYD CONNECTOR,9/16" - 18 JIC x 9/16" - 18 ORB

CONNECTOR (9/16 ORB x 9/16 JIC M)

2шт.

2

H635441

TUBE ASSY.,0.375" OD x 2.75, 5.41" L

TUBE (3/8 OD)

1шт.

3

H635458

TUBE ASSY.,0.375" OD x 3.06, 4.44" L

TUBE (3/8 OD)

1шт.

4

H335117

BRACKET

- valve

1шт.

5

H625251

LOCK VALVE

VALVE - relief and anti-cavitation (see Figure 38)

1шт.

6

218-483

ELBOW,90 Degree Elbow, 9/16" - 18 Male JIC x 1/4" - 18 Male NPTF

- 90 degrees (9/16 JIC M x 1/4 MP)

4шт.

7

H168658

HYDRAULIC HOSE,6.35 mm ID x 508.00 mm, SAE 100R1

6.35 mm ID x 508.00 mm

2шт.

8

H169599

HOSE ASSY.

HOSE - 1/4 x 16 (9/16 JIC Fe Sw ends)

2шт.

9

218-5105

ELBOW,90 Degree Elbow, 9/16" - 18 Male JIC x 9/16" - 18 Male ORB

- 90 degrees (9/16 ORB x 9/16 JIC M)

4шт.

Выбрано товаров: 0