Качественные детали и логистика
Оригинальные и аналоговые запчасти с доставкой по России, Казахстану и Беларуси
©2022 PartSell ООО "Система" ИНН 2463123282 ОГРН 1212400004838
Центральный офис: г. Красноярск, Академика Киренского, д.87, пом.4
Телефон: 8 (800) 777-65-74 Email: zakaz@partsell.ru
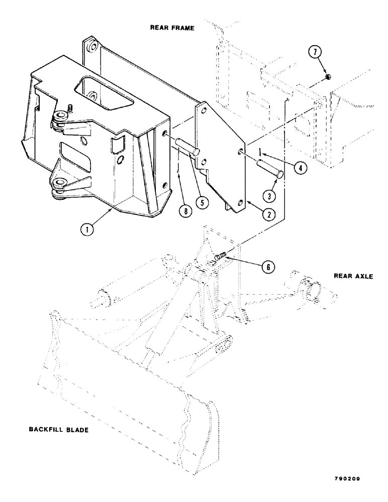
(04) - SD-70 MAINFRAME INSTALLATION
№
Артикул
Название
Примечание
Количество
1
H632737
FRAME ASSY
MAIN FRAME - SD-70 backhoe
1шт.
2
H629972
FRAME
- sub
3
H068676
PIN - clevis (1 x 4-3/8)
4шт.
4
132-349
COTTER PIN,1/4" x 1 1/2"
PIN, Split (Cotter), 1/4" x 1-1/2"
5
H043711
PIN - clevis (1 x 4)
6
113-412
BOLT,Hex, 1/2" - 13 x 1-3/4", Gr 5
7
131-1182
LOCK NUT,1/2"-13, GA
NUT - NC hex C/L (1/2)
8
132-306
COTTER PIN,3/16" x 1 3/4"
PIN, SPLIT (COTTER), 3/16" x 1 3/4"
Выбрано товаров: 0