Качественные детали и логистика
Оригинальные и аналоговые запчасти с доставкой по России, Казахстану и Беларуси
©2022 PartSell ООО "Система" ИНН 2463123282 ОГРН 1212400004838
Центральный офис: г. Красноярск, Академика Киренского, д.87, пом.4
Телефон: 8 (800) 777-65-74 Email: zakaz@partsell.ru
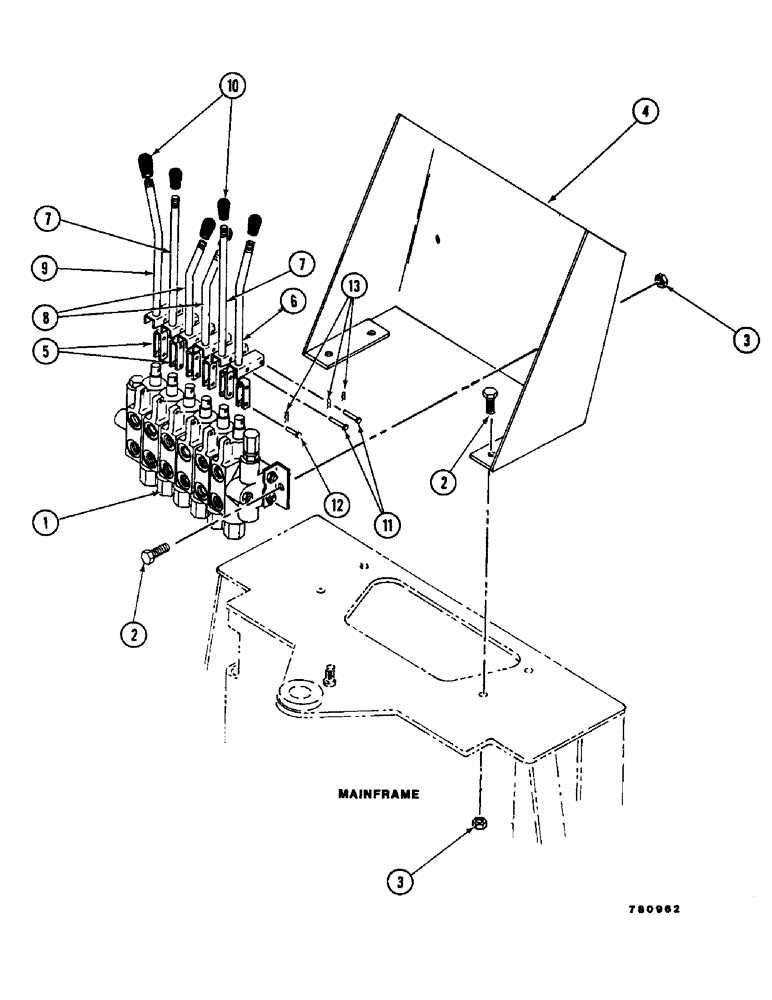
(16) - SD-70 CONTROLS, VALVE INSTALLATION
№
Артикул
Название
Примечание
Количество
1
H625244
LOCK VALVE
CONTROL VALVE ASSEMBLY (See Figure36)
1шт.
2
113-207
BOLT,Hex, 3/8" - 16 x 1", Gr 5
6шт.
3
230-4216
LOCK NUT,3/8"-16, GA
NUT - NC hex C/L (3/8)
4
H632711
CONSOLE
- valve
5
H339176
DRAG LINK
LINK - valve
6
H629717
LEVER
- boom
7
H629709
- swing and crowd
2шт.
8
H629782
- blade
9
H629691
- bucket
10
A14051
GRIP
KNOB - lever
11
H343822
AXLE PIN
PIN - lever
12шт.
12
H344648
13
136-151
COTTER PIN,Int, 1/16" x .036"
PIN - hair
18шт.
Выбрано товаров: 0