Запчасти Case 580C (256) - LOADER CLAM AND GRAPPLE HYDRAULIC CIRCUIT (08) - HYDRAULICS

Схема запчастей Case 580C - (256) - LOADER CLAM AND GRAPPLE HYDRAULIC CIRCUIT (08) - HYDRAULICS
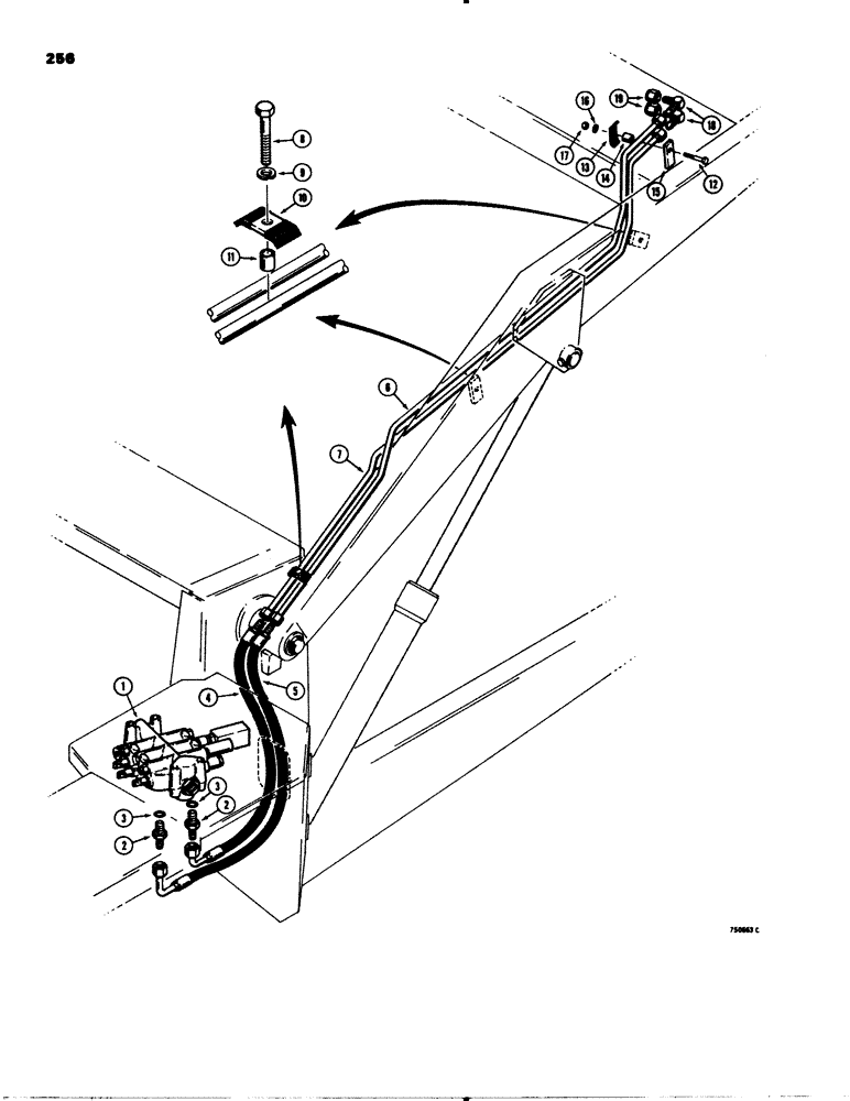
19
12
9
5
17
7
3
2
14
11
16
2
8
3
6
15
1
10
13
18
4
FIT
1:1
100%

Артикул

Название

Примечание

Количество

1

REF

INSTRUCTION

VALVE - loader control, 3 spool, see Figure 310 or 312 for parts

1шт.

2

218-5060

HYD CONNECTOR,3/4" - 16 Male JIC x 7/8" - 14 Male ORB

Fitting, male, straight, Incl. Ref 3 3/4"-16, 37º x 7/8"-14, O-Ring

2шт.

3

237-6010

O-RING,0.097" Thk x 0.755" ID, -910, Cl 6, 90 Duro

1шт.

4

D67897

HOSE

- valve to tube, 36" (914 mm) long

1шт.

5

D67896

HOSE

- valve to tube, 34" (864 mm) long

1шт.

6

D69726

HYD TUBE,0.5" OD x 76.09, 14.94" L

TUBE - hose to attachment

1шт.

7

D69724

HYD TUBE,0.5" OD x 75.61, 16.02" L

TUBE - hose to attachment

1шт.

8

13-528

BOLT,Hex, 5/16" - 18 x 1-3/4", Gr 5

- hex, 5/16" - 18 NC x 1-3/4"

3шт.

9

92-5

LOCK WASHER,5/16"

3шт.

10

R17319

CLAMP

- tube

3шт.

11

D33551

BUSHING

SPACER - tube clamp

3шт.

12

13-532

BOLT,Hex, 5/16" - 18 x 2", Gr 5

If used Hex, 5/16"-18 x 2", G5

1шт.

12

13-524

BOLT,Hex, 5/16" - 18 x 1-1/2", Gr 5

- hex, 5/16"-18 NC x 1-1/2", If used

1шт.

13

R17319

CLAMP

- tube

1шт.

14

D33551

BUSHING

SPACER - tube clamp

1шт.

15

NSS

NOT SOLD SEPARAT

BRACKET - tube mounting

1шт.

16

195-21

WASHER,5/16"

- flat, 5/16"

1шт.

17

131-4

LOCK NUT,5/16"-18, GB

NUT - hex, lock, 5/16" - 18 NC

1шт.

18

218-474

ELBOW,90 Degree Elbow, 3/4" - 16 Male JIC x 3/4" - 16 Male JIC

2шт.

19

218-755

CAP,37 Degree, 3/4"-16

Used when attachments are removed 37º, 3/4"-16

2шт.

Выбрано товаров: 20