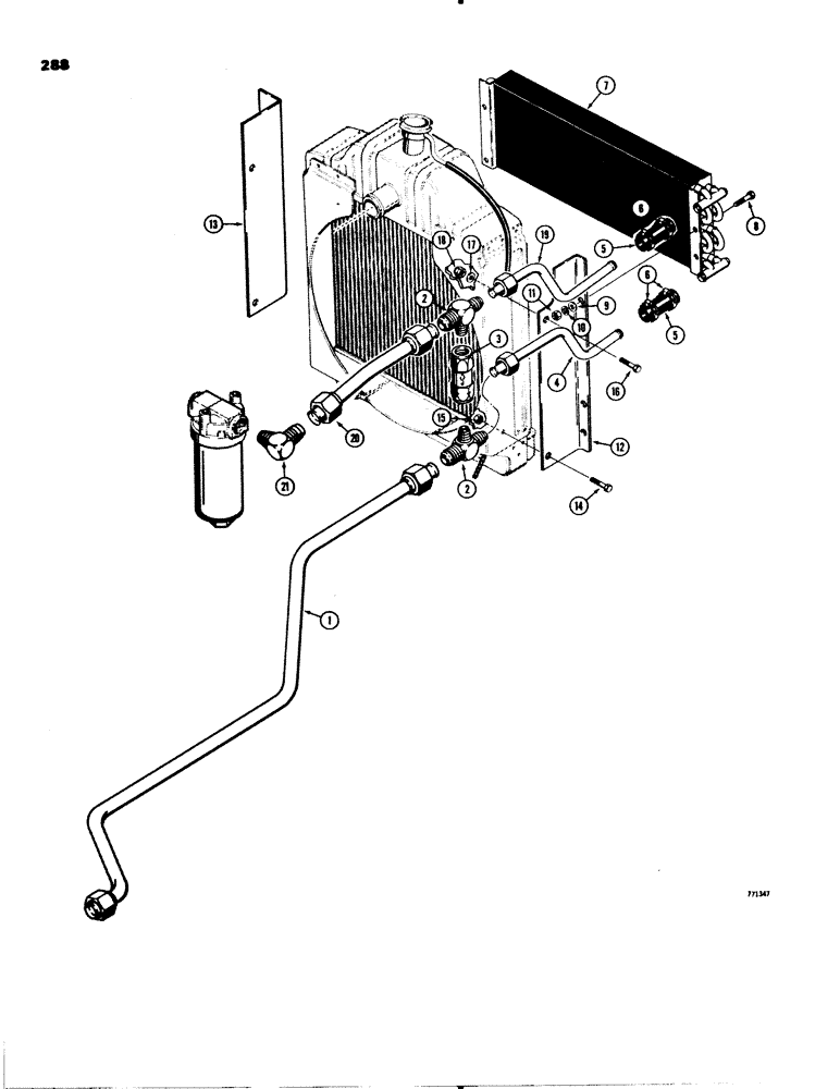
Запчасти Case 580C (288) - PTO HYDRAULIC COOLING SYSTEM, TRACTOR S/N 8961374 AND AFTER (08) - HYDRAULICS

Схема запчастей Case 580C - (288) - PTO HYDRAULIC COOLING SYSTEM, TRACTOR S/N 8961374 AND AFTER (08) - HYDRAULICS
12
17
10
2
14
5
9
16
18
8
20
13
1
2
5
3
11
15
4
7
19
6
6
21
FIT
1:1
100%

Артикул

Название

Примечание

Количество

1

D71805

TUBE - return, from rear equipment hydraulic circuit

1шт.

2

218-1109

TEE,1 5/16"-12, 37 Degree x 1/16"-12, 37 Degree x 3/4"-14, NPTF Br

FITTING - tee, male

2шт.

3

D68804

VALVE - check

1шт.

4

D77837

TUBE ASSY.

TUBE - to cooler bottom port

1шт.

5

R14170

HOSE

- cooler tubes, 3/4" (19 mm) ID x 5" (127 mm) long

2шт.

6

214-256

HOSE CLAMP,#20, 0.81" - 1.75", Type F Worm

CLAMP - hose

4шт.

7

D76544

COOLER

- PTO hydraulic oil

1шт.

8

13-512

BOLT,Hex, 5/16" - 18 x 3/4", Gr 5

4шт.

9

195-21

WASHER,5/16"

- flat, 5/16"

4шт.

10

92-5

LOCK WASHER,5/16"

4шт.

11

9635082

NUT,5/16" - 18, Gr 5

- hex, 5/16" - 18 NC

4шт.

12

D76570

BRACKET

- cooler mounting, RH

1шт.

13

D76569

STABILIZER

BRACKET - cooler mounting, LH

1шт.

14

13-612

BOLT,Hex, 3/8" - 16 x 3/4", Gr 5, Full Thd

Bottom Hex, 3/8"-16 x 3/4", G5, Full Thd

2шт.

15

131-652

LOCK NUT,3/8"-16, GB

NUT - hex, self lock, 3/8" - 16 NC

2шт.

16

13-616

BOLT,Hex, 3/8" - 16 x 1", Gr 5, Full Thd

2шт.

17

95-6

WASHER,3/8"

- flat, 3/8"

2шт.

18

131-652

LOCK NUT,3/8"-16, GB

NUT - hex, self lock, 3/8" - 16 NC

2шт.

19

D77835

TUBE

- from cooler top tube

1шт.

20

D77947

TUBE

, Serial Range: --filter

1шт.

21

D71940

ELBOW

FITTING - at filter, 90 degree special

1шт.

Выбрано товаров: 21