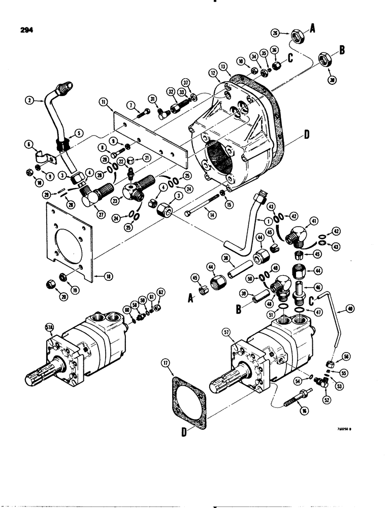
Запчасти Case 580C (294) - PTO MOTOR AND MOTOR HOUSING (08) - HYDRAULICS

Схема запчастей Case 580C - (294) - PTO MOTOR AND MOTOR HOUSING (08) - HYDRAULICS
23
9
46
18
58
21
28
28
19
17
48
13
5
27
57
2
52
1
24
3
18
45
20
54
26
44
45
4
45
15
7
6
38
8
32
59
35
60
34
43
25
38
25
42
43
3
36
11
22
44
51
10
12
16
50
24
61
56
49
44
4
55
47
31
33
9
41
62
37
42
39
29
40
14
53
29
57a
FIT
1:1
100%

Артикул

Название

Примечание

Количество

1

D72627

TUBE

- pressure, PTO

1шт.

2

D72625

TUBE

- return, PTO

1шт.

3

222-3112

NUT,1 1/8"-12

NUT - tube

2шт.

4

222-3103

SLEEVE,3/4" Tube

- tube nut

2шт.

5

D74182

GROMMET,3/4" ID x 1.46" L

PAD - tube cushion

2шт.

6

D74192

CLAMP

- tube, used with D74182 pad

2шт.

7

13-620

BOLT,Hex, 3/8" - 16 x 1-1/4", Gr 5, Full Thd

2шт.

8

13-624

BOLT,Hex, 3/8" - 16 x 1-1/2", Gr 5

- hex, 3/8" - 16 NC x 1-1/2"

2шт.

9

92-6

LOCK WASHER,3/8"

4шт.

10

25-106

NUT,3/8"-16, G5

- hex, 3/8" - 16 NC

4шт.

11

D72653

PLATE - clamp mounting

1шт.

12

D72023

HOUSING

- PTO

1шт.

13

G10447

GASKET

- PTO housing

1шт.

14

13-672

BOLT,Hex, 3/8" - 16 x 4-1/2", Gr 5

- hex, 3/8" - 16 NC x 4-1/2"

4шт.

15

92-6

LOCK WASHER,3/8"

4шт.

16

D71968

BOLT

- special

4шт.

17

D72019

GASKET

- PTO, Serial Range: motor-housing

1шт.

18

D72274

PLATE

- shield mounting, see Figure 298 for shield

1шт.

19

T42588

WASHER

- special sealing

4шт.

20

131-10

NUT,1/2"-13, GB

NUT, LOCK, 1/2"-13, GB

4шт.

21

218-752

CAP,37 Degree, 7/16"-20

1шт.

22

218-441

HYD CONNECTOR,7/16" - 20 Male JIC x 1/8" - 27 Male NPTF

FITTING - male adapter

1шт.

D72652

ELBOW

FITTING ASSEMBLY - bulkhead, 90 degree, Includes: Ref. 23 - 26

1шт.

23

NSS

NOT SOLD SEPARAT

BODY - fitting

1шт.

24

A27365

O-RING,0.103" Thk x 0.75" ID, -116, Cl 5, 75 Duro

- internal

2шт.

25

D75828

RING

- backup, internal

2шт.

26

222-3166

BHD LOCK NUT,Blkhd, 1 1/8"-12

- bulkhead

1шт.

222-3097

FITTING

ASSEMBLY - bulkhead, 90 degree, Includes: Ref. 27 - 30

1шт.

27

NSS

NOT SOLD SEPARAT

BODY - fitting

1шт.

28

A27365

O-RING,0.103" Thk x 0.75" ID, -116, Cl 5, 75 Duro

- internal

2шт.

29

D75828

RING

- backup, internal

2шт.

30

222-3166

BHD LOCK NUT,Blkhd, 1 1/8"-12

- bulkhead

1шт.

31

218-481

ELBOW,90 Degree Elbow, 7/16" - 20 Male JIC x 1/8" - 27 Male NPTF

FITTING - 90 degree, motor drain circuit

1шт.

222-3150

FITTING,1/2"-20 Fem O-Ring x 1/8" NPTF

ASSEMBLY - bulkhead, straight, Includes: Ref. 32 - 36

1шт.

32

NSS

NOT SOLD SEPARAT

BODY - fitting

1шт.

33

A27358

O-RING,0.07" Thk x 0.239" ID, -10, Cl 5, 75 Duro

- internal

1шт.

34

222-3165

NUT,Blkhd, 1/2"-20

- bulkhead

1шт.

35

222-3106

SLEEVE,1/4" Tube

- tube nut

1шт.

36

222-3113

TUBE NUT,1/2"-20

NUT - tube

1шт.

37

D35288

WASHER

- copper

1шт.

38

D71965

TUBE - pressure, to D71868 PTO motor, 2.7" (68.58 mm) long

1шт.

38

D91374

TUBE,0.584" ID x 0.75" OD x 3.12" L

- pressure, to D90094 PTO motor, 3.12" (79.25 mm) long

1шт.

39

D71966

TUBE - return, from D71868 PTO motor, 1.55" (39.37 mm) long

1шт.

39

D91375

TUBE,0.584" ID x 0.75" OD x 1.97" L

- return, from D90094 PTO motor, 1.97" (50.04 mm) long

1шт.

40

D72434

TUBE

- PTO motor drain, connects to 90 degree fitting at D71868 motor

1шт.

40

D91361

TUBE,0.25" OD x 6.6, 5.88" L

- PTO motor drain, connects to straight fitting at D71868 motor

1шт.

222-3141

ELBOW,90 Degree, 1 1/8"-12 x 1 1/8"-12, O-Ring

FITTING ASSEMBLY - special, 90 degree, Includes: Ref. 41 - 43

1шт.

41

NSS

NOT SOLD SEPARAT

BODY - fitting

1шт.

42

A27365

O-RING,0.103" Thk x 0.75" ID, -116, Cl 5, 75 Duro

- internal

2шт.

43

D75828

RING

- backup

2шт.

44

222-3112

NUT,1 1/8"-12

NUT - tube

3шт.

45

222-3103

SLEEVE,3/4" Tube

- tube nut

3шт.

46

222-3071

FITTING,Nipple, 1/2" Tube x 3/4"-16

- special nipple, Includes: Ref. 47

1шт.

47

218-5008

O-RING,0.116" Thk x 0.924" ID, -912, Cl 6, 90 Duro

- fitting

1шт.

222-3145

ELBOW,90 Degree, 1 1/8"-12 x 1 1/16"-12, O-Ring

FITTING - adjustable, 90 degree, Includes: Ref. 48 - 51

1шт.

48

NSS

NOT SOLD SEPARAT

BODY - fitting

1шт.

49

A27365

O-RING,0.103" Thk x 0.75" ID, -116, Cl 5, 75 Duro

- internal

1шт.

50

D75828

RING

- backup, internal

1шт.

51

218-5008

O-RING,0.116" Thk x 0.924" ID, -912, Cl 6, 90 Duro

- external

1шт.

222-3146

FITTING - adjustable, 90 degree, used with D71868 motor, Includes: Ref. 52 - 56 90º, 1/2"-20 x7/16"-20, O-Ring

1шт.

52

NSS

NOT SOLD SEPARAT

BODY - fitting

1шт.

53

A27358

O-RING,0.07" Thk x 0.239" ID, -10, Cl 5, 75 Duro

- internal

1шт.

54

218-5003

O-RING,0.072" Thk x 0.351" ID, -904, Cl 6, 90 Duro

- external

1шт.

55

222-3106

SLEEVE,1/4" Tube

- tube nut

1шт.

56

222-3113

TUBE NUT,1/2"-20

NUT - tube

1шт.

57

D71868

HYDRAULIC MOTOR

MOTOR - hydraulic, PTO, Char Lynn number 109-1027-003, parts lsit Figure 366

1шт.

57a

D90094

MOTOR

- hydraulic, PTO, Char Lynn number 109-1027-004, parts list Figure 367A

1шт.

222-3027

FITTING,1/2"-20 x 7/16"-20

- adjustable, straight, used with D90094 motor, Includes: Ref. 58 - 62

1шт.

58

NSS

NOT SOLD SEPARAT

BODY - fitting

1шт.

59

A27358

O-RING,0.07" Thk x 0.239" ID, -10, Cl 5, 75 Duro

- internal

1шт.

60

218-5003

O-RING,0.072" Thk x 0.351" ID, -904, Cl 6, 90 Duro

- external

1шт.

61

222-3106

SLEEVE,1/4" Tube

- tube nut

1шт.

62

222-3113

TUBE NUT,1/2"-20

NUT - tube

1шт.

Выбрано товаров: 73