Запчасти Case 580C (014) - AIR CLEANER AND CONNECTIONS (02) - ENGINE

Схема запчастей Case 580C - (014) - AIR CLEANER AND CONNECTIONS (02) - ENGINE
18
20
25
26
19
23
27
15
4
1
22
7
6
3
11
24
6
8
13
9
10
14
12
2
26
28
16
21
5
17
FIT
1:1
100%

Артикул

Название

Примечание

Количество

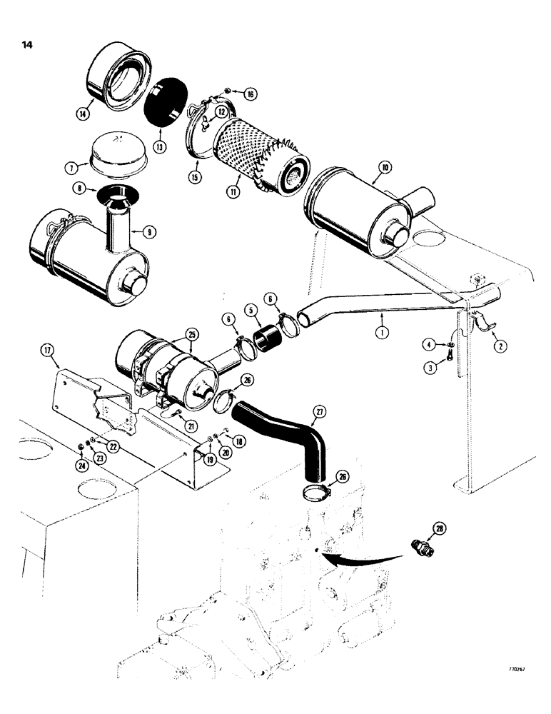
1

D68239

TUBE

- horizontal air cleaner intake, if used - see Ref. 7

1шт.

2

D66567

CLAMP - tube

1шт.

3

13-812

BOLT,Hex, 1/2" - 13 x 3/4", Gr 5

- hex, 1/2" - 13 NC x 3/4"

1шт.

4

92-8

LOCK WASHER,1/2"

1шт.

5

NLS

NO LONGER SERVICED

HOSE - horizontal intake tube to air cleaner, 2-1/2" (64 mm) ID x 2-1/2" (64 mm) long, if used

1шт.

6

214-261

HOSE CLAMP,#40, 2.06" - 3", Type F Worm

CLAMP - hose

2шт.

7

A61276

AIR CLEANER

CAP - vertical air cleaner intake, if used - see Ref. 1 or Figure 15A for Precleaner

1шт.

8

D75362

RING

GROMMET - air cleaner cap, if used

1шт.

9

A139086

AIR CLEANER

ASSEMBLY - engine, Includes: Ref. 10 - 16

1шт.

10

NSS

NOT SOLD SEPARAT

BODY - air cleaner

1шт.

11

A42274

AIR FILTER

ELEMENT - air cleaner

1шт.

12

F91761

WING NUT

- wing, element

1шт.

13

F22312

BAFFLE

- rubber

1шт.

14

F91760

CUP

- access, air cleaner

1шт.

15

F84999

CLAMP,168.28mm

- cup, includes hardware

1шт.

16

25-224

SQUARE NUT,Sq, 1/4"-20

- hex, 1/4" - 20 NC

1шт.

17

REF

INSTRUCTION

BRACKET - air cleaner mounting

1шт.

For correct air cleaner and hood mounting brackets, see Figure 504.

1шт.

18

13-620

BOLT,Hex, 3/8" - 16 x 1-1/4", Gr 5, Full Thd

2шт.

19

195-25

WASHER,3/8"

- flat, 3/8"

2шт.

20

92-6

LOCK WASHER,3/8"

2шт.

21

13-612

BOLT,Hex, 3/8" - 16 x 3/4", Gr 5, Full Thd

4шт.

22

195-25

WASHER,3/8"

- flat, 3/8"

4шт.

23

92-6

LOCK WASHER,3/8"

4шт.

24

25-106

NUT,3/8"-16, G5

- hex, 3/8"

4шт.

25

L11247

BAND

- air cleaner mounting

2шт.

26

214-261

HOSE CLAMP,#40, 2.06" - 3", Type F Worm

CLAMP - hose

2шт.

27

D68299

INTAKE AIR HOSE,2.25" ID x 10.80", SAE 20R4 CLASS R

- Air Cleaner to Manifold 2.25" ID x 10.80", SAE 20R4 CLASS R

1шт.

28

D36264

FITTING

FILTER - safety, air restriction

1шт.

Выбрано товаров: 29