Запчасти Case 580C (426) - LOADER CONTROLS (2 SPOOL) (09) - CHASSIS/ATTACHMENTS

Схема запчастей Case 580C - (426) - LOADER CONTROLS (2 SPOOL) (09) - CHASSIS/ATTACHMENTS
22
30
20
2
23
32
11
17
10
12
11
6
10
19
21a
28
33
21
10a
4
16
15
24
22
34
8
18
13
35
4
24
3
27a
14
36
29
25
22a
26
8a
27
9
9a
31
20a
24
37
7
5
1
FIT
1:1
100%

Артикул

Название

Примечание

Количество

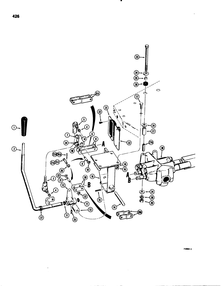
1

A37247

KNOB

- lever

1шт.

2

D76194

LEVER

- loader control, lift and tilt

1шт.

3

D64789

JOINT

- ball type, tilt spool

1шт.

4

92-6

LOCK WASHER,3/8"

2шт.

5

D69180

BALL JOINT

JOINT - ball type, tilt spool

1шт.

6

D72232

CRANK

BELLCRANK - lever

1шт.

D72232 pin (shaft) coming off p/n D72232, weldment shaft p/n D64791 or complete bracket p/n D146674

1шт.

7

D95096

SNAP RING,M15.88 x 1.27mm Thk

- retaining

1шт.

8

D64746

LINK

- connecting, used with Parker valve only, straight

2шт.

8a

D92586

LINK

- connecting, used with Hydreco valve only, offset

2шт.

9

D95632

PIN,7.9mm OD x 22.99mm L

- connecting, if used

2шт.

9a

141-3

CLEVIS PIN,5/16" x .940"

PIN, CLEVIS, , Connecting, if used 5/16" x .940"

2шт.

10

D95092

RING

- retaining, if used

4шт.

10a

132-24

COTTER PIN,3/32" x 1/2"

PIN, SPLIT (COTTER), , If used 3/32" x 1/2"

2шт.

11

D95096

SNAP RING,M15.88 x 1.27mm Thk

- retaining

1шт.

12

D64777

PITMAN

BLOCK - pivot

1шт.

13

D81147

SPACER

- controls

1шт.

14

D64790

SHAFT

- retaining

1шт.

15

138-61

LOCK PIN,1/8" x 1", Slotted

PIN, 1/8" x 1", Slotted

1шт.

16

D67594

MOUNTING PARTS

BRACKET - lever

1шт.

17

13-616

BOLT,Hex, 3/8" - 16 x 1", Gr 5, Full Thd

4шт.

18

92-6

LOCK WASHER,3/8"

4шт.

19

25-106

NUT,3/8"-16, G5

- hex, 3/8" - 16 NC

4шт.

20

D69601

LINK

- connecting, used with Parker valve only, straight

2шт.

20a

D92585

LINK

- connecting, used with Hydreco valve only, offset

2шт.

21

D95632

PIN,7.9mm OD x 22.99mm L

- connecting, if used

2шт.

21a

141-3

CLEVIS PIN,5/16" x .940"

PIN, CLEVIS, , Connecting, if used 5/16" x .940"

2шт.

22

D95092

RING

- retaining, if used

4шт.

22a

132-24

COTTER PIN,3/32" x 1/2"

PIN, SPLIT (COTTER), , If used 3/32" x 1/2"

2шт.

23

13-696

BOLT,Hex, 3/8" - 16 x 6", Gr 5

Used with Parker valve only Hex, 3/8"-16 x 6", G5

4шт.

23

13-6104

BOLT,Hex, 3/8" - 16 x 6-1/2", Gr 5

Used with Hydreco valve only Hex, 3/8"-16 x 6 1/2", G5

4шт.

24

95-6

WASHER,3/8"

- flat, 3/8"

12шт.

25

D66017

SPACER

SLEEVE - valve mounting

4шт.

26

D64797

GROMMET

- valve mounting

4шт.

27

D64797

GROMMET

SPACER - valve, used with Parker valve only, 1-1/2" (38 mm) long

4шт.

27

D82547

SPACER

- valve, used with Hydreco valve only, 2" (51 mm) long

4шт.

27a

D82546

SPACER - valve, used with Hydreco valve only

4шт.

28

92-6

LOCK WASHER,3/8"

4шт.

29

25-106

NUT,3/8"-16, G5

- hex, 3/8" - 16 NC

4шт.

30

REF

INSTRUCTION

VALVE - loader control, 2 spool, see Figure 306, 308, and 330

1шт.

31

D72302

BOOT

SEAL - controls

1шт.

32

187-329

SELF-TAP SCREW,Pan, 0.19"-16 x 1/4"

SCREW - no. 10 x 1/2", self tapping

2шт.

33

D72241

PLATE

- controls

1шт.

34

219-57

LUBE NIPPLE,90 Degree Elbow, 1/4" - 28 NPTF

FITTING _ grease, 90 degree

1шт.

35

219-36

LUBE NIPPLE,45 Degree Elbow, 1/8" - 27 NPTF

FITTING - grease, 45 degree

1шт.

36

195-21

WASHER,5/16"

- flat, , plated 5/16"

4шт.

37

D82594

RING

- plastic, replaces metal ring on some levers

1шт.

Выбрано товаров: 47