Запчасти Case 580C (438) - 4-IN-1 BUCKET (09) - CHASSIS/ATTACHMENTS

Схема запчастей Case 580C - (438) - 4-IN-1 BUCKET (09) - CHASSIS/ATTACHMENTS
26
41
3
29
7
33
8a
46
6
14
16
8a
28
27
2
31
1
12
23
37
13
14
45
40
8
30
4
24
11
19
33
44a
39
20
34
35
34
32
25
5
42
18
10
3
39
43
27
21
38
36
35
44
22
21
9
28
22
38
FIT
1:1
100%

Артикул

Название

Примечание

Количество

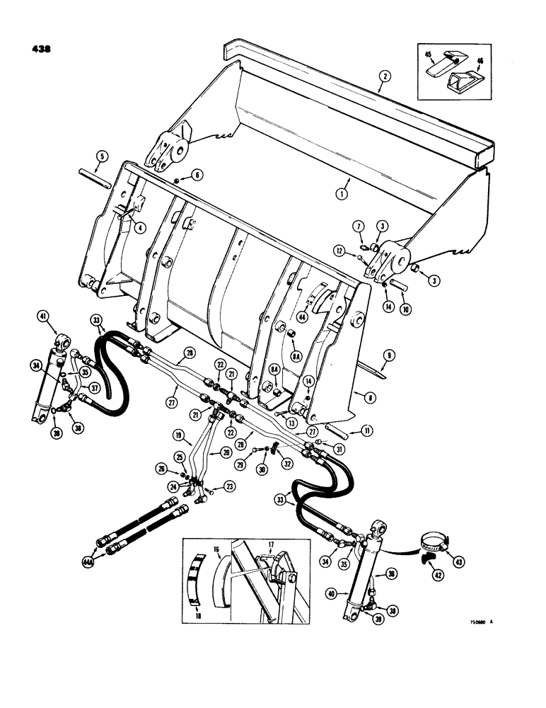
D67086

BUCKET ASSEMBLY - 4-in-1, 74" (1880 mm) wide, machinery item, see Figure 2 for ordering, Includes: Ref. 1 - 14

1шт.

D75644

BUCKET ASSEMBLY - 4-in-1, 82" (2083 mm) wide, machinery item, see Figure 2 for ordering, Includes: Ref. 1 - 14

1шт.

D51384

SHELL

CLAM ASSEMBLY - D67086 bucket, Includes: Ref. 1 - 3

1шт.

D75633

SHELL

CLAM ASSEMBLY - D75644 bucket, Includes: Ref. 1 - 3

1шт.

1

D75630

EDGE

CLAM - bucket

1шт.

2

D95072

EDGE, CUTTING,4” W x 72.47” L x 6” H x 3/4” Thk

EDGE - clam cutting, D67086 bucket

1шт.

2

D76258

EDGE, CUTTING,4” W x 80.5” L x 6” H x 3/4” Thk

EDGE - clam cutting, D75644 bucket

1шт.

3

D31140

BUSHING,38.33mm ID x 47.63mm OD x 25.4mm L

- clam pivot

4шт.

4

13-664

BOLT,Hex, 3/8" - 16 x 4", Gr 5

2шт.

5

D51391

PIN,15mm OD x 74mm L

Pivot, Serial Range: clam-blade

2шт.

6

131-652

LOCK NUT,3/8"-16, GB

NUT - hex, lock, 3/8" - 16 NC

2шт.

7

219-1

LUBE NIPPLE,1/8" - 27 NPTF

FITTING - grease, straight, 1/8" NPT

2шт.

D67084

BLADE ASSEMBLY - D67086 bucket, Includes: Ref. 8, 8A and 9

1шт.

D78943

BLADE ASSEMBLY - D75644 bucket, Includes: Ref. 8, 8A and 9

1шт.

8

NSS

NOT SOLD SEPARAT

BLADE - bucket

1шт.

8a

D30932

BUSHING,38.33mm ID x 47.63mm OD x 28.45mm L

- bucket ear

8шт.

9

D51388

EDGE, CUTTING

EDGE - blade cutting, D67086 bucket

1шт.

9

D75636

EDGE, CUTTING

EDGE - blade cutting, D75644 bucket

1шт.

10

D51392

PIN,31.72mm OD x 101.6mm L

- cylinder mounting, upper

2шт.

11

D51393

PIN,31.72mm OD x 152.4mm L

Cylinder mounting, lower

2шт.

12

13-656

BOLT,Hex, 3/8" - 16 x 3-1/2", Gr 5

- hex, 3/8" - 16 NC x 3-1/2", upper mounting pin

2шт.

13

13-644

BOLT,Hex, 3/8" - 16 x 2-3/4", Gr 5

- hex, 3/8" - 16 NC x 2-3/4", lower mounting pin

2шт.

14

131-652

LOCK NUT,3/8"-16, GB

NUT - hex, lock, 3/8" - 16 NC

4шт.

15

RESERVED

1шт.

16

D51816

PLATE

GAUGE - bucket position

1шт.

17

D51726

PIN

POINTER - bucket position

1шт.

18

REF

INSTRUCTION

DECAL - bucket position, see Figures 530 and 534 for decal number

1шт.

19

D51615

TUBE

- clam cylinder, closed end

1шт.

20

D51617

TUBE

- clam cylinder, rod end

121шт.

21

218-1237

TEE,7/8"-14, 37 Degree, Blkhd

FITTING - bulkhead type tee

2шт.

22

218-1251

BHD LOCK NUT,Blkhd, 7/8"-14

NUT, LOCK, Blkhd, 7/8"-14

2шт.

23

13-516

BOLT,Hex, 5/16" - 18 x 1", Gr 5

1шт.

24

38188

CLAMP

- tube

2шт.

25

92-5

LOCK WASHER,5/16"

1шт.

26

9635082

NUT,5/16" - 18, Gr 5

- hex, 5/16" - 18 NC

1шт.

27

D67081

TUBE

- clam cylinder, horizontal short

2шт.

28

D67083

TUBE

- clamp cylinder, horizontal long

2шт.

29

13-624

BOLT,Hex, 3/8" - 16 x 1-1/2", Gr 5

- hex, 3/8" - 16 NC x 1-1/2"

2шт.

30

92-6

LOCK WASHER,3/8"

2шт.

31

D33552

BUSHING

SPACER - tube clamp

2шт.

32

D40236

CLAMP

- tube

2шт.

33

35646

HOSE

- clam cylinder, 22-3/4" (572 mm) long, used on D67086 bucket

4шт.

33

D27984

HOSE,12.7mm ID x 660.4mm L, SAE 100R2

- clam cylinder, 26" (660 mm) long, used on D75644 bucket

4шт.

34

218-5137

ELBOW,45 Degree Elbow, 7/8" - 14 Male JIC x 7/8" - 14 Male ORB

FITTING - male, 45 degree, Incl. Ref 35

2шт.

35

237-6010

O-RING,0.097" Thk x 0.755" ID, -910, Cl 6, 90 Duro

- fitting

1шт.

36

D51621

TUBE

- hose to RH clam cylinder

1шт.

37

D51619

TUBE

- hose to LH clam cylinder

1шт.

38

218-5107

90 ELBOW,90 Degree Elbow, 7/8" - 14 Male JIC x 7/8" - 14 Male ORB

FITTING - male, 90 degree, Incl. Ref. 39

2шт.

39

237-6010

O-RING,0.097" Thk x 0.755" ID, -910, Cl 6, 90 Duro

- fitting

1шт.

40

REF

INSTRUCTION

CYLINDER - RH clam, see Figure 382 or 384 for proper cylinder

1шт.

41

REF

INSTRUCTION

CYLINDER - LH clam, see Figure 382 or 384 for proper cylinder

1шт.

42

D38648

BLOCK

SPACER - tube, rubber

2шт.

43

214-267

HOSE CLAMP,#64, 3.56" - 4.5", Type F Worm

CLAMP - cylinder to tube

2шт.

44

REF

INSTRUCTION

DECAL - clam opening, see Figure 530 and 534 for decal number

1шт.

44a

D51691

HOSE

- hydraulic, 40" (1016 mm) long

2шт.

45

D58499

SUPPORT

SHANK - bucket tooth, if used

9шт.

46

D58576

TOOTH

POINT - tooth, H and L manufactured, 4-7/8" (124 mm) long

9шт.

46

D58577

TOOTH

POINT - tooth, Fabco manufactured, 4-3/4" (121 mm) long

9шт.

Выбрано товаров: 58