Запчасти Case 580C (452) - BACKHOE CONTROLS WITH FOOT SWING (09) - CHASSIS/ATTACHMENTS

Схема запчастей Case 580C - (452) - BACKHOE CONTROLS WITH FOOT SWING (09) - CHASSIS/ATTACHMENTS
23
39
38
8
3
18
29
12
18
21
27
22
1a
34
31
37
20
1a
33
30
17
15
28
4
10
18
14
18
19
21
21
20
19
7
25
10
16
21
13
10
9
11
2
18
35
27
5
18
10
36
26
24
6
32
40
21
1
FIT
1:1
100%

Артикул

Название

Примечание

Количество

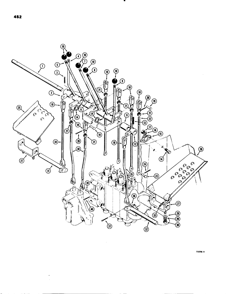
1

D67759

SHAFT

- control levers

1шт.

1a

195-45

WASHER,3/4"

Used as shim 3/4"

1шт.

2

D67761

DIPPER

BELLCRANK - LH swing

1шт.

3

138-136

LOCK PIN,1/4" x 1 1/4", Slotted

PIN, 1/4" x 1 1/4", Slotted

1шт.

4

D67771

LEVER

HANDLE - LH stabilizer

1шт.

5

D67765

HANDLE

- bucket

1шт.

6

80710

LUBE NIPPLE,1/8” – 27 Dryseal PTF

NIPPLE, LUBE, 1/8"-27 x .66 lg

4шт.

7

D67766

HANDLE

- dipper

1шт.

8

D67767

HANDLE

- boom

1шт.

9

D67774

HANDLE

- RH stabilizer, used on models without extendable dipper or models with extendable dipper lever on right hand side

1шт.

9

D86086

HANDLE

- RH stabilizer, used on models with extendable dipper with stabilizer lever on right hand side

1шт.

10

D59912

KNOB

- handle

5шт.

11

D82672

SPACER

-

1шт.

12

D67762

DIPPER

BELLCRANK - RH swing

1шт.

13

138-136

LOCK PIN,1/4" x 1 1/4", Slotted

PIN, 1/4" x 1 1/4", Slotted

1шт.

14

13-612

BOLT,Hex, 3/8" - 16 x 3/4", Gr 5, Full Thd

4шт.

15

L48412

FLANGED BEARING

BEARING - shaft

2шт.

16

92-6

LOCK WASHER,3/8"

4шт.

17

25-106

NUT,3/8"-16, G5

- hex, 3/8" - 16 NC

4шт.

18

213-4

ADJUSTABLE CLEVIS,3/8"-24 x 2 1/2"

YOKE - rod

8шт.

19

141-4

CLEVIS PIN,3/8" x 1.060"

PIN, CLEVIS, 3/8" x 1.060"

8шт.

20

132-26

COTTER PIN

Pin, Split (Cotter), 3/32" x 3/4"

8шт.

21

25-116

NUT,Hex, 3/8"-24, G5

- hex, jam, 3/8" - 24 NF

6шт.

22

D67783

ROD

- link

4шт.

23

141-3

CLEVIS PIN,5/16" x .940"

PIN, CLEVIS, , Yoke, 5/16" 5/16" x .940"

4шт.

24

132-26

COTTER PIN

Pin, Split (Cotter), 3/32" x 3/4"

4шт.

25

D58221

PEDAL

- LH swing

1шт.

26

D58220

PEDAL

- RH swing

1шт.

27

D56287

BRACKET

- swing pedal mounting

2шт.

28

95-6

WASHER,3/8"

- flat, 3/8"

4шт.

29

92-6

LOCK WASHER,3/8"

4шт.

30

25-106

NUT,3/8"-16, G5

- hex, 3/8" - 16 NC

4шт.

31

D50407

SHAFT

- LH swing pedal

1шт.

32

D69130

SHAFT

- RH swing pedal

1шт.

33

138-136

LOCK PIN,1/4" x 1 1/4", Slotted

PIN, 1/4" x 1 1/4", Slotted

2шт.

34

D67763

ROD

- swing pedal, LH

1шт.

35

D69131

ROD

- swing pedal, RH

1шт.

36

141-4

CLEVIS PIN,3/8" x 1.060"

PIN, CLEVIS, 3/8" x 1.060"

2шт.

37

132-26

COTTER PIN

Pin, Split (Cotter), 3/32" x 3/4"

2шт.

38

D67775

ROD

- stabilizer control

2шт.

39

141-3

CLEVIS PIN,5/16" x .940"

PIN, CLEVIS, , Yoke, 5/16" 5/16" x .940"

2шт.

40

132-26

COTTER PIN

Pin, Split (Cotter), 3/32" x 3/4"

2шт.

Выбрано товаров: 42