Запчасти Case 580C (498) - SEAT MOUNTING PARTS AND SEAT BELTS (09) - CHASSIS/ATTACHMENTS

Схема запчастей Case 580C - (498) - SEAT MOUNTING PARTS AND SEAT BELTS (09) - CHASSIS/ATTACHMENTS
7
4
36
12
32
29
2
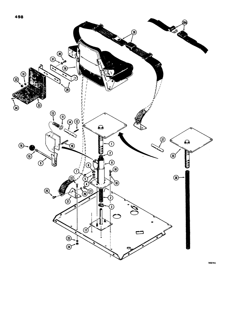
1
2
22
5
13
34
25
31
24
28
31
8
14
16
27
10
21
9
19
35
37
26
23
17
3
33
30
20
6
11
20a
18
15
FIT
1:1
100%

Артикул

Название

Примечание

Количество

1

D73865

POST

seat mounting, used, see Ref. 35, Serial Range: -8991133

1шт.

2

D64767

SPRING

seat, used, see Ref. 36, Serial Range: -8991133

1шт.

3

D49776

SNAP RING,#187, 2.008", Int, Spiral

retaining

1шт.

4

195-25

WASHER,3/8"

flat, 3/8"

2шт.

5

92-6

LOCK WASHER,3/8"

2шт.

6

25-106

NUT,3/8"-16, G5

hex, 3/8" - 16 NC

2шт.

7

219-1

LUBE NIPPLE,1/8" - 27 NPTF

GREASE FITTING - straight, 1/8" NPT

1шт.

8

D64776

POST

seat base

1шт.

9

D38258

LOCK

seat height adjustment

1шт.

10

138-137

LOCK PIN,1/4" x 1 3/8", Slotted

PIN, 1/4" x 1 3/8", Slotted

1шт.

11

D49941

SPRING WASHER

flat

1шт.

12

138-94

LOCK PIN,3/16" x 7/8", Slotted

PIN, , Ref 7 - 9 adjusters, All of these Refs. include the A45060 spring, which shows in illustration attached to each of above Refs. 3/16" x 7/8", Slotted

1шт.

13

D49774

SPRING

lock

1шт.

14

D38261

PIN

post latch, used, see Ref. 37, Serial Range: -8991133

1шт.

15

D38673

RING

knob retaining

1шт.

16

D38643

KNOB

height adjustment lever

1шт.

17

D62012

POST

SPACER - base

1шт.

18

13-620

BOLT,Hex, 3/8" - 16 x 1-1/4", Gr 5, Full Thd

4шт.

19

92-6

LOCK WASHER,3/8"

4шт.

20

D60615

SAFETY BELT ,3.00" W

If used 3.00" W

1шт.

20a

D75428

SAFETY BELT

SAFETY BELT, 2" (51 mm) wide, If used

1шт.

21

D75008

BRACKET

seat belt mounting

2шт.

22

113-207

BOLT,Hex, 3/8" - 16 x 1", Gr 5

4шт.

23

192-21

LOCK WASHER,3/8"

WASHER, LOCK, 3/8"

4шт.

24

129-103

NUT,Hex, 3/8" - 16, Gr 5

NUT, 3/8"-16, G5

4шт.

25

F42236

STEP BOLT

shoulder, 7/16" - 20 NF x 1-1/4"

2шт.

26

192-22

LOCK WASHER,7/16"

WASHER, LOCK, 7/16"

2шт.

27

425-117

NUT,7/16"-20, G5

hex, 7/16" - 20 NF, plated

2шт.

28

REF

INSTRUCTION

SEAT ASSEMBLY - operators, see Figures 500 or 502

1шт.

29

D79933

BRACKET

operator's manual box, if used, for models with fender mounted box see page 467

2шт.

30

113-9

BOLT,Hex, 1/4" - 20 x 7/8", Gr 5

hex, 1/4" - 20 NC x 7/8"

2шт.

31

195-18

WASHER,1/4"

flat, 1/4"

4шт.

32

193-1006

NUT,Keps, w/LW, 1/4"-20

hex, special lock, 1/4" - 20 NC

2шт.

33

R38893

CASE

BOX - operator's manual

1шт.

34

L18331

CABLE TIE,375.9mm L, Nylon, Black

STRAP, CABLE

1шт.

35

D87657

POST

seat mounting, used on, Start Serial: 8991133

1шт.

36

D84284

SPRING

- seat, used on, Start Serial: 8991133

1шт.

37

D84285

PIN,12.7mm OD x 84.07mm L

post latch, used on, Start Serial: 8991133

1шт.

Выбрано товаров: 38