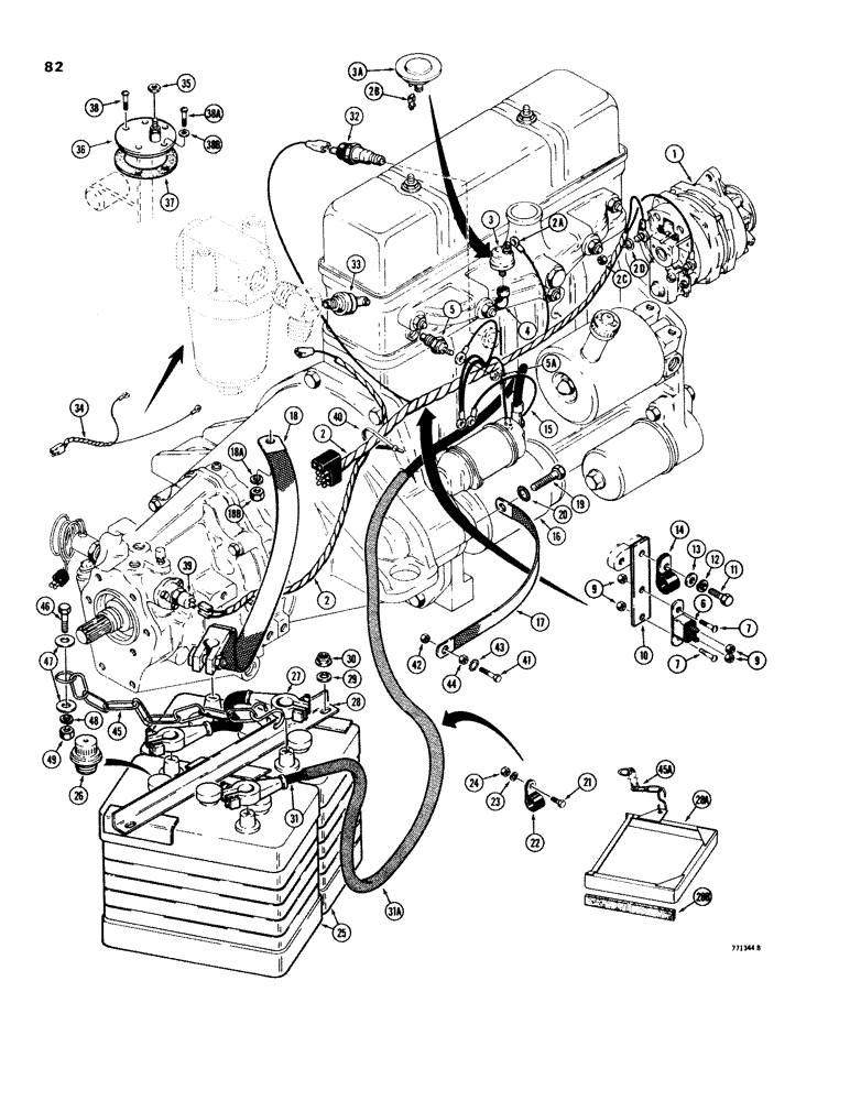
Запчасти Case 580C (082) - ELECTRICAL SYSTEM, FRONT HARNESS, ALTERNATOR, STARTER & BATTERY, TRACTOR S/N 8965035 & AFTER (04) - ELECTRICAL SYSTEMS

Схема запчастей Case 580C - (082) - ELECTRICAL SYSTEM, FRONT HARNESS, ALTERNATOR, STARTER & BATTERY, TRACTOR S/N 8965035 & AFTER (04) - ELECTRICAL SYSTEMS
6
20
40
30
36
43
18a
29
25
2
16
23
37
2b
28
44
10
2
34
2a
47
24
28a
46
39
2c
9
33
3
15
32
7
18b
38a
35
48
12
3a
42
21
49
18
4
26
13
22
28b
45a
5a
17
1
31
7
27
38b
11
31a
9
45
19
41
38
14
2d
5
FIT
1:1
100%

Артикул

Название

Примечание

Количество

1

REF

INSTRUCTION

ALTERNATOR - electrical, see Figures 62 - 68

1шт.

2

D80884

HARNESS

- front, Includes: Ref. 2A and 2B, order D88442 Harness and 223-59 terminal

1шт.

2

D88442

HARNESS

- front, Includes: Ref. 2A and 2B

1шт.

2a

223-59

TERMINAL CONNECTOR

TERMINAL - eye for no. 8 stud, if used

1шт.

2b

223-94

TERMINAL CONNECTOR,Female, 14 - 16

TERMINAL - connects to blade terminal, if used

1шт.

2c

129-18

NUT,#12-24

- hex, no. 12 - 24 NC, plated, if used

1шт.

2c

825-1106

NUT,Hex, M6, Cl 8

- hex, 6 mm, plated, if used

1шт.

2d

193-60

LOCK WASHER,Int Tooth, 1/4"

WASHER, LOCK, Int Tooth, 1/4"

1шт.

3

D67721

SWITCH

SENDING UNIT - air filter restriction, has screw terminal, order Refs. 2B and 3A

1шт.

3a

A154782

SWITCH

SENDING UNIT - air filter restriction, has blade terminal, if used

1шт.

4

221-374

ELBOW,90 Degree, 1/8" NPT

FITTING - 90 degree

1шт.

5

D65446

SENDER UNIT

SENDING UNIT - engine water temperature

1шт.

5a

193-1000

NUT,Keps, w/LW,#10-32

- hex lock, no. 10 - 32 NF

1шт.

6

A22877

BREAKER,40A

CIRCUIT BREAKER - 40 amp

1шт.

7

182-145

SCREW,Sl Pan Hd, #10 - 32 x 1/2"

- pan head, slotted, no. 10 - 32 NF x 1/2"

2шт.

8

RESERVED

1шт.

9

193-1000

NUT,Keps, w/LW,#10-32

- hex lock, no. 10 - 32 NF

4шт.

10

D74343

PLATE

STRAP - breaker mounting

1шт.

11

13-412

BOLT,Hex, 1/4" - 20 x 3/4", Gr 5, Full Thd

1шт.

12

92-4

LOCK WASHER,1/4"

WASHER, LOCK, 1/4"

1шт.

13

95-4

WASHER,1/4"

- flat, 1/4"

1шт.

14

515-2295

CLAMP,3/8", Insul, 5/16" Bolt

- harness mounting

1шт.

15

D67876

ELECTRICAL WIRE

WIRE - jumper, used with Delco Starter

1шт.

15

D79476

ELECTRICAL WIRE

WIRE - jumper, used with Nippondenso Starter

1шт.

16

REF

INSTRUCTION

STARTER - engine, see Figures 70-74

1шт.

17

D73383

STRAP

CABLE - ground, Serial Range: starter-frame

1шт.

18

D73427

STRAP

CABLE - ground, Serial Range: battery-frame

1шт.

18a

193-85

LOCK WASHER,Ext Tooth, 5/8"

WASHER - lock, 5/8"

1шт.

18b

425-1410

JAM NUT,Jam, 5/8"-11, G5

- hex, lock, 5/8" - 11 NC

1шт.

19

413-632

BOLT,Hex, 3/8" - 16 x 2", Gr 5

- hex, 3/8" - 16 NC x 2"

1шт.

20

193-72

LOCK WASHER

- external-internal tooth, 3/8"

1шт.

21

13-161

LEVER

BOLT - hex, 3/8" - 16 NC x 1"

2шт.

22

R21385

CLAMP

- battery cable

2шт.

23

92-6

LOCK WASHER,3/8"

2шт.

24

25-106

NUT,3/8"-16, G5

- hex, 3/8" - 16 NC

2шт.

25

D44177

DRY BATTERY

- 6 volt, service replacement, must be used with nonspill caps

2шт.

When replacing battery, use the 3 nonspill caps from old battery or order 3 P/N A60553 nonspill caps.

1шт.

26

A60553

CAP

- battery, nonspill

6шт.

27

R11115

CABLE

- between batteries

1шт.

28

D80730

CLAMP BRACKET

HOLDDOWN - battery, crossbar type, if used

1шт.

28a

D90643

BATTERY BOX

HOLDDOWN - battery, frame type, if used

1шт.

Ref. 28A and 28B above may be used to change from crossbar type to frame type holddown. When making this change shorten door stop chain to five links or order D90646 chain. If batteries other than Case batteries are used, the size of Ref. 28B may change.

1шт.

28b

NSS

NOT SOLD SEPARAT

SPACER - used between batteries with frame type holddown, if used, use a piece of wood 3/4" (19.1 mm) x 1-5/8" (41.3 mm) x 12-1/2" (317.5 mm) long

1шт.

Refs. 28A and 28B above may be used to change from crossbar type to frame type holddown. When making this change shorten door stop chain to five links or order D90646 chain. If batteries other than Case batteries are used, the size of Ref. 28B may change.

1шт.

29

195-21

WASHER,5/16"

- flat, 5/16"

2шт.

30

131-4

LOCK NUT,5/16"-18, GB

NUT - hex, self lock, 5/16" - 18 NC

2шт.

31

D80892

CABLE

- battery, positive

1шт.

31a

D75043

HOSE

- cable insulating

1шт.

32

D63294

PRESSURE SWITCH

SENDING UNIT - oil pressure

1шт.

33

D65458

SWITCH

SENDING UNIT - oil filter restriction, stamped M4004-40, used with D73910 filter only, see Figure 368

1шт.

33

D87439

SWITCH

SENDING UNIT - oil filter restriction, stamped M4004-60, used with D84789 filter only, see Figure 368

1шт.

34

D75028

ELECTRICAL WIRE

HARNESS - fuel and filter restriciton senders

1шт.

35

193-1000

NUT,Keps, w/LW,#10-32

- hex, lock, no. 10 - 32 NC

1шт.

36

D63293

SENDER UNIT

SENDING UNIT - fuel

1шт.

37

A11822

GASKET

- fuel sender

1шт.

38

D75465

SCREW,#10 - 32 x 5/8"

- special sealing

4-5шт.

38a

182-553

SCREW,Cross Pan Hd, #10-32 x 5/8"

- pan head, no. 10 - 32 NF x 9/16", ground, if used

1шт.

38b

182-553

SCREW,Cross Pan Hd, #10-32 x 5/8"

WASHER - copper, ground screw, if used

1шт.

39

S113435

SWITCH

- neutral start, power shuttle

1шт.

39

A139078

SWITCH

- neutral start, mechanical shuttle, not shown

1шт.

40

L18331

CABLE TIE,375.9mm L, Nylon, Black

STRAP - wire harness

1шт.

41

113-2619

BOLT,Hex, 5/8" - 11 x 2", Gr 8

1шт.

42

129-183

NUT,5/8"-11, G8

1шт.

43

193-85

LOCK WASHER,Ext Tooth, 5/8"

WASHER - lock, 5/8"

1шт.

44

425-1410

JAM NUT,Jam, 5/8"-11, G5

- hex, lock, 5/8" - 11 NC

1шт.

45

D79078

CHAIN - door stop, used with crossbar type holddown

1шт.

45a

D90646

CHAIN (AG)

CHAIN - door stop, used with frame type holddown

1шт.

46

13-620

BOLT,Hex, 3/8" - 16 x 1-1/4", Gr 5, Full Thd

Chain attaching, drawbar models Hex, 3/8"-16 x 1 1/4", G5, Full Thd

1шт.

47

195-2034

WASHER,7/16" x 1 1/4" x .134"

- flat, 3/8", if used

2шт.

48

92-6

LOCK WASHER,3/8"

if used 3/8"

1шт.

49

25-106

NUT,3/8"-16, G5

- hex, 3/8" - 16 NC, if used

1шт.

Выбрано товаров: 71