Запчасти Case 580C (104) - CANOPY ELECTRICAL SYSTEM AND LIGHTS (04) - ELECTRICAL SYSTEMS

Схема запчастей Case 580C - (104) - CANOPY ELECTRICAL SYSTEM AND LIGHTS (04) - ELECTRICAL SYSTEMS
23
22
20
1b
24
2
7
30
6
25
22
28
29
9
17
14
3
10
31
8a
19
32
16
21
26
27
1
1a
15
12
5
13
18
11
4
25
8
FIT
1:1
100%

Артикул

Название

Примечание

Количество

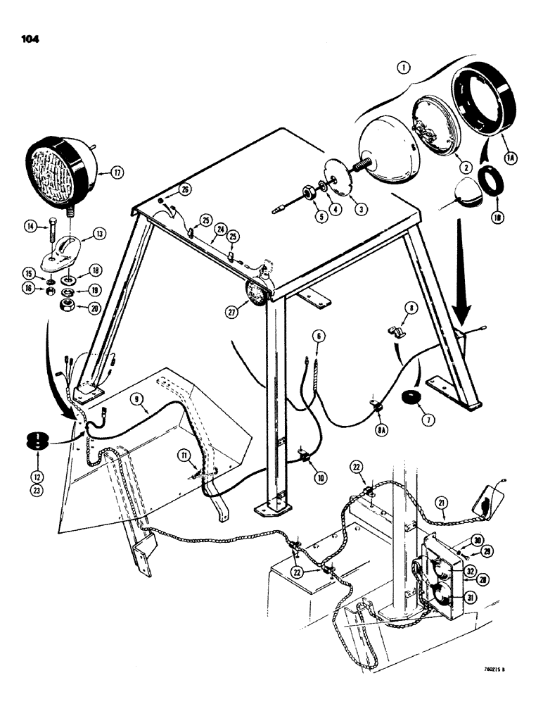
1

D88547

LAMP BASE

LIGHT ASSEMBLY - front, interchangeable with A59701, Includes: Ref. 1A, 1B and 2

2шт.

1a

A25213

RETAINER

light, locks to shell with 3 rubber tabs, if used

1шт.

1b

N6160

LAMP

RETAINER - light, locks over shell flange, if used

1шт.

2

A11280

LAMP

sealed beam, no. 4411

1шт.

3

A59702

RETAINER

WASHER

2шт.

4

193-87

LOCK WASHER,Ext-Int Tooth, 1/2"

WASHER, LOCK, Ext-Int Tooth, 1/2"

2шт.

5

129-105

NUT,Hex, 1/2" - 13, Gr 5

2шт.

6

D69263

ELECTRICAL WIRE

front lights

1шт.

7

49561

GROMMET,1/4" ID x 7/16" Groove Dia

rubber

1шт.

8

F93268

CLIP

wire, stick on type

5шт.

8a

80049853

YOKE

wire

3шт.

9

D70747

ELECTRICAL WIRE

rear fender light

1шт.

Used with fender mounted rear light

1шт.

10

515-23127

CLAMP,1/2", Insul, 3/8" Bolt

wire

1шт.

Used with fender mounted rear light

1шт.

11

L18331

CABLE TIE,375.9mm L, Nylon, Black

wire tie

3шт.

Used with fender mounted rear light

1шт.

12

D37936

GROMMET

rubber

1шт.

Used with fender mounted rear light

1шт.

13

A34046

BRACKET

rear fender light

1шт.

Used with fender mounted rear light

1шт.

14

113-209

BOLT,Hex, 3/8" - 16 x 1-1/2", Gr 5

1шт.

Used with fender mounted rear light

1шт.

15

192-21

LOCK WASHER,3/8"

WASHER, LOCK, 3/8"

1шт.

Used with fender mounted rear light

1шт.

16

129-103

NUT,Hex, 3/8" - 16, Gr 5

NUT, 3/8"-16, G5

1шт.

Used with fender mounted rear light

1шт.

17

D70115

LAMP

LIGHT - rear flood and tail, parts list Figure 114

1шт.

Used with fender mounted rear light

1шт.

18

195-533

WASHER,1/2", SAE

- flat, 1/2", plated

1шт.

Used with fender mounted rear light

1шт.

19

192-23

LOCK WASHER,1/2"

WASHER, LOCK, 1/2"

1шт.

Used with fender mounted rear light

1шт.

20

129-105

NUT,Hex, 1/2" - 13, Gr 5

1шт.

Used with fender mounted rear light

1шт.

21

D72920

HARNESS

used w/ upper rear lights and flashers

1шт.

Used with upper rear lights and flashers

1шт.

22

515-23127

CLAMP,1/2", Insul, 3/8" Bolt

harness, used w/ upper rear lights and flashers

3шт.

Used with upper rear lights and flashers

1шт.

23

D37936

GROMMET

rubber, used w/ upper rear lights and flashers

2шт.

Used with upper rear lights and flashers

1шт.

24

D72923

HARNESS

used w/ upper rear lights and flashers

1шт.

Used with upper rear lights and flashers

1шт.

25

F93268

CLIP

wire, stick on type, used w/ upper rear lights and flashers

2шт.

Used with upper rear lights and flashers

1шт.

26

L10082

GROMMET

rubber, used w/ upper rear lights and flashers

1шт.

Used with upper rear lights and flashers

1шт.

27

REF

INSTRUCTION

LIGHT ASSEMBLY - flood, parts list Figure 114, used w/ upper rear lights and flashers

2шт.

Used with upper rear lights and flashers

1шт.

28

D75557

BRACKET

mounting, used w/ upper rear lights and flashers

2шт.

Used with upper rear lights and flashers

1шт.

29

113-118

BOLT,Hex, 5/16" - 18 x 5/8", Gr 5

Used w/ upper rear lights and flashers Hex, 5/16"-18 x 5/8", G5, Full Thd

4-8шт.

Used with upper rear lights and flashers

1шт.

30

192-20

LOCK WASHER,Helical Spring, 0.318" ID, CST, ZND

WASHER, LOCK, , Used w/ upper rear lights and flashers 5/16"

4-8шт.

Used with upper rear lights and flashers

1шт.

31

D49733

LAMP

stop and tail, parts list Figure 112, used w/ upper rear lights and flashers

2шт.

Used with upper rear lights and flashers

1шт.

32

D49734

LAMP

parts list Figure 112, used w/ upper rear lights and flashers

2шт.

Used with upper rear lights and flashers

1шт.

Выбрано товаров: 59