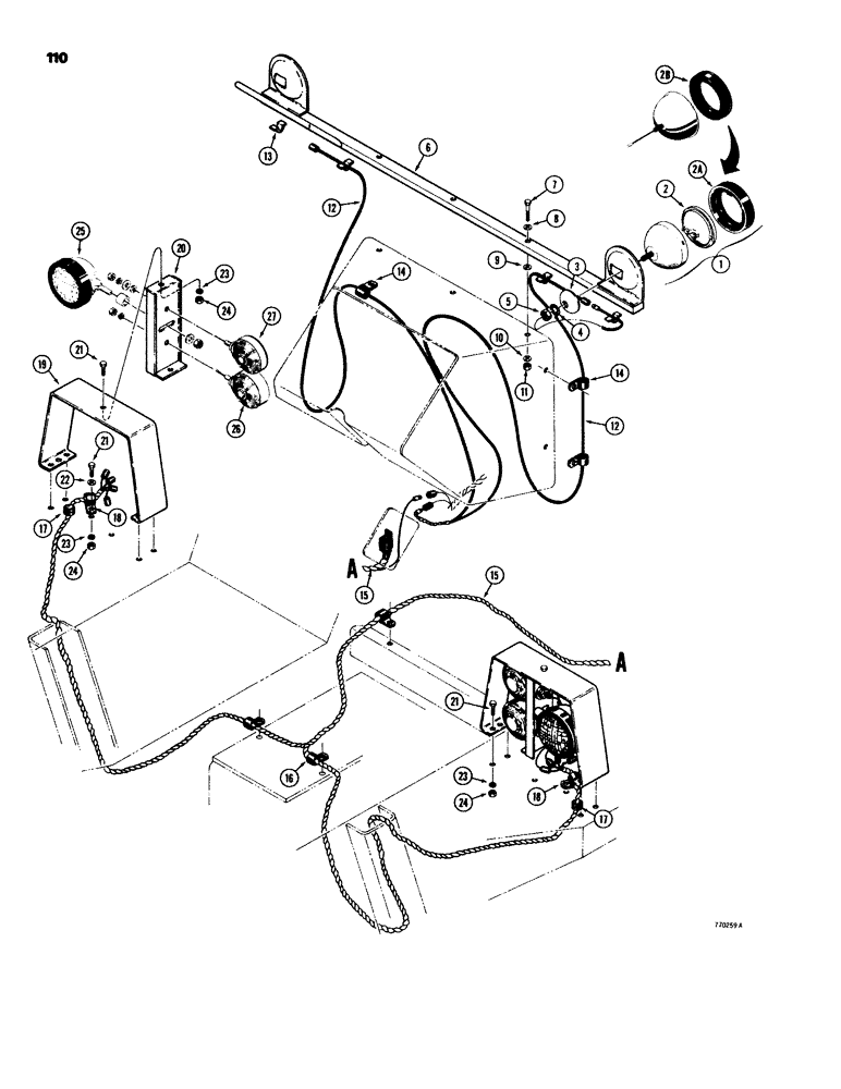
Запчасти Case 580C (110) - ELECTRICAL SYSTEM AND LIGHTS WITHOUT CANOPY OR CAB (04) - ELECTRICAL SYSTEMS

Схема запчастей Case 580C - (110) - ELECTRICAL SYSTEM AND LIGHTS WITHOUT CANOPY OR CAB (04) - ELECTRICAL SYSTEMS
23
23
22
8
25
18
21
15
24
24
1
9
14
18
5
21
24
20
21
11
2a
19
12
14
4
13
17
10
12
17
15
2b
3
7
16
26
2
6
23
27
FIT
1:1
100%

Артикул

Название

Примечание

Количество

1

D88547

LAMP BASE

LIGHT ASSEMBLY - front, interchangeable with A59701, Includes: Ref. 2, 2A and 2B

2шт.

2

A11280

LAMP

- sealed beam, no. 4411

1шт.

2a

A25213

RETAINER

- light, locks to shell with 3 rubber tabs, if used

1шт.

2b

N6160

LAMP

RETAINER - light, locks over shell flange, if used

1шт.

3

A59702

RETAINER

WASHER - retainer

2шт.

4

193-87

LOCK WASHER,Ext-Int Tooth, 1/2"

WASHER, LOCK, Ext-Int Tooth, 1/2"

2шт.

5

129-105

NUT,Hex, 1/2" - 13, Gr 5

2шт.

6

D77790

BAR

BRACKET - front lights

1шт.

7

113-120

BOLT,Hex, 5/16" - 18 x 1-3/4", Gr 5

3шт.

8

195-521

WASHER,5/16", SAE

- flat, 5/16", plated

3шт.

9

95-5

WASHER,3/8" x 7/8" x .083"

- flat, 5/16", used as spacer on models with hourmeter

2шт.

10

195-21

WASHER,5/16"

- flat, 5/16"

3шт.

11

131-4

LOCK NUT,5/16"-18, GB

NUT - hex, lock, 5/16" - 18 NC

3шт.

12

D69263

ELECTRICAL WIRE

WIRE - front lights

1шт.

13

F93268

CLIP

- wire, stick on type

4шт.

14

49853

TOOL

- wire

5шт.

15

D88629

HARNESS

- rear lights

1шт.

16

515-2363

CLAMP,M6.3, Insul, 3/8" Bolt

- wire

3шт.

17

D37936

GROMMET

- rubber

2шт.

18

66297

O-RING,0.07" Thk x 0.739" ID, -18, Cl 6, 90 Duro

- wire

2шт.

19

D58721

BRACKET

- rear light, outer

2шт.

20

D58713

LARGE PLATE

BRACKET - rear light, center

2шт.

21

13-612

BOLT,Hex, 3/8" - 16 x 3/4", Gr 5, Full Thd

14шт.

22

195-25

WASHER,3/8"

- plain, , clamps bolts only 3/8"

2шт.

23

92-6

LOCK WASHER,3/8"

14шт.

24

25-106

NUT,3/8"-16, G5

- hex, 3/8" - 16 NC

14шт.

25

REF

INSTRUCTION

LIGHT ASSEMBLY - rear flood, parts list Figure 114

2шт.

26

D49733

LAMP

LIGHT ASSEMBLY - stop and tail, parts list Figure 112

2шт.

27

D49734

LAMP

LIGHT ASSEMBLY - signal and flasher, parts list Figure 112

2шт.

Выбрано товаров: 29