Запчасти Case 580C (132) - WINDSHIELD WIPER MOTORS, FRONT WIPER MOTOR ONLY (04) - ELECTRICAL SYSTEMS

Схема запчастей Case 580C - (132) - WINDSHIELD WIPER MOTORS, FRONT WIPER MOTOR ONLY (04) - ELECTRICAL SYSTEMS
1
7
22
12
10
8
18
14
15
19b
19
19a
21
11
16
25
3
9
17
16
6
24
17b
20
13
2
23
5
15
17a
4
FIT
1:1
100%

Артикул

Название

Примечание

Количество

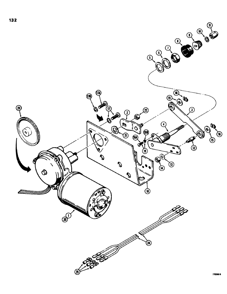
F93602

MOTOR, ELECTRIC

ASSEMBLY - wiper, with bracket, front windshield, Includes: Ref. 1 - 19

1шт.

1

F96765

WIPER MOTOR

ASSEMBLY - see parts list below, same as for rear wiper

1шт.

2

F64210

LEVER

ARM - drive

1шт.

3

D71427

LINK,85.85mm L

arm to shaft; Includes Two Nylon Bushings NSS

1шт.

D72848

SHAFT

ASSEMBLY - pivot, Includes: Ref. 4 - 14

1шт.

4

NSS

NOT SOLD SEPARAT

SHAFT - pivot

1шт.

D72848 pivot shaft assy - This is now replaced by following parts : 1 - 137961A1 - shaft/assy ,1 - 133935A1 - adapter kit (incl. pivot plate assy and gasket)

1шт.

5

D71417

SPECIAL WASHER

fiber

1шт.

6

D71418

WASHER

steel

1шт.

7

D71419

NUT

shaft

1шт.

8

D71420

CAP

shaft

1шт.

9

D71421

TOOL

DRIVE - knurled

1шт.

10

193-9

LOCK WASHER,Ext Tooth, 5/16"

WASHER, LOCK, Ext Tooth, 5/16"

1шт.

11

D71422

NUT

cap

1шт.

12

D73642

PIN

special

1шт.

13

193-60

LOCK WASHER,Int Tooth, 1/4"

WASHER, LOCK, Int Tooth, 1/4"

1шт.

14

425-154

JAM NUT,Jam, 1/4"-28, G5

1шт.

15

A22431

WASHER

spacer

2шт.

16

D71414

CLIP

spring

2шт.

17

D72849

SCREW

WASHER - bracket to motor, order Refs. 17A and 17B

3шт.

17a

182-528

SCREW,Sl Pan Hd, #10 - 32 x 1/2"

pan head, slotted, no. 10 - 32 NF x 1/2"

3шт.

17b

192-18

LOCK WASHER,Helical Spring, #10, 0.196" ID, CST, ZND

WASHER, LOCK, #10

3шт.

18

D72850

BRACKET

mounting

1шт.

19

NSS

NOT SOLD SEPARAT

SCREW AND WASHER - bracket to arm, order 19A and 19B

2шт.

19a

182-528

SCREW,Sl Pan Hd, #10 - 32 x 1/2"

pan head, slotted, no. 10 - 32 NF x 1/2", plated

2шт.

19b

192-18

LOCK WASHER,Helical Spring, #10, 0.196" ID, CST, ZND

WASHER, LOCK, #10

2шт.

F96765

WIPER MOTOR

ASSEMBLY - front and rear, Includes: Ref. 20 - 23

2шт.

20

NSS

NOT SOLD SEPARAT

wiper, front and rear motor

1шт.

21

D71411

WASHER

wave, front and rear motor

1шт.

22

F44452

LOCK NUT

shaft, 1/4" - 28 NF, front and rear motor

1шт.

23

N6029

GEAR

plastic drive, not illustrated, front and rear motor

1шт.

24

F64530

ELECTRICAL WIRE

electrical, required for motors without wires, front and rear motor

1шт.

25

223-154

CONNECTOR, ELEC

female, used with item 24, front and rear motor

3шт.

Выбрано товаров: 33