Запчасти Case 580C (134) - ROTATING BEACON AND RELATED PARTS, BEFORE TRACTOR S/N 8958213 (04) - ELECTRICAL SYSTEMS

Схема запчастей Case 580C - (134) - ROTATING BEACON AND RELATED PARTS, BEFORE TRACTOR S/N 8958213 (04) - ELECTRICAL SYSTEMS
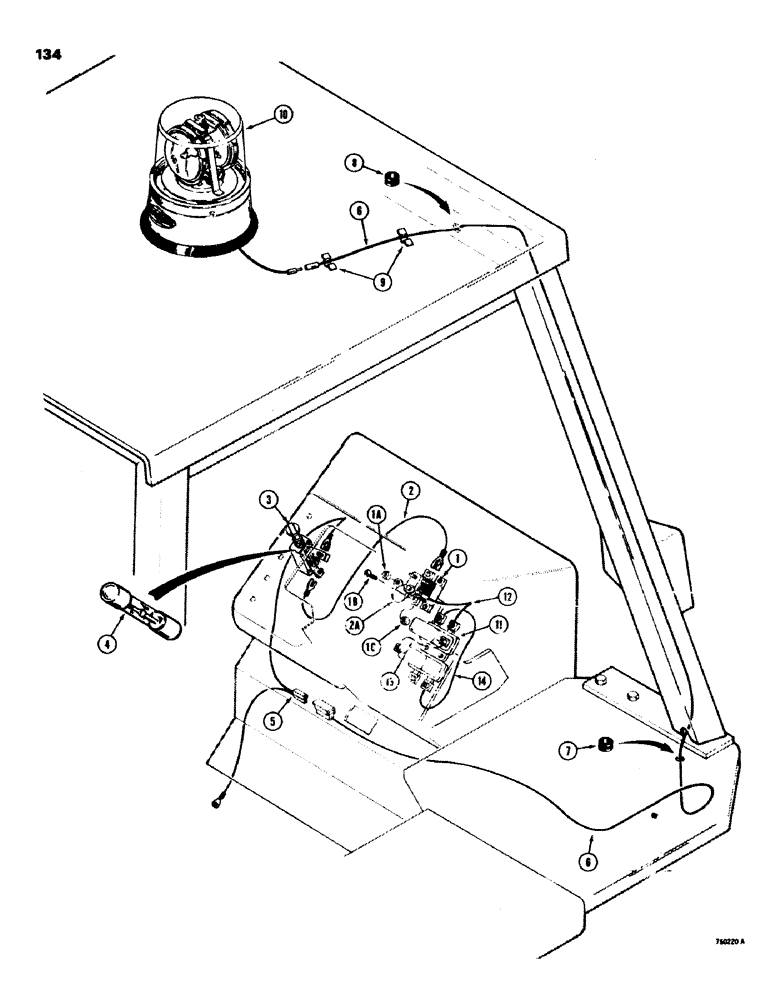
4
8
6
11
6
12
7
1
1b
10
1a
2
3
10
14
9
2a
6
5
FIT
1:1
100%

Артикул

Название

Примечание

Количество

1

D37203

BREAKER

CIRCUIT BREAKER - 15 amp

1шт.

1a

193-1000

NUT,Keps, w/LW,#10-32

- hex, no. 10 - 32 NF

2шт.

1b

182-186

SCREW - pan head, slotted, no. 8 - 32 NC x 1/2"

2шт.

1c

193-1002

NUT,Keps, #8 - 32, w/ Ext Tooth LW

- hex, no. 8 - 32 NC

2шт.

2

D76063

WIRE - breaker to beacon switch, may replace a two-piece wire on some units

1шт.

2a

D67962

WIRE - jumper, circuit breaker

1шт.

3

L16099

SWITCH

ASSEMBLY - beacon, included in L35092 Kit - see Figure 138, Includes: Ref. 4

1шт.

4

223-20

FUSE,20 Amp, Type SFE

- SFE 20

1шт.

5

D72915

WIRE - beacon and wiper, with eye terminal, order Refs. 5A and 5B

1шт.

5a

D75955

ELECTRICAL WIRE

WIRE - beacon and wiper, with spade connector, not illustrated

1шт.

5b

D76214

ELECTRICAL WIRE

WIRE - adapts spade connector to circuit breaker studs, not illustrated

1шт.

6

D72914

ELECTRICAL WIRE

WIRE - beacon switch to beacon wire, canopy only

1шт.

7

D37936

GROMMET

- wire

1шт.

8

L10082

GROMMET

- wire

1шт.

9

F93268

CLIP

- wire

2шт.

10

REF

INSTRUCTION

BEACON - rotating, parts list Figure 138

1шт.

11

L11508

RELAY

- electrical

1шт.

12

D67961

WIRE - circuit, Serial Range: breaker-relay

1шт.

13

D72922

WIRE - no. 1 relay terminal connecting

1шт.

14

D72939

ELECTRICAL WIRE

WIRE - no. 3 relay terminal connecting

1шт.

Выбрано товаров: 20