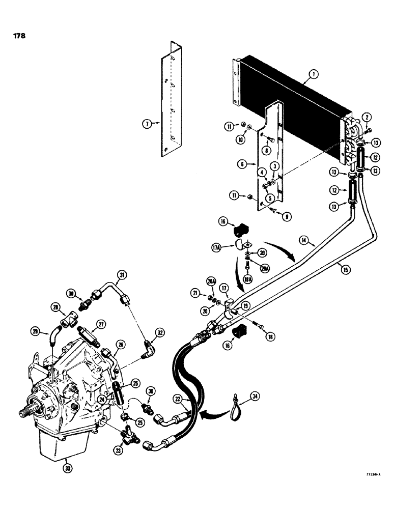
Запчасти Case 580C (178) - POWER SHUTTLE TRANSMISSION COOLING SYSTEM, TRACTOR S/N 8961374 & AFTER (06) - POWER TRAIN

Схема запчастей Case 580C - (178) - POWER SHUTTLE TRANSMISSION COOLING SYSTEM, TRACTOR S/N 8961374 & AFTER (06) - POWER TRAIN
23
19
32
3
24
21
6
20
13
13
13
13
20
2
20a
11
17
33
16
7
25
31
18
30
27
25
16
20a
1
14
17a
11
26
28
8
29
5
9
34
22
4
18a
12
30
15
12
10
FIT
1:1
100%

Артикул

Название

Примечание

Количество

1

D76097

COOLER

- transmission oil

1шт.

2

13-512

BOLT,Hex, 5/16" - 18 x 3/4", Gr 5

4шт.

3

195-21

WASHER,5/16"

- flat, 5/16"

4шт.

4

92-5

LOCK WASHER,5/16"

4шт.

5

9635082

NUT,5/16" - 18, Gr 5

- hex, 5/16" - 18 NC

4шт.

6

D76570

BRACKET

- cooler, RH

1шт.

7

D76569

STABILIZER

BRACKET - cooler, LH

1шт.

8

13-616

BOLT,Hex, 3/8" - 16 x 1", Gr 5, Full Thd

2шт.

9

13-612

BOLT,Hex, 3/8" - 16 x 3/4", Gr 5, Full Thd

2шт.

10

95-6

WASHER,3/8"

- flat, 3/8"

2шт.

11

131-652

LOCK NUT,3/8"-16, GB

NUT - hex, lock, 3/8" - 16 NC

4шт.

12

D69050

HOSE

- cooler to tubes, 1/2" (13 mm) ID x 3" (76 mm) long

2шт.

13

214-253

HOSE CLAMP,#10, 0.56" - 1.06", Type F Worm

CLAMP - hose

4шт.

14

D79764

TUBE,0.5" OD x 17.19, 24.4" L

- cooler inlet

1шт.

15

D76602

TUBE,0.5" OD x 22.7, 26.06" L

- cooler outlet

1шт.

16

D67296

GROMMET

BLOCK - tube isolation

4шт.

17

D68646

CLAMP

- tube, double

1шт.

17a

D68638

CLAMP

- tube, single

2шт.

18

13-628

BOLT,Hex, 3/8" - 16 x 1-3/4", Gr 5

1шт.

18a

13-610

BOLT,Hex, 3/8" - 16 x 5/8", Gr 5, Full Thd

2шт.

19

D76195

SPACER,10.31mm ID x 15.88mm OD x 17.78mm L

- tube clamp, double clamp

1шт.

20

195-25

WASHER,3/8"

- flat, 3/8"

3шт.

20a

92-6

LOCK WASHER,3/8"

3шт.

21

25-106

NUT,3/8"-16, G5

- hex, 3/8" - 16 NC, double clamp

1шт.

22

D69051

HOSE

- shuttle to tubes, 18" (457 mm) long

2шт.

23

D68972

CONNECTOR, ELEC

FITTIN - 4-way

1шт.

24

D55583

HOSE,12.7 mm ID x 101.60 mm, SAE 100R3

Shuttle Inlet 12.7 mm ID x 101.60 mm, SAE 100R3

1шт.

25

214-253

HOSE CLAMP,#10, 0.56" - 1.06", Type F Worm

CLAMP - hose

2шт.

26

D68973

HYD TUBE,0.5" OD x 4.84, 2.51" L

TUBE - shuttle outlet

1шт.

27

D48540

VALVE POPPET

VALVE - relief

1шт.

28

221-423

TEE,3/8" NPT

FITTING - 3 way, 3/8" NPT

1шт.

29

D48539

FITTING

- pipe elbow, 75 degree special

1шт.

30

218-444

HYD CONNECTOR,3/4" - 16 Male JIC x 3/8" - 18 Male NPTF

FITTING - straight, male adapter

2шт.

31

D48523

TUBE

- shuttle inlet

2шт.

32

218-484

ELBOW,90 Degree Elbow, 3/4" - 16 Male JIC x 3/8" - 18 Male NPTF

FITTING - 90 degree, male

1шт.

33

REF

INSTRUCTION

SHUTTLE ASSEMBLY - see Figure 180

1шт.

34

L18331

CABLE TIE,375.9mm L, Nylon, Black

STRAP - tie, hoses, if used

1шт.

Выбрано товаров: 37