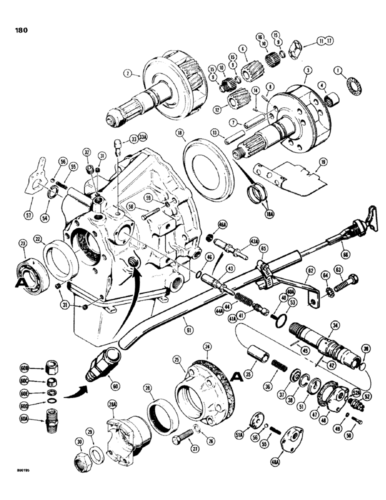
Запчасти Case 580C (180) - POWER SHUTTLE TRANSMISSION, HOUSING, PINION CAGE, AND OUTPUT SHAFT (06) - POWER TRAIN

Схема запчастей Case 580C - (180) - POWER SHUTTLE TRANSMISSION, HOUSING, PINION CAGE, AND OUTPUT SHAFT (06) - POWER TRAIN
37
50
55
54
56
30
8
18a
41
27
26
39
52a
15
33
60
3
35
49
55
66
46
41a
65
33a
7
24
63
28a
34
17
9
60c
59
1
40a
16
58
48
29
10
31
53
18
4
51a
36
45
60a
43
42
13
60d
57
15
15
60b
61
43a
14
9
28
47
11
12
46a
44
44a
25
23
62
2
10
31
40
64
51
56
6
32
22
9
19
48a
60e
38
52
FIT
1:1
100%

Артикул

Название

Примечание

Количество

D73384

SPARE PART

SHUTTLE ASSEMBLY - complete, used before tractor, see Figures 180 - 190 for components, Includes: Ref. 1 - 18, Serial Range: -8955232

1шт.

329669A1

REMAN-TORQ CONV PS K

Power Shuttle 329669A1 includes a reman power shuttle (DR140175) with a reman converter (103293A1R)

1шт.

329669A1C

CORE-TORQ CONV PS KI

Return Part Number, Power Shuttle 329669A1 includes a reman power shuttle (DR140175) with a reman converter (103293A1R)

1шт.

D75364

CLUTCH ASSEMBLY

SHUTTLE ASSEMBLY - complete, used on tractor, see Figures 180 - 190 for components, Includes: Ref. 1 - 18, Serial Range: 8992801-8955232

1шт.

D75694

CLUTCH ASSEMBLY

SHUTTLE ASSEMBLY - complete, used on tractor, see Figures 180 - 190 for components, Includes: Ref. 1 - 18, Start Serial: 8992802

1шт.

1

D50055

WASHER, THRUST,22.38mm ID x 44.45mm OD x 1.6mm Thk

WASHER - thrust, clutch hub

1шт.

2

D70665

GEAR

PINION CAGE AND OUTPUT SHAFT, Includes: Ref. 3 - 11

1шт.

3

NSS

NOT SOLD SEPARAT

CAGE AND SHAFT - basic

1шт.

4

H747964

NEEDLE BEARING,Needle, 20.64mm ID x 26.99mm OD x 22.23mm W

BEARING - needle

1шт.

5

RESERVED

1шт.

D50030

GEAR

KIT - inner pinion, Includes: Ref. 6 - 11

3шт.

6

NSS

NOT SOLD SEPARAT

GEAR - inner pinion

1шт.

7

NSS

NOT SOLD SEPARAT

SHAFT - pinion

1шт.

8

NSS

NOT SOLD SEPARAT

PIN - shaft retaining

1шт.

9

NSS

NOT SOLD SEPARAT

SPACER - pinion bearing

3шт.

10

NSS

NOT SOLD SEPARAT

ROLLER - pinion

48шт.

11

NSS

NOT SOLD SEPARAT

PLATE - thrust

2шт.

D50031

KIT

KIT - outer pinion, Includes: Ref. 12 - 17

3шт.

12

NSS

NOT SOLD SEPARAT

GEAR - outer pinion

1шт.

13

NSS

NOT SOLD SEPARAT

SHAFT - pinion

1шт.

14

NSS

NOT SOLD SEPARAT

PIN - shaft retaining

1шт.

15

NSS

NOT SOLD SEPARAT

SPACER - pinion bearing

3шт.

16

NSS

NOT SOLD SEPARAT

ROLLER - pinion

48шт.

17

NSS

NOT SOLD SEPARAT

PLATE - thrust

2шт.

18

D50087

RING

RING - collector

1шт.

18a

D50080

RING,40.25mm ID x 44.36mm OD x 2.38mm Thk

RING - seal

1шт.

19

D50056

GUARD

BAFFLE - plate

1шт.

20

RESERVED

1шт.

21

RESERVED

1шт.

22

D50057

SLEEVE

SLEEVE - rear bearing spacer

1шт.

23

40011

BEARING,1.378" ID x 3.1496" OD x 0.8268"

BEARING - output shaft

1шт.

24

D50058

GASKET

GASKET - bearing retainer

1шт.

25

D50059

BEARING HOUSING

RETAINER - rear bearing

1шт.

26

92-7

LOCK WASHER,7/16"

LOCK WASHER, 7/16"

6шт.

27

13-718

SCREW,Hex, 7/16" - 14 x 1 1/8", Gr 5

BOLT, Hex, 7/16"-14 x 1 1/8", G5, Full Thd

6шт.

28

D50060

SEAL,53.98mm ID x 77.93mm OD x 13.11mm Thk

SEAL - oil, rear

1шт.

28a

D69669

YOKE

UNIVERSAL JOINT YOKE FLANGE - drive shaft mounting, used tractor, Serial Range: -8955232

1шт.

28a

D73776

FLANGE

FLANGE - drive shaft mountin, used on tractor, Start Serial: 8955232

1шт.

29

D65247

WASHER

WASHER - output shaft

1шт.

345-84

ADHESIVE

SEAL - 3 oz. (89 ml) of sealer in tube, not shown, can be used between D65247 washer and end of shaft

1шт.

30

131-37

LOCK NUT,3/4"-16

NUT - hex, lock, 3/4" - 16 NF

1шт.

31

221-849

PLUG,Hex Soc, 1/8"-27

PLUG - hex socket head, 1/8" NPT

3шт.

32

221-843

PLUG,Hex Soc, 3/8"-18

PLUG - hex socket head, 3/8" NPT

1шт.

33

D50062

BREATHER

BREATHER - shuttle

1шт.

33a

D74695

BREATHER

BREATHER - shuttle sn 151 - 471 only

1шт.

D70652

HYDRAULIC VALVE

VALVE ASSEMBLY - used before tractor sn 8952352, Includes: Refs. 34 - 46A, order D75487 for service

1шт.

D75487

VALVE

SPARE PART VALVE ASSEMBLY - used on tractor sn 8952352 thru 8955262, Includes: Refs. 34 - 46A, order D77473

1шт.

D77473

VALVE

VALVE ASSEMBLY - used on tractor sn 8955232 and after, Includes: Refs. 34 - 46A

1шт.

34

NSS

NOT SOLD SEPARAT

BODY - valve

1шт.

35

D50089

VALVE

VALVE - pressure regulator

1шт.

36

D50090

SPRING

SPRING - valve

1шт.

37

D50092

RING

RETAINER - spring

1шт.

38

D50092

RING

RING - spring retaining

1шт.

39

41-12

PLUG,Exp, 3/4"

PLUG - expansion

1шт.

40

D70671

SPRING

SPRING - clutch cutout, D70652 and D75487 valves

1шт.

40a

D77476

SPRING

SPRING - clutch cutout, D77473 valve

1шт.

41

D70655

SPOOL

SPOOL - D70652 and D75487 valves

1шт.

41a

D77474

SPOOL

SPOOL - D77473 valve

1шт.

42

138-28

LOCK PIN,5/64" x 1", Slotted

PIN, , If used, use 135-198 groove pin 5/64" x 1", Slotted

1шт.

42

135-198

GROOVED PIN,5/64" x 1", Type B

PIN, GROOVED, , If used 5/64" x 1", Type B

1шт.

43

NSS

NOT SOLD SEPARAT

PLUNGER - D70652 valve, order D75490 kit

1шт.

43a

D75488

PLUNGER

PLUNGER - D75487 and D77473 valves

1шт.

Part of valve plunger and seal replacement kit P/N D75490

1шт.

44

D70673

SPRING

SPRING - plunger, D70652 valve, order D75490 kit

1шт.

44a

D77475

SPRING

SPRING - plunger, D77473 valve

1шт.

45

138-59

LOCK PIN,1/8" x 7/8", Slotted

PIN, , If used 1/8" x 7/8", Slotted

1шт.

Part of valve plunger and seal replacement kit P/N D75490

1шт.

45

135-229

GROOVED PIN,1/8" x 7/8", Type B

PIN, GROOVED, , If used, use 138-59 roll pin 1/8" x 7/8", Type B

1шт.

46

NSS

NOT SOLD SEPARAT

SEAL - D70652 valve, order D75490 kit

1шт.

46a

D77581

KIT

SEAL - oil, D75487 and D77437 valves, includes installation tool

1шт.

Part of valve plunger and seal replacement kit P/N D75490

1шт.

47

D50066

GASKET,0.41mm Thk

GASKET - valve cover

1шт.

Part of valve plunger and seal replacement kit P/N D75490

1шт.

48

D72822

COVER

COVER - valve, without ball detent, if used

1шт.

48a

D86488

COVER

COVER - valve, with ball detent, if used

1шт.

49

92-4

LOCK WASHER,1/4"

WASHER, LOCK, 1/4"

3шт.

50

13-414

BOLT,Hex, 1/4" - 20 x 7/8", Gr 5, Full Thd

BOLT, Hex, 1/4"-20 x 7/8", G5, Full Thd

3шт.

51

D70660

CAM

CAM - neutral start switch, without ball detent, if used

1шт.

51a

D86489

CAM

CAM - neutral start switch, with ball detent, if used

1шт.

52

S113435

SWITCH

SWITCH - neutral start, Includes: Ref. 52A - 57

1шт.

52a

218-5005

O-RING,0.078" Thk x 0.468" ID, -906, Cl 6, 90 Duro

O-Ring, 6-1, 90 Duro, .468" ID x .078" Thk, neutral start switch, if used

1шт.

53

D37156

O-RING,0.07" Thk x 1.051" ID, -23, Cl 5, 75 Duro

O-RING

1шт.

54

A75171

SNAP RING,#112, 1.060", Ext

RING - retaining

1шт.

55

S47892

SPRING

SPRING - poppet, located at cam or lever end of valve

1шт.

56

211-9

BALL,5/16" Dia

BALL - steel, , located at cam or lever end of valve 5/16" Dia

1шт.

Part of valve plunger and seal replacement kit P/N D75490

1шт.

57

D77621

LEVER

LEVER - shift

1шт.

58

13-752

BOLT,Hex, 7/16" - 14 x 3-1/4", Gr 5

BOLT, Hex, 7/16"-14 x 3 1/4", G5

6шт.

59

92-7

LOCK WASHER,7/16"

LOCK WASHER, 7/16"

6шт.

60

222-3006

FITTING,1 1/2"-12 x 3/4" NPT

CONNECTOR - male, straight, Includes: Ref. 60A - 60E

1шт.

60a

NSS

NOT SOLD SEPARAT

BODY - connector

1шт.

60b

222-3111

TUBE NUT,1"-12

NUT - connector

1шт.

60c

222-3105

SLEEVE,1" Tube

SLEEVE - connector

1шт.

60d

A7623

O-RING,0.139" Thk x 0.984" ID, -214, Cl 5, 75 Duro

O-RING - connector

1шт.

60e

D54295

RING

RING - backup, connector o-ring

1шт.

61

D70393

TUBE,1" OD x 9.53, 14.37" L

TUBE - filler, power shuttle

1шт.

62

D80894

SUPPORT

PLATE - mounting

1шт.

63

413-632

BOLT,Hex, 3/8" - 16 x 2", Gr 5

BOLT - hex, 3/8" - 16 NC x 2"

1шт.

64

193-72

LOCK WASHER

WASHER - external-internal tooth lock, 3/8'

1шт.

65

214-255

HOSE CLAMP,#16, 0.81" - 1.5", Type F Worm

HOSE CLAMP, - filler tube mounting #16, 0.81/1.50 Type F Worm

1шт.

66

D75468

DIPSTICK

DIPSTICK - tractor, Serial Range: -8955232

1шт.

66

D78855

DIPSTICK,653.8mm L

DIPSTICK - tractor, Start Serial: 8955232

1шт.

D75490

PLUNGER

KIT - valve plunger and seal replacement, Includes: Refs. 43A, 45, 46A, 47 and 56

1шт.

D103218

BEARING ASSY

KIT bearing

1шт.

D103219

PACKAGE

KIT overhaul, clutch

1шт.

D103220

SEAL PACKAGE

KIT seal, gasket

1шт.

Выбрано товаров: 106