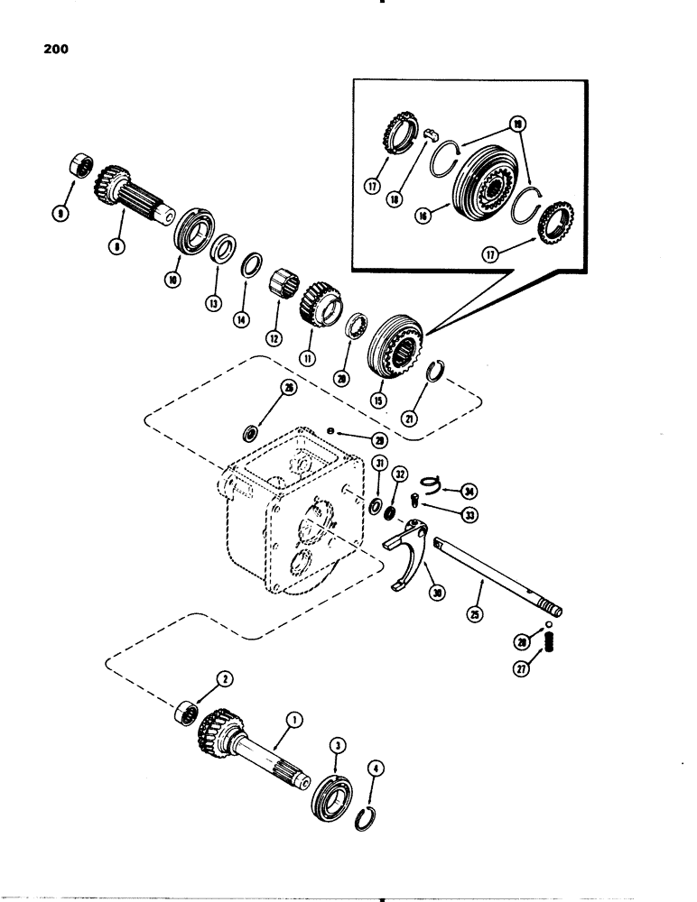
Запчасти Case 580C (200) - SHUTTLE INPUT GEAR, 2-SPEED MECHANICAL SHUTTLE (06) - POWER TRAIN

Схема запчастей Case 580C - (200) - SHUTTLE INPUT GEAR, 2-SPEED MECHANICAL SHUTTLE (06) - POWER TRAIN
17
4
31
17
32
13
19
20
28
21
25
26
1
34
11
30
10
16
2
8
14
33
18
29
9
12
3
15
27
FIT
1:1
100%

Артикул

Название

Примечание

Количество

1

A51939

PINION

GEAR - input (28 helical teeth)

1шт.

2

A35767

NEEDLE BEARING,Needle, 34.91mm ID x 44.46mm OD x 19.05mm W

needle, 1-3/8 x 1-3/4 x 3/4" (34.93 x 44.45 x 19.05 mm)

1шт.

3

L31014

BALL BEARING,50mm ID x 90.03mm OD x 20mm W

ball, with snap ring, 2 x 3-1/2 x 3/4" (50.8 x 88.89 x 19.05 mm)

1шт.

4

A27209

RING

snap, bearing retaining

1шт.

8

A138343

PINION

GEAR - output shaft (25 helical teeth)

1шт.

9

G10419

NEEDLE BEARING

needle, 1-3/8 x 1-3/4 x 3/4" (34.93 x 44.45 x 19.05 mm), shuttle output gear

1шт.

10

G13606

BALL BEARING

ball, with snap ring, 1-9/16 x 3-1/8 x 1, shuttle output gear1/16" (39.69 x 79.38 x 17.46 mm)

1шт.

11

A144361

GEAR

output (27 external teeth), shuttle output gear

1шт.

12

G16619

SLEEVE

BUSHING - output gear (24 internal teeth), shuttle output gear

1шт.

13

A144672

COLLAR

shuttle output gear

1шт.

14

A144491

WASHER

thrust, output gear

1шт.

15

A151114

HUB

SYNCHRONIZER ASSEMBLY - forward and reverse (Replaces A51874), shuttle output gear, Includes: Ref. 16 - 19

1шт.

16

NSS

NOT SOLD SEPARAT

HUB AND SLEEVE ASSEMBLY, shuttle output gear

1шт.

17

G46077

RING

blocking, shuttle output gear

2шт.

18

G46078

PLATE

shifter, shuttle output gear

3шт.

19

A40766

SPRING

lock ring, shuttle output gear

2шт.

20

G16625

COLLAR

thrust, synchronizer, 1-1/2 x 2-1/16 x 9/32" (38 x 52.39 x 7.14 mm), shuttle output gear

1шт.

21

A27568

RING

snap, synchronizer retaining, 0.093" (2.38 mm), shuttle output gear

1шт.

21

G46097

RING

snap, synchronizer retaining, 0.088" (2.24 mm), shuttle output gear

1шт.

21

A27567

RING

snap, synchronizer retaining, 0.084" (2.14 mm), shuttle output gear

1шт.

21

A27566

RING

snap, synchronizer retaining, 0.080" (2.05 mm), shuttle output gear

1шт.

21

A27565

RING

snap, synchronizer retaining, 0.076" (1.95 mm), shuttle output gear

1шт.

25

A138294

RAIL

shuttle shifter mechanism

1шт.

26

A50421

OIL SEAL,19.05mm ID x 31.95mm OD x 6.73mm Thk

oil, rail (in range housing) 3/4 x 1-1/2 x 1/4" (19.05 x 38 x 6.35 mm), shuttle shifter mechanism

1шт.

27

G47039

SPRING

detent ball, shuttle shifter mechanism

1шт.

28

211-11

BALL,3/8" Dia

detent, meter (9.53 mm), shuttle shifter mechanism 3/8" Dia

1шт.

29

A39321

PLUG,Cup, 7/16"

housing rail boss, 7/16" cup type (11.11 mm), shuttle shifter mechanism

1шт.

30

A51943

FORK

shuttle shifter mechanism

1шт.

31

A30881

SEALING WASHER,19.45mm ID x 31.35mm OD

stop, 3/4 x 1-1/4 x 20 gauge steel (19.05 x 31.75 x 1.59 mm), shuttle shifter mechanism

1шт.

32

A58608

GASKET

washer- stop, 3/4 x 1 x 1/16" nylon (19.05 x 25.4 x 1.59 mm), shuttle shifter mechanism

1шт.

33

A29964

LOCK SCREW,Sq Hd, 3/8" - 24 x 27/32", Drilled

fork, shuttle shifter mechanism

1шт.

34

A29966

ELECTRICAL WIRE

lock, fork screw, shuttle shifter mechanism

1шт.

Выбрано товаров: 32