Запчасти Case 580C (204) - RANGE OUTPUT SHAFT, 2- SPEED MECHANICAL SHUTTLE (06) - POWER TRAIN

Схема запчастей Case 580C - (204) - RANGE OUTPUT SHAFT, 2- SPEED MECHANICAL SHUTTLE (06) - POWER TRAIN
20
33
15
4
29
1
2
10
25
31
8
37
32
19
7
5
23
31
11
22
6
34
38
35
28
32
24
3
21
9
18
14
36
13
12
30
33
FIT
1:1
100%

Артикул

Название

Примечание

Количество

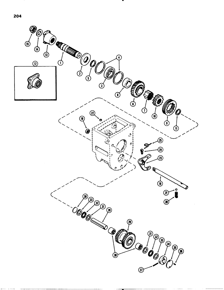
1

A51947

SHAFT

range output

1шт.

2

A51948

OIL SEAL

oil, 9/16 x 3-5/32 x 5/16" (39.69 x 80.17 x 7.94 mm)

1шт.

3

B18215

BALL BEARING,1.5748" ID x 3.1496" OD x 0.7087"

ball, 1-9/16 x 3-1/4 x 11/16" (39.69 x 82.55 x 17.46 mm)

1шт.

4

A27579

RING

snap, bearing retaining, 3-9/32" OD (83.34 mm)

2шт.

5

A26946

RING

snap, bearing retaining, 1-7/16" OD (36.51 mm)

1шт.

6

G16620

GEAR

range (12 and 32 external teeth)

1шт.

7

G16619

SLEEVE

range gear (24 internal teeth)

1шт.

8

A140687

SPACER

thrust, range gear, 1-9/16 x 2-1/4 x 13/16" (39.69 x 57.15 x 20.64 mm)

1шт.

9

A148437

COLLAR

range shift (12 internal teeth) (Replaces A38153)

1шт.

10

G16621

CARRIER

range shift collar (12 external and 24 internal teeth)

1шт.

11

A27568

RING

snap, carrier retaining, 0.093" (2.38 mm)

1шт.

11

G46097

RING

snap, carrier retaining, 0.088" (2.24 mm)

1шт.

11

A27567

RING

snap, carrier retaining, 0.084" (2.14 mm)

1шт.

11

A27566

RING

snap, carrier retaining, 0.080" (2.05 mm)

1шт.

11

A27565

RING

snap, carrier retaining, 0.076" (1.94 mm)

1шт.

12

A150511

YOKE

range output shaft (Used tractor), Start Serial: 8955232

1шт.

13

A51949

YOKE

range output shaft (Used tractor), Serial Range: -8955232

1шт.

14

G46082

WASHER

yoke, 1 x 1-9/16 x 1/8" (25.4 x 39.69 x 3.18 mm)

1шт.

15

131-583

LOCK NUT,1"-14

LOCKNUT - yoke retaining

1шт.

18

A140744

RAIL

dual range shift mechanism

1шт.

19

A26778

SEAL

oil, shifter rail, 5/8 x 1-1/8 x 3/8" (15.88 x 28.58 x 9.53 mm), range shift mechanism

1шт.

20

G47039

SPRING

detent ball, range shift mechanism

1шт.

21

211-11

BALL,3/8" Dia

detent, meter (9.53 mm), range shift mechanism 3/8" Dia

1шт.

22

A39321

PLUG,Cup, 7/16"

housing rail boss, 7/16" cup type (11.11 mm), range shift mechanism

1шт.

23

A51951

FORK

range shift mechanism

1шт.

24

A29964

LOCK SCREW,Sq Hd, 3/8" - 24 x 27/32", Drilled

range shift fork, mechanism

1шт.

25

A29966

ELECTRICAL WIRE

lock, range fork screw, coutershaft

1шт.

28

G16606

SHAFT

COUNTERSHAFT - range, 4-9/16" long (115.89 mm)

1шт.

29

A140923

GEAR

countershaft (27 and 34 external teeth), range

1шт.

30

F51079

NEEDLE BEARING

needle, 1 x 1-15/16 x 1" (25.4 x 33.34 x 25.4 mm), range coutershaft

2шт.

31

G46082

WASHER

thrust, inner, 1 x 1-9/16 x 1/8" (25.4 x 39.69 x 3.18 mm), range coutershaft

2шт.

32

G13609

THRUST BEARING,25.4mm ID x 39.67mm OD x 1.98mm W

BEARING, THRUST, Range countershaft

2шт.

33

G46081

BEARING WASHER

thrust, outer, 1 x 1-9/16 x 1/8" (25.4 x 39.69 x 2.38 mm), range coutershaft

2шт.

34

G16607

COLLAR

countershaft (solid), range

1шт.

35

G16608

SHIM,.005" Thk

Collar (0.14 mm), Range countershaft .005" Thk

1шт.

36

138-88

LOCK PIN,3/16" x 1/2", Slotted

PIN, , Collar, range countershaft 3/16" x 1/2", Slotted

2шт.

37

138-104

LOCK PIN,3/16" x 2", Slotted

PIN, , Collar to shaft, range countershaft 3/16" x 2", Slotted

1шт.

38

41-20

PLUG,Exp, 1 1/4"

countershaft hole, 1-1/4" expansion (31.75 mm), range

1шт.

Выбрано товаров: 38