Запчасти Case 380CK (078) - CLUTCH (06) - POWER TRAIN

Схема запчастей Case 380CK - (078) - CLUTCH (06) - POWER TRAIN
FIT
1:1
100%

Артикул

Название

Примечание

Количество

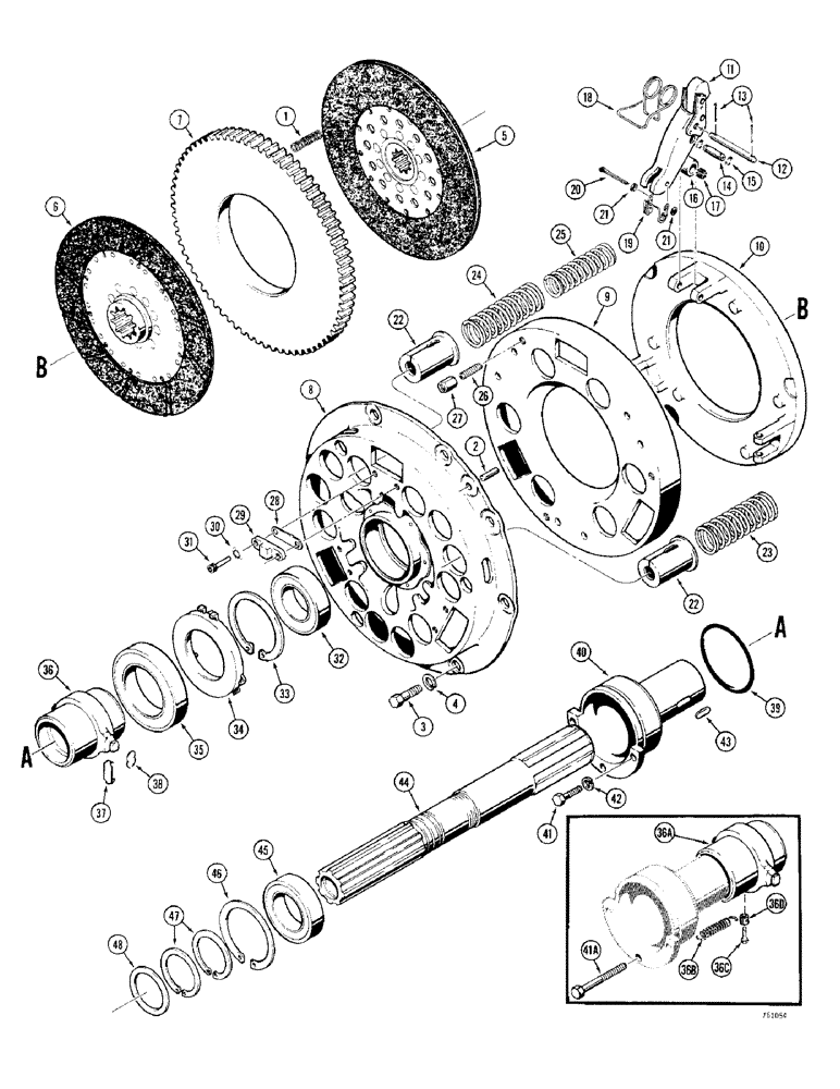
1

K13226

SPRING

- flywheel

3шт.

2

K621838

PIN

DOWEL - clutch cover

2шт.

3

13-614

BOLT,Hex, 3/8" - 16 x 7/8", Gr 5, Full Thd

9шт.

4

192-21

LOCK WASHER,3/8"

WASHER, LOCK, 3/8"

9шт.

5

K89322

CLUTCH & DISC ASSY

DISC ASSEMBLY - clutch, PTO

1шт.

K961828

KIT

FACING KIT - includes two facings and rivets, not illustrated

1шт.

6

K948966

CLUTCH DISC

DISC ASSEMBLY - clutch, transmission

1шт.

K964903

FACING

KIT - includes two facings and rivets, not illustrated

1шт.

7

K906200

DISC

PLATE - separator

1шт.

K918611

CLUTCH ASSEMBLY

COVER AND PRESSURE PLATE ASSEMBLY, Inlcudes: Ref. 8 - 34

1шт.

8

K918612

COVER

- outer

1шт.

9

K918613

COVER

- inner

1шт.

10

K900253

PLATE

- pressure

1шт.

11

K900275

LEVER

- release

3шт.

12

K900266

PIN

- lever

3шт.

13

132-24

COTTER PIN,3/32" x 1/2"

PIN, SPLIT (COTTER), 3/32" x 1/2"

6шт.

14

K900265

PIN

- roller

3шт.

15

K900274

RING, SNAP

RING - retaining

6шт.

16

K900264

ROLLER

3шт.

17

K900273

NEEDLE

- release lever

57шт.

18

K961128

SPRING

- rattle prevention

3шт.

19

K900267

RETAINER

SPRING - retainer, release lever

3шт.

20

K900278

PIN

- cotter, lever

3шт.

21

K900280

WASHER

- cotter pin

6шт.

22

K900256

SPRING

CUP - spring, clutch cover

12шт.

23

K902514

SPRING

- thrust, PTO, buff color

6шт.

24

K902512

SPRING

- transmission, outer, brown color

6шт.

25

K902513

SPRING

- transmission, inner, brown color

6шт.

26

K918607

SCREW

- adjusting, 5/16"-24 NF

3шт.

27

K918608

NUT

- special lock, 5/16"-24 NF

3шт.

28

K900258

SHIM,.002" Thk

(0.051mm) .002" Thk

1шт.

29

K900257

PAD

- adjusting, lever

3шт.

30

K900279

WASHER

- internal tooth lock

6шт.

31

K900272

SCREW

- hex, socket head

6шт.

32

K89325

BALL BEARING,45mm ID x 75mm OD x 16mm W

BEARING - ball

1шт.

33

K89326

RING, SNAP

RING - retaining

1шт.

34

K900268

PLATE

- release lever

1шт.

35

K620112

ROLLER

BEARING - thrust

1шт.

36

K921596

SLIPPER

CARRIER - bearing, used before sn. 636891

1шт.

36a

K952140

SLIPPER

CARRIER - bearing, used on sn. 636891 and after

1шт.

36b

K624938

SPRING

- carrier, used with item 36A

1шт.

36c

13-412

BOLT,Hex, 1/4" - 20 x 3/4", Gr 5, Full Thd

Used with item 36A Hex, 1/4"-20 x 3/4", G5, Full Thd

1шт.

36d

K952142

SLEEVE

- carrier, used with item 36A

1шт.

37

K900359

SPRING

CLIP - bearing carrier

1шт.

38

K89336

SPRING

- carrier, used with item 36

1шт.

39

K623545

O-RING,0.139" Thk x 2.984" ID, -234, Cl 5, 75 Duro

- carrier guide

1шт.

40

K929644

SUPPORT

GUIDE - carrier

1шт.

41

13-516

BOLT,Hex, 5/16" - 18 x 1", Gr 5

2-3шт.

41a

K602856

SCREW,5/16" - 18 x 2 1/4", Gr S

BOLT - special, used with item 36A

1шт.

42

192-20

LOCK WASHER,Helical Spring, 0.318" ID, CST, ZND

WASHER, LOCK, 5/16"

3шт.

43

K24866

KEY

- carrier guide

1шт.

44

K946528

CLUTCH

SHAFT - transmission drive

1шт.

44a

K628864

O-RING

Goes between bearing and shaft

1шт.

44b

K623634

SEAL

- felt

1шт.

45

K620190

BALL BEARING

BEARING - shaft

1шт.

46

K621430

CIRCLIP

RING - retaining

1шт.

47

K12922

RING, SNAP

RING - retaining

2шт.

48

K902106

SHIM,.032" Thk

Spacer .032" Thk

1шт.

Выбрано товаров: 0