Запчасти Case 380CK (086) - TRANSMISSION, SHUTTLE ASSEMBLY (06) - POWER TRAIN

Схема запчастей Case 380CK - (086) - TRANSMISSION, SHUTTLE ASSEMBLY (06) - POWER TRAIN
FIT
1:1
100%

Артикул

Название

Примечание

Количество

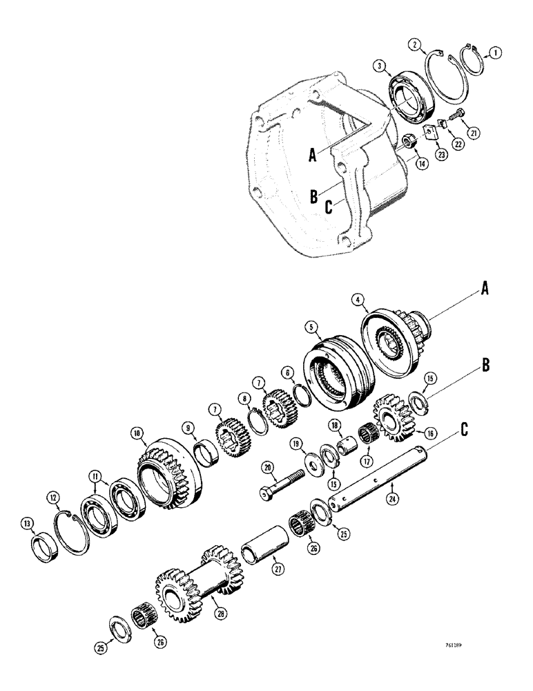
1

K621478

RING, SNAP

RING - retaining, forward gear

1шт.

2

K13328

SNAP RING

RING - retaining, front bearing

1шт.

3

K19038

BALL

BEARING - front

1шт.

4

K946529

GEAR

- forward drive

1шт.

5

K928223

GEAR

COLLAR - shifting

1шт.

If dealer is looking for three pins, part number is k946044 and is NSS.

1шт.

6

K621896

RING, SNAP

RING - retaining, front synchronizer gear

1шт.

7

K928226

GEAR

- synchronizer

2шт.

8

K12922

RING, SNAP

RING - retaining, rear synchronizer gear

1шт.

9

K946540

BUSHING

SPACER - reverse drive gear

1шт.

10

K946538

GEAR

- reverse drive

1шт.

11

K19135

BEARING, BALL

BEARING - reverse drive gear

2шт.

12

K17023

CIRCLIP

RING - retaining, reverse drive gear bearings

1шт.

13

K946539

BUSHING

SPACER - reverse drive gear

1шт.

14

K607331

NUT

- lock, 5/8"-11 NC

1шт.

15

K912793

WASHER

- thrust, idler gear

2шт.

16

K946530

GEAR

- idler

1шт.

17

A58069

NEEDLE BEARING,25.39mm ID x 33.37mm OD x 19.05mm W

BEARING - roller, idler gear

1шт.

18

K946532

BUSHING

- idler gear

1шт.

19

K946533

WASHER

- special

1шт.

20

K946531

SCREW

BOLT - special, 5/8"-11 NC

1шт.

21

13-514

BOLT,Hex, 5/16" - 18 x 7/8", Gr 5

1шт.

22

K626423

WASHER

- tab

1шт.

23

K928456

PLATE

- locking

1шт.

24

K946535

SHAFT

- counter

1шт.

25

K626714

WASHER

- thrust, counter gear

2шт.

26

K620273

BEARING, NEEDLE,28.57mm ID x 38.1mm OD x 25.02mm W

BEARING - roller, counter gear

2шт.

27

K946537

BUSHING

SPACER - counter gear bearings

1шт.

28

K946534

SHAFT

GEAR - counter

1шт.

Выбрано товаров: 29