Запчасти Case 380CK (108) - SELECTAMATIC CONTROL LEVER AND QUADRANT (08) - HYDRAULICS

Схема запчастей Case 380CK - (108) - SELECTAMATIC CONTROL LEVER AND QUADRANT (08) - HYDRAULICS
FIT
1:1
100%

Артикул

Название

Примечание

Количество

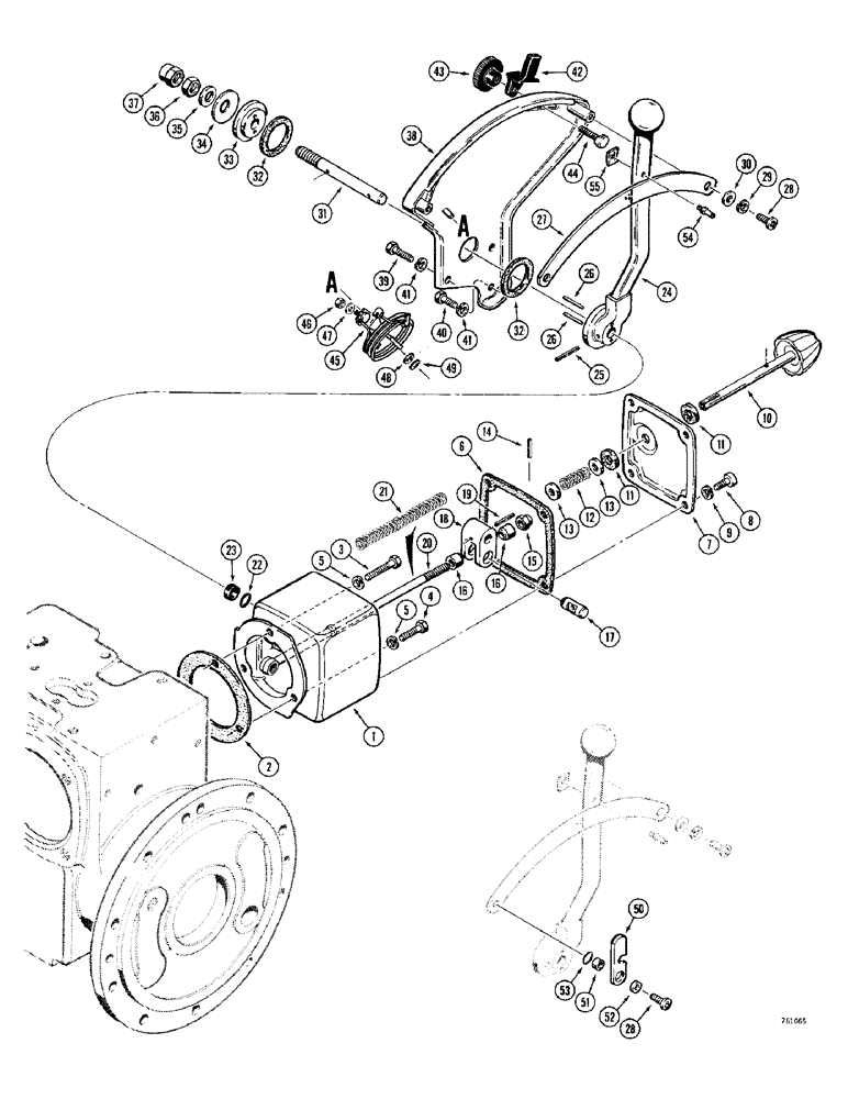
1

K913745

HOUSING

- control

1шт.

2

K903026

GASKET

-, Serial Range: housing-case

1шт.

3

13-548

CAP,Hex, 5/16" - 18 x 3", Gr 5

BOLT - 5/16"-18 NC x 3"

1шт.

4

13-516

BOLT,Hex, 5/16" - 18 x 1", Gr 5

2шт.

5

92-5

LOCK WASHER,5/16"

3шт.

6

K909559

GASKET,1.59mm Thk

-, Serial Range: cover-housing

1шт.

7

K910860

WASHER

COVER - housing

1шт.

8

K604477

SCREW

- 5/16"-18 NC x 5/8"

4шт.

9

192-20

LOCK WASHER,Helical Spring, 0.318" ID, CST, ZND

WASHER, LOCK, 5/16"

4шт.

10

K910721

KNOB

- control lever

1шт.

11

K909573

DISC

- friction

2шт.

12

K24887

SPRING

- control handle

1шт.

13

K19472

WASHER

- flat, spring retaining

2шт.

14

138-57

LOCK PIN,1/8" x 3/4", Slotted

PIN, 1/8" x 3/4", Slotted

1шт.

15

K964098

NUT

- hex, lock, 5/16"-18 NC

1шт.

16

K903368

COLLAR

BUSHING - spacer

2шт.

17

K903370

PIN

- link

1шт.

18

K909584

FORK

LINK -, Serial Range: rod-shaft

1шт.

19

138-77

LOCK PIN,5/32" x 1", Slotted

PIN, 5/32" x 1", Slotted

1шт.

20

K909585

ROD

- connecting

1шт.

21

K625161

SPRING

- connecting rod

1шт.

22

K623424

RING

- quad, seal

1шт.

23

K627068

BUSHING

SLEEVE - plastic

1шт.

24

K913268

LEVER

- control

1шт.

25

138-79

LOCK PIN,5/32" x 1 1/4", Slotted

PIN, 5/32" x 1 1/4", Slotted

1шт.

26

K621811

PIN

DOWEL -, Serial Range: lever-plate

1шт.

27

K913637

STOP

PLATE - abutment

1шт.

28

K604575

SCREW

- 5/16"-18 NC

2шт.

29

192-20

LOCK WASHER,Helical Spring, 0.318" ID, CST, ZND

WASHER, LOCK, 5/16"

2шт.

30

195-103

WASHER,5/16"

- flat, , plated 5/16"

2шт.

31

K909581

SHAFT

- control lever

1шт.

32

K909582

WASHER

- friction, cork

2шт.

33

K950864

PLATE

- friction

1шт.

34

K626740

WASHER

- Belleville

1шт.

35

K626686

WASHER

- flat

1шт.

36

129-145

JAM NUT,Jam, 1/2"-13, G5

1шт.

37

K607804

NUT

- dome, 1/2"-13 NC

1шт.

38

K913263

QUADRANT

- cotnrol lever

1шт.

39

413-518

BOLT,Hex, 5/16" - 18 x 1-1/8", Gr 5

HHCS - 5/16"-18 NC x 1-1/8", special

1шт.

40

K602845

BOLT,Hex Hd, 5/16"-18 x 3/4"

HHCS - 5/16"-18 NC x 3/4"

2шт.

41

192-20

LOCK WASHER,Helical Spring, 0.318" ID, CST, ZND

WASHER, LOCK, 5/16"

3шт.

42

K947403

BRACKET

- gauge

2шт.

43

K921826

SERRATED NUT

- thumb, 5/16"-24 NF

2шт.

44

K909577

STUD

- special, 5/16" - 24 NF

2шт.

45

K913935

SPRING

CARRIER ASSEMBLY - plate and spring

1шт.

46

9635082

NUT,5/16" - 18, Gr 5

1шт.

47

K626682

WASHER

- flat, 5/16"

1шт.

48

K19470

WASHER

- flat, 1/4"

1шт.

49

K624582

RETAINER

CLIP - retaining

1шт.

K911471

CATCH

LATCH KIT - if used, Inlcudes: Ref. 50 - 55

1шт.

50

K914833

WASHER

LATCH

1шт.

51

K914835

BUSHING

- latch

1шт.

52

K626682

WASHER

- flat, 5/16"

1шт.

53

K900380

O-RING,0.487" ID x 0.693" OD x 0.103"

1шт.

54

K914834

STUD

- 1/4" NC, special

1шт.

55

K607514

NUT

- flat type, speed, 1/4"

1шт.

Выбрано товаров: 56