Запчасти Case 380CK (120) - SELECTAMATIC DOUBLE ACTING SENSING UNIT (08) - HYDRAULICS

Схема запчастей Case 380CK - (120) - SELECTAMATIC DOUBLE ACTING SENSING UNIT (08) - HYDRAULICS
FIT
1:1
100%

Артикул

Название

Примечание

Количество

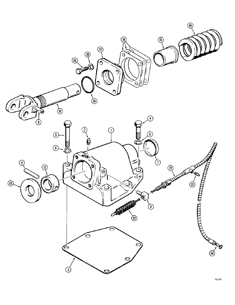
1

K915092

SPRING

HOUSING - sensing unit

1шт.

2

219-8

LUBE NIPPLE,1/4" - 28 NPTF

NIPPLE, LUBE, , straight 1/4"-28 NPT x .54" lg

1шт.

3

K926451

GASKET,0.56mm Thk

- housing, aluminum

1шт.

4

13-832

BOLT,Hex, 1/2" - 13 x 2", Gr 5

4шт.

5

13-852

BOLT,Hex, 1/2" - 13 x 3-1/4", Gr 5

2шт.

5

13-856

BOLT,Hex, 1/2" - 13 x 3-1/2", Gr 5

Used with seat belt bracket Hex, 1/2"-13 x 3 1/2", G5

2шт.

6

92-8

LOCK WASHER,1/2"

6шт.

7

K623813

PLUG

- Welch, 2-3/8"

1шт.

8

K912371

CABLE

SUPPORT - cable, outer

1шт.

9

K913852

LARGE PIN

SUPPORT - cable, inner

1шт.

10

K915258

SHAFT

- sensing unit

1шт.

11

K915117

PIN

- retaining

1шт.

12

K915266

COLLAR

- shaft

1шт.

13

K915101

WASHER

- thrust, .375" (9.525 MM) If used

1шт.

13

K915112

WASHER

- thrust, .355" (9.017 MM) If used

1шт.

13

K915113

WASHER

- thrust, .365" (9.271 MM) If used

1шт.

13

K915114

WASHER

- thrust, .385" (9.779 MM) If used

1шт.

13

K915115

WASHER

- thrust, .395" (10.033 MM) If used

1шт.

13

K915116

WASHER

- thrust, .405" (10.287 MM) If used

1шт.

14

K915263

SPRING

- sensing unit

1шт.

15

K923982

PLATE

SLEEVE - shaft

1шт.

16

K623556

O-RING,0.139" Thk x 1.859" ID, -225, Cl 5, 75 Duro

- shaft

1шт.

17

K915261

FLANGE

PLATE - end

1шт.

18

K915096

SHIM,.005" Thk

(0.127 mm) .005" Thk

1шт.

18

K915097

SHIM,.010" Thk

(0.254 mm) .010" Thk

1шт.

18

K915098

SHIM,.030" Thk

(0.762 mm) .030" Thk

1шт.

19

13-618

BOLT,Hex, 3/8" - 16 x 1-1/8", Gr 5

4шт.

20

192-21

LOCK WASHER,3/8"

WASHER, LOCK, 3/8"

4шт.

21

K962896

LINK

CABLE ASSEMBLY, Inlcudes: Ref. 22

1шт.

22

K911970

BOOT

SEAL - cable end

1шт.

23

219-8

LUBE NIPPLE,1/4" - 28 NPTF

NIPPLE, LUBE, , straight 1/4"-28 NPT x .54" lg

1шт.

24

K690702

O-RING,1.59mm Thk x 6.75mm ID, 80 Duro

- cable

1шт.

Выбрано товаров: 32