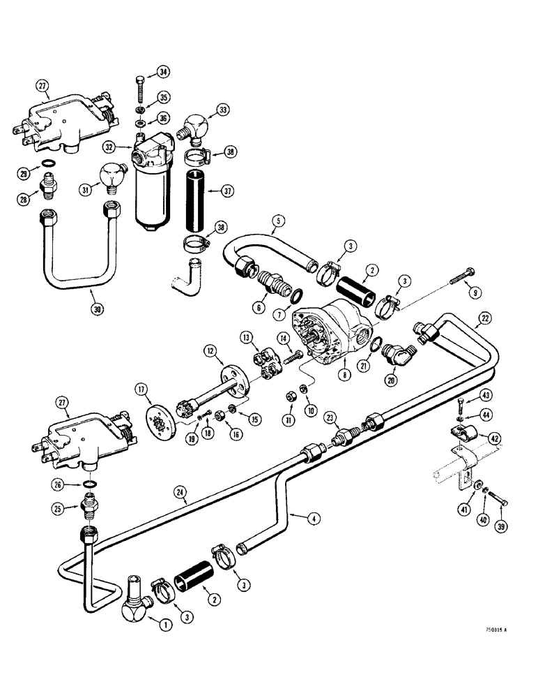
Запчасти Case 380CK (134) - EQUIPMENT HYDRAULIC CIRCUIT, LOADER MODELS WITH SINGLE RIGHT HAND OIL RESERVOIR (08) - HYDRAULICS

Схема запчастей Case 380CK - (134) - EQUIPMENT HYDRAULIC CIRCUIT, LOADER MODELS WITH SINGLE RIGHT HAND OIL RESERVOIR (08) - HYDRAULICS
FIT
1:1
100%

Артикул

Название

Примечание

Количество

1

D70219

FITTING - 90 degrees, special

1шт.

2

R13911

HOSE,31.80 mm ID x 101.60 mm ID, SAE 100R3

- suction tubes 31.80 mm ID x 101.60 mm ID, SAE 100R3

2шт.

3

214-257

HOSE CLAMP,#24, 1.06" - 2", Type F Worm

4шт.

4

D71572

TUBE - suction, from reservoir

1шт.

5

D69629

TUBE - suction, to pump 1.25" OD

1шт.

6

218-5072

HYD CONNECTOR,1-5/8" - 12 Male JIC x 1-5/8" - 12 Male ORB

FITTING - male adapter, Inlcudes: Ref. 7

1шт.

7

218-5011

O-RING,0.118" Thk x 1.475" ID, -920, Cl 6, 90 Duro

- fitting

1шт.

8

D53434

PUMP

- hydraulic, parts list Figure 148

1шт.

8

87644730R

REMAN-HYD PUMP

380CK CASE LOADER/LANDSCAPER TRACTOR, Reman for New PN D53434

1шт.

8

87644730C

CORE-HYDRAULIC PUMP

Return Number

1шт.

8

RR43429

REMAN-HYD PUMP

Remanufactured HYDRAULIC PUMP - N.A. Only

1шт.

8

RC43429

CORE-HYDRAULIC PUMP

Return No, HYDRAULIC PUMP - N.A. Only

1шт.

9

113-441

BOLT,Hex, 1/2" - 13 x 2-1/4", Gr 5

HHCS - 1/2"-13 NC x 2", plated

2шт.

10

192-23

LOCK WASHER,1/2"

WASHER, LOCK, 1/2"

2шт.

11

129-105

NUT,Hex, 1/2" - 13, Gr 5

2шт.

D64584

SHAFT

AND COUPLING ASSEMBLY - pump drive, Inlcudes: Ref. 12 - 16

1шт.

12

NSS

NOT SOLD SEPARAT

SHAFT - coupling

1шт.

13

A51885

COUPLING, BREAK AWAY

COUPLING - flex

1шт.

14

13-728

BOLT,Hex, 7/16" - 14 x 1-3/4", Gr 5

4шт.

15

92-7

LOCK WASHER,7/16"

WASHER - lock, 7/16"

4шт.

16

25-107

NUT,7/16"-14, G5

- hex, 7/16"-14 NC

4шт.

17

K950748

COUPLING, BREAK AWAY

COUPLING - pulley

1шт.

18

13-432

BOLT,Hex, 1/4" - 20 x 2", Gr 5

4шт.

19

K19480

SPRING WASHER

- spring, 1/4"

4шт.

20

218-5118

ELBOW,90 Degree Elbow, 1-1/16" - 12 Male JIC x 1-5/16" - 12 Male ORB

FITTING - 90 degrees, adjustable, Inlcudes: Ref. 21

1шт.

21

218-5010

O-RING,0.116" Thk x 1.171" ID, -916, Cl 6, 90 Duro

- fitting

1шт.

22

D71570

TUBE - pressure, from pump

1шт.

23

218-737

UNION,1 1/16"-12, 37 Degree x 1 1/16"-12, 37 Degree

FITTING - straight, male connector

1шт.

24

D71568

TUBE -, Serial Range: pressure,-valve

1шт.

25

218-5065

HYD CONNECTOR,1-1/16" - 12 Male JIC x 7/8" - 14 Male ORB

FITTING - straight, male connector, Inlcudes: Ref. 26

1шт.

26

237-6010

O-RING,0.097" Thk x 0.755" ID, -910, Cl 6, 90 Duro

- fitting

1шт.

27

D70113

VALVE - loader control, parts list Figure 150

1шт.

28

218-5046

HYD CONNECTOR,1-5/16" - 12 Male JIC x 7/8" - 14 Male ORB

FITTING - straight, male connector

1шт.

29

237-6010

O-RING,0.097" Thk x 0.755" ID, -910, Cl 6, 90 Duro

- fitting

1шт.

30

D71036

TUBE - return, Serial Range: valve-filter

1шт.

31

218-488

ELBOW,90 Degree Elbow, 1-5/16" - 12 Male JIC x 1" - 11-1/2 Male NPTF

FITTING - 90 degree, male

1шт.

32

D73910

FILTER ASSY

FILTER - hydraulic oil, parts list Figure 156

1шт.

33

217-136

ELBOW,90 Degree Elbow, 1" Hose Barb x 1" Male NPTF

FITTING 90 DEGREES - hose stem

1шт.

34

113-417

BOLT,Hex, 1/2" - 13 x 1-1/4", Gr 5, Full Thd

2шт.

35

192-23

LOCK WASHER,1/2"

WASHER, LOCK, 1/2"

2шт.

36

195-533

WASHER,1/2", SAE

- flat, 1/2", plated

2шт.

37

D25759

HOSE

- filter to reservoir, 1" (25 MM) I.D. x 7" (178 MM) Long

1шт.

38

214-257

HOSE CLAMP,#24, 1.06" - 2", Type F Worm

2шт.

39

113-600

BOLT,Hex, 5/8" - 11 x 1-3/4", Gr 5

1шт.

40

192-25

LOCK WASHER,5/8"

WASHER, LOCK, 5/8"

1шт.

41

1195-541

WASHER - flat, 5/8", plated

1шт.

42

D49180

CLAMP

- tube

2шт.

43

113-206

BOLT,Hex, 3/8" - 16 x 3/4", Gr 5, Full Thd

HHCS - 3/8"-16 NC x 5/8", plated

1шт.

44

192-21

LOCK WASHER,3/8"

WASHER, LOCK, 3/8"

1шт.

Выбрано товаров: 49