Запчасти Case 380CK (144) - LOADER LIFT CYLINDER HYDRAULIC CIRCUIT (08) - HYDRAULICS

Схема запчастей Case 380CK - (144) - LOADER LIFT CYLINDER HYDRAULIC CIRCUIT (08) - HYDRAULICS
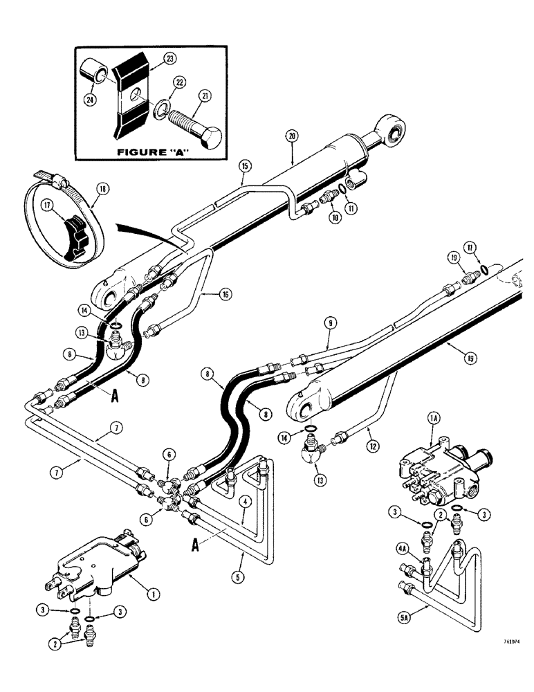
FIT
1:1
100%

Артикул

Название

Примечание

Количество

1

D70113

VALVE - loader control, used on models with R.H. hydraulic reservoir only, parts list Figure 150, mounting parts and control levers Figure 170

1шт.

1a

D76134

VALVE - loader control, used on models with R.H. and L.H. hydraulic reservoir, parts list Figure 152, mounting parts and control levers Figure 172

1шт.

2

218-5060

HYD CONNECTOR,3/4" - 16 Male JIC x 7/8" - 14 Male ORB

Fitting, male, straight, Incl. Ref 3 3/4"-16, 37º x 7/8"-14, O-Ring

2шт.

3

237-6010

O-RING,0.097" Thk x 0.755" ID, -910, Cl 6, 90 Duro

- fitting

1шт.

4

D71040

TUBE - from valve to rod end of cylinder, used with D70113 valve only

1шт.

4a

D76082

TUBE - from valve to rod end of cylinder, Used with D76134 valve only 0.5" OD x 8.63, 8.91" L

1шт.

5

D71042

TUBE - from valve to closed end of cylinder, used with D70113 valve only

1шт.

5a

D76080

TUBE - from valve to closed end of cylinder, used with D76134 valve only 0.5" OD x 9.63, 7.51" L

1шт.

6

218-840

TEE,37 Degree, 3/4"-16 x 3/4"-16, Fem Sw Br

FITTING - adjustable tee

2шт.

7

D68273

TUBE - crossover

2шт.

8

D68339

HOSE

- to cylinders, 24" (610 MM) Long

4шт.

9

D68216

TUBE - R.H. cylinder, rod end

1шт.

10

218-5060

HYD CONNECTOR,3/4" - 16 Male JIC x 7/8" - 14 Male ORB

Fitting, male, straight, Incl. Ref 11 3/4"-16, 37º x 7/8"-14, O-Ring

2шт.

11

237-6010

O-RING,0.097" Thk x 0.755" ID, -910, Cl 6, 90 Duro

- fitting

1шт.

12

D68212

TUBE - R.H. cylinder, closed end

1шт.

13

218-5121

ELBOW,90 Degree Elbow, 3/4" - 16 Male JIC x 7/8" - 14 Male ORB

FITTING - 90 degrees, adjustable, Inlcudes: Ref. 14

2шт.

14

237-6010

O-RING,0.097" Thk x 0.755" ID, -910, Cl 6, 90 Duro

- fitting

1шт.

15

D73559

HYD TUBE,0.5" OD

TUBE - L.H. cylinder, rod end

1шт.

16

D68213

TUBE - L.H. cylinder

1шт.

17

R24703

SUPPORT

SPACER - tube clamp

2шт.

18

222-267

CLAMP - tubes

2шт.

19

G35002

CYLINDER

- R.H. lift, parts list Figure 162

1шт.

20

G35003

CYLINDER

- L.H. lift, parts list Figure 162

1шт.

21

113-104

BOLT,Hex, 5/16" - 18 x 1-1/4", Gr 5

2шт.

22

192-20

LOCK WASHER,Helical Spring, 0.318" ID, CST, ZND

WASHER, LOCK, 5/16"

2шт.

23

R17319

CLAMP

- tube

2шт.

24

D33551

BUSHING

SPACER - clamp

2шт.

Выбрано товаров: 27