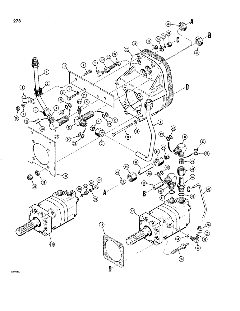
Запчасти Case 480C (278) - PTO MOTOR AND MOTOR HOUSING (35) - HYDRAULIC SYSTEMS

Схема запчастей Case 480C - (278) - PTO MOTOR AND MOTOR HOUSING (35) - HYDRAULIC SYSTEMS
FIT
1:1
100%

Артикул

Название

Примечание

Количество

1

D75626

TUBE - pressure, PTO

1шт.

2

D75371

TUBE - return, PTO

1шт.

3

222-3112

NUT,1 1/8"-12

NUT - tube

2шт.

4

222-3103

SLEEVE,3/4" Tube

- tube nut

2шт.

5

D74182

GROMMET,3/4" ID x 1.46" L

INSULATOR - tube cushion

2шт.

6

D74192

CLAMP

- tube

2шт.

7

113-208

BOLT,Hex, 3/8" - 16 x 1-1/4", Gr 5

2шт.

8

113-209

BOLT,Hex, 3/8" - 16 x 1-1/2", Gr 5

2шт.

9

92-6

LOCK WASHER,3/8"

4шт.

10

129-103

NUT,Hex, 3/8" - 16, Gr 5

NUT, 3/8"-16, G5

4шт.

11

D72653

PLATE - clamp mounting

1шт.

12

D72023

HOUSING

- PTO

1шт.

13

G10447

GASKET

- PTO housing

1шт.

14

113-259

BOLT,Hex, 3/8" - 16 x 4-1/2", Gr 5

4шт.

15

92-6

LOCK WASHER,3/8"

4шт.

16

D71968

BOLT

- special

4шт.

17

D72019

GASKET

- PTO, Serial Range: motor-housing

1шт.

18

D72274

PLATE

- shield mounting, see Figure 282 for shield

1шт.

19

T42588

WASHER

- special sealing

4шт.

20

131-70

NUT,1/2"-13, GB

NUT - hex, self-locking, 1/2" - 13 NC, plated

4шт.

21

218-752

CAP,37 Degree, 7/16"-20

Adapter 37º, 7/16"-20

1шт.

22

218-441

HYD CONNECTOR,7/16" - 20 Male JIC x 1/8" - 27 Male NPTF

ADAPTER - straight, male

1шт.

D72652

ELBOW

- 90 degree, bulkhead, Includes: Ref. 23 - 26

1шт.

23

NSS

NOT SOLD SEPARAT

BODY - elbow

1шт.

24

A27365

O-RING,0.103" Thk x 0.75" ID, -116, Cl 5, 75 Duro

- internal

2шт.

25

D75828

RING

BACKUP RING - internal

2шт.

26

222-3166

BHD LOCK NUT,Blkhd, 1 1/8"-12

- bulkhead

1шт.

222-3097

FITTING

ELBOW - 90 degree, bulkhead, Includes: Ref. 27 - 30

1шт.

27

NSS

NOT SOLD SEPARAT

BODY - elbow

1шт.

28

A27365

O-RING,0.103" Thk x 0.75" ID, -116, Cl 5, 75 Duro

- internal

2шт.

29

D75828

RING

BACKUP RING - internal

2шт.

30

222-3166

BHD LOCK NUT,Blkhd, 1 1/8"-12

- bulkhead

1шт.

31

218-481

ELBOW,90 Degree Elbow, 7/16" - 20 Male JIC x 1/8" - 27 Male NPTF

- 90 degree, motor drain circuit

1шт.

222-3150

FITTING,1/2"-20 Fem O-Ring x 1/8" NPTF

ADAPTER - straight, bulkhead, Includes: Ref. 32 - 36

1шт.

32

NSS

NOT SOLD SEPARAT

BODY - adapter

1шт.

33

A27358

O-RING,0.07" Thk x 0.239" ID, -10, Cl 5, 75 Duro

- internal

1шт.

34

222-3165

NUT,Blkhd, 1/2"-20

- bulkhead

1шт.

35

222-3106

SLEEVE,1/4" Tube

- tube nut

1шт.

36

222-3113

TUBE NUT,1/2"-20

NUT - tube

1шт.

37

D35288

WASHER

- copper

1шт.

38

D35288

WASHER

TUBE - pressure, to PTO motor, 2.90" (73.66 mm) long

1шт.

39

D72165

TUBE - return, from PTO motor, 1.75" (44.45 mm) long 0.584" ID x 0.75" OD x 1.75" L

1шт.

40

D72434

TUBE

- PTO motor drain, used with D71952 PTO motor and 222-3146 elbow

1шт.

40

D91361

TUBE,0.25" OD x 6.6, 5.88" L

- PTO motor drain, used with D90093 PTO motor and 222-3027 straight adapter, not shown

1шт.

222-3141

ELBOW,90 Degree, 1 1/8"-12 x 1 1/8"-12, O-Ring

- 90 degree, special, Includes: Ref. 41 - 43

1шт.

41

NSS

NOT SOLD SEPARAT

BODY - elbow

1шт.

42

A27365

O-RING,0.103" Thk x 0.75" ID, -116, Cl 5, 75 Duro

- internal

2шт.

43

D75828

RING

BACKING RING - internal

2шт.

44

222-3112

NUT,1 1/8"-12

NUT - tube

3шт.

45

222-3103

SLEEVE,3/4" Tube

- tube nut

3шт.

46

222-3071

FITTING,Nipple, 1/2" Tube x 3/4"-16

NIPPLE - special, Includes: Ref. 47

1шт.

47

218-5008

O-RING,0.116" Thk x 0.924" ID, -912, Cl 6, 90 Duro

- nipple

1шт.

222-3145

ELBOW,90 Degree, 1 1/8"-12 x 1 1/16"-12, O-Ring

- 90 degree, adjustable, Includes: Ref. 48 - 51

1шт.

48

NSS

NOT SOLD SEPARAT

BODY - elbow

1шт.

49

A27365

O-RING,0.103" Thk x 0.75" ID, -116, Cl 5, 75 Duro

- internal

1шт.

50

D75828

RING

BACKUP RING - internal

1шт.

51

218-5008

O-RING,0.116" Thk x 0.924" ID, -912, Cl 6, 90 Duro

- external

1шт.

222-3146

ELBOW - 90 degree, adjustable, used with D71952 PTO motor, Includes: Ref. 52 - 56 90º, 1/2"-20 x7/16"-20, O-Ring

1шт.

52

NSS

NOT SOLD SEPARAT

BODY - elbow

1шт.

53

A27358

O-RING,0.07" Thk x 0.239" ID, -10, Cl 5, 75 Duro

- internal

1шт.

54

218-5003

O-RING,0.072" Thk x 0.351" ID, -904, Cl 6, 90 Duro

- external

1шт.

55

222-3106

SLEEVE,1/4" Tube

- tube nut

1шт.

56

222-3113

TUBE NUT,1/2"-20

NUT - tube

1шт.

57

D71952

MOTOR

- hydraulic, PTO, Char-Lynn No. 109-1026-08-003., parts list Figure 334

1шт.

57a

D90093

MOTOR

- hydraulic PTO, Char-Lynn No. 109-1026-08-004, parts list Figure 336

1шт.

222-3027

FITTING,1/2"-20 x 7/16"-20

ADAPTER - straight, adjustable, used with D90093 PTO motor, Includes: Ref. 58 - 62

1шт.

58

NSS

NOT SOLD SEPARAT

BODY - adapter

1шт.

59

A27358

O-RING,0.07" Thk x 0.239" ID, -10, Cl 5, 75 Duro

- internal

1шт.

60

218-5003

O-RING,0.072" Thk x 0.351" ID, -904, Cl 6, 90 Duro

- external

1шт.

61

222-3106

SLEEVE,1/4" Tube

- tube nut

1шт.

62

222-3113

TUBE NUT,1/2"-20

NUT - tube

1шт.

Выбрано товаров: 0