Запчасти Case 480C (370) - G33291 BACKHOE BUCKET CYLINDER, WITH TWO PIECE PISTON (35) - HYDRAULIC SYSTEMS

Схема запчастей Case 480C - (370) - G33291 BACKHOE BUCKET CYLINDER, WITH TWO PIECE PISTON (35) - HYDRAULIC SYSTEMS
FIT
1:1
100%

Артикул

Название

Примечание

Количество

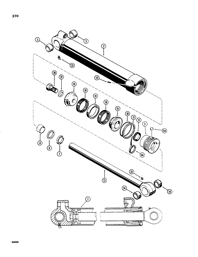
1

G33291

CYLINDER BLOCK

CYLINDER ASSEMBLY - bucket, 3" (76 mm) ID x 26-17/32" (674 mm) stroke, for service order G101199, Includes: Ref. 2 - 23

1шт.

2

G33332

TUBE,34.22" L

ASSEMBLY - cylinder, Includes: Ref. 3 and 4

1шт.

3

D31140

BUSHING,38.33mm ID x 47.63mm OD x 25.4mm L

- tube eye

2шт.

4

RESERVED

1шт.

G34633

GLAND

ASSEMBLY - cylinder, Includes: Ref. 5 - 11

1шт.

5

NSS

NOT SOLD SEPARAT

GLAND - cylinder

1шт.

5a

G102569

PLUG

- nylon, thread locking, gland, if used

1шт.

6

G34600

RING

- retaining

1шт.

7

D95143

WIPER SEAL,44.42mm ID x 57.17mm OD x 7.92mm Thk

WIPER - piston rod

1шт.

Part of Seal Kit P/N G105524

1шт.

8

G102425

BUSHING,44.45mm ID x 47.45mm OD x 25.1mm Thk

- center

1шт.

Part of Seal Kit P/N G105524

1шт.

9

D36970

CUP

U-CUP SEAL - piston rod, wide

1шт.

Part of Seal Kit P/N G105524

1шт.

9a

G103705

SEAL

- piston rod, narrow, used in addition to Ref. 9 in some glands

1шт.

Part of Seal Kit P/N G105524

1шт.

10

A30095

O-RING,0.139" Thk x 2.984" ID, -234, Cl 5, 75 Duro

- gland

1шт.

Part of Seal Kit P/N G105524

1шт.

11

G32122

BACK-UP RING,75.82mm ID x 81.92mm OD x 1.4mm Thk

BACKUP RING - glnad O-ring

1шт.

Part of Seal Kit P/N G105524

1шт.

12

187-1031

SELF-TAP SCREW,Pan, 0.164"-32 x 1/4"

SCREW - self-tapping, No. 8 - 32 NC x 1/4", if used, not required when nylon plug is used

1шт.

13

G33335

ROD ASSY.

ROD ASSEMBLY - piston, 1-3/4" (44 mm) diameter, Includes: Ref. 14

1шт.

14

D32865

BUSHING,38.33mm ID x 47.63mm OD x 22.35mm L

- rod eye

2шт.

15

G33331

PISTON

- split, rod end

1шт.

16

D28896

PISTON

- split, bold end

1шт.

17

RESERVED

1шт.

G33151

PACKING

- piston, Includes: Ref. 18 and 19

1шт.

Part of Seal Kit P/N G105524

1шт.

18

NSS

NOT SOLD SEPARAT

PACKING - V-type

2шт.

19

NSS

NOT SOLD SEPARAT

RING - center bearing

1шт.

20

28-1640

BOLT,Hex, 1" - 14 x 2-1/2", Gr 8

1шт.

21

G32303

WASHER,26.97mm ID x 47.63mm OD x 3.58mm Thk

- hardened

1шт.

22

219-1

LUBE NIPPLE,1/8" - 27 NPTF

GREASE FITTING - straight, 1/8" NPT

1шт.

23

219-55

LUBE NIPPLE,90 Degree Elbow, 1/8" - 27 NPTF

NIPPLE, LUBE, 90º, 1/8" NPT x .84" lg

1шт.

G105524

GASKET KIT

KIT - seal, Includes: Ref. 7, 8, 9, 9A, 10, 11 and P/N G33151, same as G34642 kit plus Ref. 9A above

1шт.

G100777

SEAL,44.42mm ID x 57.28mm OD x 10.69mm Thk

- piston rod, service option - severe heat or cold

1шт.

Выбрано товаров: 36