Запчасти Case 480C (424) - BACKHOE CONTROLS WITH FOOT SWING, CONTROL LEVERS AND LINKAGE (84) - BOOMS, DIPPERS & BUCKETS

Схема запчастей Case 480C - (424) - BACKHOE CONTROLS WITH FOOT SWING, CONTROL LEVERS AND LINKAGE (84) - BOOMS, DIPPERS & BUCKETS
FIT
1:1
100%

Артикул

Название

Примечание

Количество

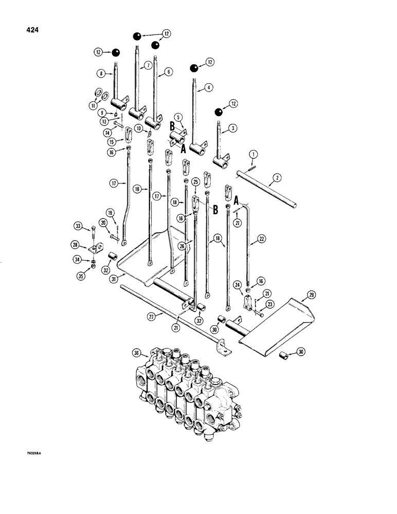
1

138-319

LOCK PIN,3/16" x 1 1/4", Slotted

PIN, 3/16" x 1 1/4", Slotted

1шт.

2

D30817

SHAFT

- control levers

1шт.

3

D49984

HANDLE

LEVER - control, right-hand stabilizer, for models with extendable dipper see Figure 430

1шт.

4

D49994

HANDLE

LEVER - control, boom

1шт.

5

D48252

ANCHOR

LEVER - pivot, swing

1шт.

6

D49995

HANDLE

LEVER - control, dipper

1шт.

7

D49993

HANDLE

LEVER - control, bucket

1шт.

8

D49983

HANDLE

LEVER - control, left-hand stabilizer

1шт.

9

219-1

LUBE NIPPLE,1/8" - 27 NPTF

GREASE FITTING - straight, 1/8" NPT

5шт.

10

219-89

LUBE NIPPLE,45 Degree Elbow, 1/8" NPTF

GREASE FITTING - 45º, 1/8" NPT

1шт.

11

195-2097

WASHER,15/16" x 1 3/4" x .083"

- flat, 7/8", spacer

1шт.

12

D59912

KNOB

- control lever

5шт.

13

132-25

COTTER PIN,3/32" x 5/8"

Pin, Split (Cotter), 3/32" x 5/8"

6шт.

14

141-54

CLEVIS PIN,3/8" x 1 1/16"

6шт.

15

213-41

ADJUSTABLE CLEVIS,3/8"-24

plated 3/8"-24

6шт.

16

86585245

SPECIAL NUT,JAM, 5/8" - 18

JAM NUT - hex, 3/8" - 24 NF, plated

8шт.

17

D38314

ROD

- bent, connecting

2шт.

18

D30821

ROD

- straight, connecting

4шт.

19

132-25

COTTER PIN,3/32" x 5/8"

Pin, Split (Cotter), 3/32" x 5/8"

6шт.

20

141-53

CLEVIS PIN,5/16" x .940"

plated 5/16" x .940"

6шт.

21

132-25

COTTER PIN,3/32" x 5/8"

Pin, Split (Cotter), 3/32" x 5/8"

3шт.

22

D21762

ROD

- connecting, right-hand swing pedal

1шт.

23

141-54

CLEVIS PIN,3/8" x 1 1/16"

1шт.

24

213-41

ADJUSTABLE CLEVIS,3/8"-24

plated 3/8"-24

1шт.

25

D37600

YOKE

CLEVIS - connecting rod

1шт.

26

D30819

ROD

- connecting, left-hand swing pedal

1шт.

27

D40859

SHAFT

- swing pedals

1шт.

28

D40858

BRACKET - shaft

1шт.

29

D47224

PEDAL

- swing, right-hand, Includes: Ref. 30

1шт.

30

D30706

BUSHING

- pedal

2шт.

31

D47225

PEDAL - swing, left-hand, Includes: Ref. 32

1шт.

32

D30706

BUSHING

- pedal

2шт.

33

113-233

BOLT,Hex, 3/8" - 16 x 1-3/4", Gr 5

2шт.

34

92-6

LOCK WASHER,3/8"

2шт.

35

129-103

NUT,Hex, 3/8" - 16, Gr 5

NUT, 3/8"-16, G5

2шт.

36

REF

INSTRUCTION

CONTROL VALVE - backhoe, parts list Figure 305

1шт.

Выбрано товаров: 36