Запчасти Case 480C (014) - AIR CLEANER AND AIR INTAKE PARTS (10) - ENGINE

Схема запчастей Case 480C - (014) - AIR CLEANER AND AIR INTAKE PARTS (10) - ENGINE
FIT
1:1
100%

Артикул

Название

Примечание

Количество

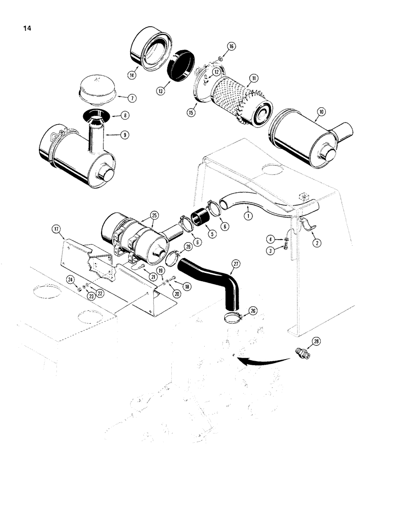
1

D69255

TUBE - horizontal air cleaner intake, if used, see Ref. 7

1шт.

2

D66567

CLAMP - tube

1шт.

3

113-433

BOLT,Hex, 1/2" - 13 x 3/4", Gr 5, Full Thd

1шт.

4

92-8

LOCK WASHER,1/2"

1шт.

5

NLS

NO LONGER SERVICED

HOSE - horizontal intake tube to air cleaner, 2-1/2" (64 mm) ID x 2-1/2" (64 mm) long, if used

1шт.

6

214-261

HOSE CLAMP,#40, 2.06" - 3", Type F Worm

CLAMP - hose

2шт.

7

A61276

AIR CLEANER

CAP - vertical air cleaner intake, if used, see Ref. 1 or Figure 17 for precleaner

1шт.

8

D75362

RING

GROMMET - air cleaner cap, if used

1шт.

9

A139086

AIR CLEANER

ASSEMBLY - engine, Includes: Ref. 10 - 16

1шт.

10

NSS

NOT SOLD SEPARAT

HOUSING - air cleaner

1шт.

11

A42274

AIR FILTER

ELEMENT - air cleaner

1шт.

12

F91761

WING NUT

WING NUT - element

1шт.

13

F22312

BAFFLE

- rubber

1шт.

14

F91760

CUP

DUST CUP - access, air cleaner

1шт.

15

F84999

CLAMP,168.28mm

ASSEMBLY - cup, Includes: Ref. 16

1шт.

16

25-224

SQUARE NUT,Sq, 1/4"-20

SQUARE NUT - 1/4" - 20 NC, can be used to replace cage nut

1шт.

17

REF

INSTRUCTION

BRACKET - air cleaner mounting

1шт.

For correct air cleaner and hood mounting brackets, see Figure 456

1шт.

18

113-208

BOLT,Hex, 3/8" - 16 x 1-1/4", Gr 5

2шт.

19

195-525

WASHER,3/8", SAE

- flat, 3/8", plated

2шт.

20

92-6

LOCK WASHER,3/8"

2шт.

21

113-206

BOLT,Hex, 3/8" - 16 x 3/4", Gr 5, Full Thd

4шт.

22

195-525

WASHER,3/8", SAE

- flat, 3/8", plated

4шт.

23

92-6

LOCK WASHER,3/8"

4шт.

24

129-103

NUT,Hex, 3/8" - 16, Gr 5

NUT, 3/8"-16, G5

4шт.

25

L11247

BAND

- air cleaner mounting

2шт.

26

214-261

HOSE CLAMP,#40, 2.06" - 3", Type F Worm

CLAMP - hose

2шт.

27

D68377

HOSE

- air, Serial Range: cleaner-manifold

1шт.

28

D36264

FITTING

FILTER - safety, air restriction

1шт.

Выбрано товаров: 29