Запчасти Case 480C (036) - CYLINDER BLOCK, 188 DIESEL ENGINE, PRIOR TO ENGINE SERIAL NUMBER 2836084, MECHANICAL SHUTTLE ONLY (10) - ENGINE

Схема запчастей Case 480C - (036) - CYLINDER BLOCK, 188 DIESEL ENGINE, PRIOR TO ENGINE SERIAL NUMBER 2836084, MECHANICAL SHUTTLE ONLY (10) - ENGINE
FIT
1:1
100%

Артикул

Название

Примечание

Количество

A46356

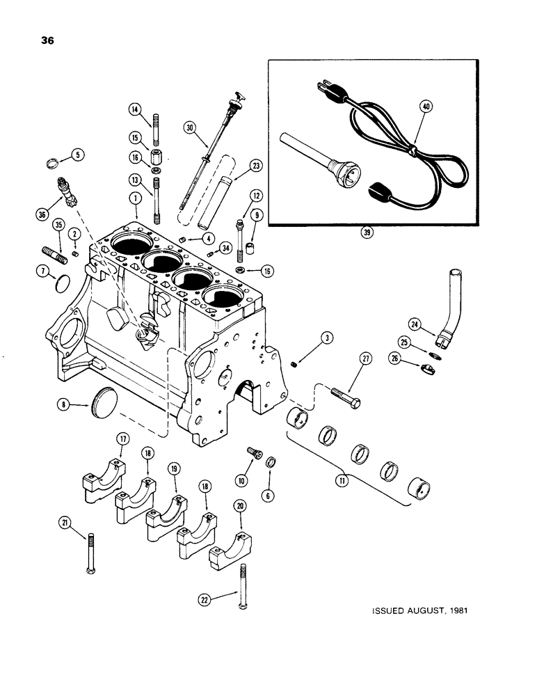
BLOCK

ASSEMBLY - cylinder, short (Includes stripped block, crankshaft and bearings, connecting rods and bearings, piston assembly, camshaft, oil pump and timing gears), Includes: Ref. 1 - 27

1шт.

1

A46351

BASIC BLOCK

BLOCK ASSEMBLY - stripped (Casting No. A136813), Includes: Ref. 2 - 27

1шт.

2

217-433

PLUG,Hex Soc, 1/4" - 18 NPTF

Oil gallery Hex Soc, 1/4"-18 NPTF

3шт.

3

G49070

PLUG

- oil gallery, 1/4" PT drilled head

1шт.

4

221-1032

DRAIN PLUG,Sq Soc, 3/8"-18 NPTF

PLUG - 3/8" PT, socket head

1шт.

5

A38534

PLUG

- tachometer drive hole, 1-1/16" cup type (26.99 mm) (Discard)

1шт.

6

41-1016

PLUG,Cup, 1"

- adapter hole, 1" cup type (25.4 mm)

1шт.

7

A39241

PLUG,Exp, 2.12" dia

- camshaft hole, 2-1/8" expansion (53.97 mm)

1шт.

8

41-1052

PLUG,Cup, 3 1/4"

- auxiliary pump hole, 3-1/4" cup type (82.55 mm)

1шт.

9

G49608

RING

- dowel, head locating

2шт.

10

A153552

ADAPTER

- oil filter

1шт.

11

REF

INSTRUCTION

BUSHING - camshaft (See Figure 40)

1шт.

12

A39047

12 PT SCREW

BOLT - cylinder head, 1/2 x 3-1/2" NC x 12 point head

4шт.

12

A39048

12 PT SCREW

BOLT - cylinder head, 1/2 x 5-1/8" NC, 12 point head

11шт.

12

A39049

12 PT SCREW

BOLT - cylinder head, 1/2 x 5-5/8" NC, 12 point head

2шт.

13

A36902

STUD

- cylinder head, lower, 1/2" NC x 5-5/8"

2шт.

14

A51271

STUD

- cylinder head, cover, 3/8" NC x 3-3/4"

2шт.

15

A51114

NUT

- head studs, 1/2" NC and 3/8" NC

2шт.

16

A39046

WASHER,13.11mm ID x 22.23mm OD x 3.34mm Thk

- (head bolt)

19шт.

17

A38385

CAP

- main bearing, rear (Replaces A51057)

1шт.

18

G2128

CAP

- main bearing, intermediate (Replaces A51055)

2шт.

19

G2127

CAP

- main bearing, center (Replaces A51056)

1шт.

20

G2126

CAP

- main bearing, front (Replaces A51054)

1шт.

21

26-872

BOLT,Hex, 1/2" - 13 x 4-1/2", Gr 8

- bearing caps, 1/2 x 4-1/2" NC hex

8шт.

22

26-882

BOLT,Hex, 1/2" - 13 x 5-1/8", Gr 8

- bearing caps, 1/2 x 5-1/8" NC hex

2шт.

23

A37149

TUBE

- oil filler and dipstick

1шт.

24

REF

INSTRUCTION

EXTENSION - oil filler tube (Discard)

1шт.

25

REF

INSTRUCTION

O-RING - tube (Discard)

1шт.

26

REF

INSTRUCTION

CLAMP - tube (Discard)

1шт.

27

A38303

BOLT

BOLT - front support, 5/8 x 3-3/16" NC hex

1шт.

30

A39936

DIPSTICK

ASSEMBLY - engine oil level

1шт.

34

221-662

PLUG,Hex Hd, 1/4"-18

- drain, cylinder block, 1/4" PT, hex head

1шт.

35

A51412

STUD

- 5/8" NF x 3-3/16"

2шт.

36

A137572

DRIVE

ASSEMBLY - tachometer

1шт.

39

A44815

HEATER

ASSEMBLY - cylinder block, block heater, Includes: Ref. 40

1шт.

40

A44814

ELECTRIC CABLE

CORD ASSEMBLY - heater, 12" long (304.8 mm), block, block heater

1шт.

Выбрано товаров: 36