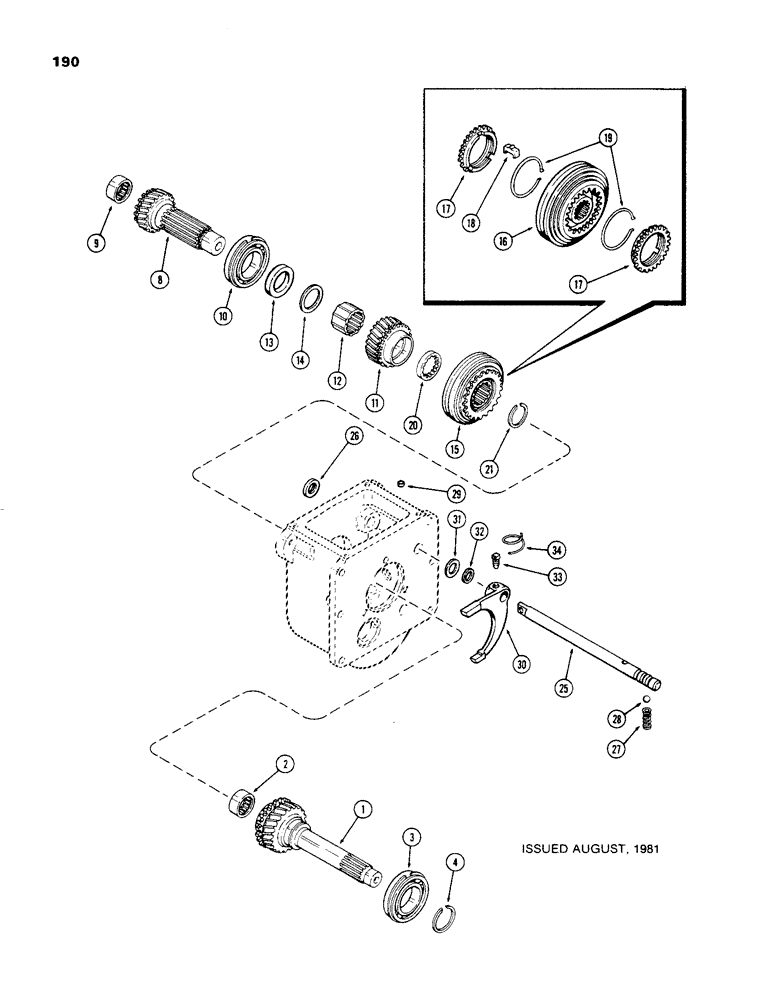
Запчасти Case 480C (190) - SHUTTLE INPUT GEAR, TWO SPEED MECHANICAL SHUTTLE (21) - TRANSMISSION

Схема запчастей Case 480C - (190) - SHUTTLE INPUT GEAR, TWO SPEED MECHANICAL SHUTTLE (21) - TRANSMISSION
FIT
1:1
100%

Артикул

Название

Примечание

Количество

1

A51939

PINION

GEAR - input (28 helical teeth)

1шт.

2

A35767

NEEDLE BEARING,Needle, 34.91mm ID x 44.46mm OD x 19.05mm W

BEARING - needle, 1-3/8 x 1-3/4" (34.93 x 44.45 x 19.05 mm)

1шт.

3

L31014

BALL BEARING,50mm ID x 90.03mm OD x 20mm W

- ball, with snap ring, 2 x 3-1/2 x 3/4" (50.8 x 88.9 x 19.05 mm)

1шт.

4

A27209

RING

- snap, bearing retaining

1шт.

8

A138343

PINION

GEAR - output shaft (25 helical teeth), shuttle

1шт.

9

G10419

NEEDLE BEARING

BEARING - needle, 1-3/8 x 1-3/4 x 3/4" (34.93 x 44.45 x 19.05 mm), shuttle output gear

1шт.

10

G13606

BALL BEARING

BEARING - ball, with snap ring, 1-9/16 x 3-1/8 x 11/16" (39.69 x 79.38 x 17.46 mm), shuttle output gear

1шт.

11

A144361

GEAR

(27 external teeth), shuttle output gear

1шт.

12

G16619

SLEEVE

BUSHING -(24 internal teeth), shuttle output gear

1шт.

13

A144672

COLLAR

- shuttle output gear

1шт.

14

A144491

WASHER

- thrust, shuttle output gear

1шт.

15

A151114

HUB

SYNCHRONIZER ASSEMBLY - forward and reverse (Replaces A51874), shuttle output gear, Includes: Ref. 16 - 19

1шт.

16

NSS

NOT SOLD SEPARAT

HUB AND SLEEVE ASSEMBLY, shuttle output gear

1шт.

17

G46077

RING

- blocking, shuttle output gear

2шт.

18

G46078

PLATE

- shifter, shuttle output gear

3шт.

19

A40766

SPRING

- lock ring, shuttle output gear

2шт.

20

G16625

COLLAR

- thrust, synchronizer, 1-1/2 x 2-1/16 x 9/32" (38.1 x 52.39 x 7.14 mm), shuttle output gear

1шт.

21

A27568

RING

- snap, synchronizer retaining, 0.093" (2.36 mm), shuttle output gear

1шт.

21

G46097

RING

- snap, synchronizer retaining, 0.088" (2.24 mm), shuttle output gear

1шт.

21

A27567

RING

- snap, synchronizer retaining, 0.084" (2.13 mm), shuttle output gear

1шт.

21

A27566

RING

- snap, synchronizer retaining, 0.080" (2.03 mm), shuttle output gear

1шт.

21

A27565

RING

- snap, synchronizer retaining, 0.076" (1.93 mm), shuttle output gear

1шт.

25

A138294

RAIL

- shuttle shifter, mechanism

1шт.

26

A50421

OIL SEAL,19.05mm ID x 31.95mm OD x 6.73mm Thk

- oil, shifter rail (in range housing) 3/4 x 1-1/2 x 1/4" (19.05 x 38.1 x 6.35 mm), shuttle shifter mechanism

1шт.

27

G47039

SPRING

- detent ball, shuttle shifter mechanism

1шт.

28

211-11

BALL,3/8" Dia

- detent (meter) (9.525 mm), shuttle shifter mechanism 3/8" Dia

1шт.

29

A39321

PLUG,Cup, 7/16"

- shuttle housing shifter rail boss, 7/16" cup type (11.11 mm), s mechanism

1шт.

30

A51943

FORK

- shuttle shifter mechanism

1шт.

31

A30881

SEALING WASHER,19.45mm ID x 31.35mm OD

WASHER - stop, 3/4 x 1-1/4 x 20 gauge steel (19.05 x 31.75 mm), shuttle shifter mechanism

1шт.

32

A58608

GASKET

WASHER - stop, 3/4 x 1 x 1/16 " Nylon (19.05 x 25.4 x 1.59 mm), shuttle shifter mechanism

1шт.

33

A29964

LOCK SCREW,Sq Hd, 3/8" - 24 x 27/32", Drilled

- shuttle shift fork, mechanism

1шт.

34

A29966

ELECTRICAL WIRE

WIRE - lock, shuttle fork screw, shifter mechanism

1шт.

Выбрано товаров: 32