Запчасти Case 480C (222) - REAR AXLE, TRANSAXLE (27) - REAR AXLE SYSTEM

Схема запчастей Case 480C - (222) - REAR AXLE, TRANSAXLE (27) - REAR AXLE SYSTEM
FIT
1:1
100%

Артикул

Название

Примечание

Количество

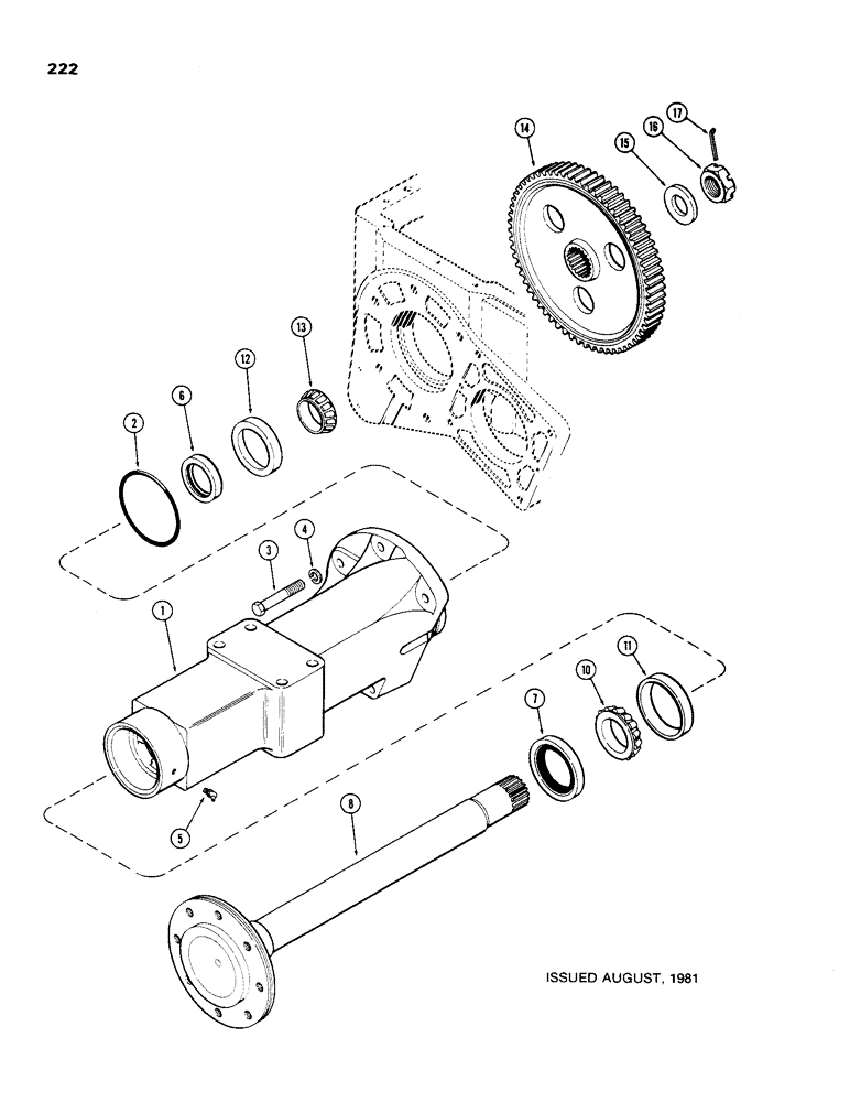
1

A138286

HOUSING

- axle, right hand

1шт.

1

A138287

HOUSING

- axle, left hand

1шт.

2

G10347

O-RING,0.139" Thk x 4.984" ID, -250, Cl 5, 75 Duro

- axle housing to transmission case, 5 x 5-1/4 x 1/8" (127 x 133.35 x 3.18 mm)

2шт.

3

26-1032

BOLT,Hex, 5/8" - 11 x 2", Gr 8

- axle housing to transmission case (5/8 x 2" NC hex)

2шт.

3

26-1036

BOLT,Hex, 5/8" - 11 x 2-1/4", Gr 8

- axle housing to transmission case (5/8 x 2-1/4" NC hex)

6шт.

3

26-1064

BOLT,Hex, 5/8" - 11 x 4", Gr 8

- axle housing to transmission case (5/8 x 4" NC hex)

2шт.

4

92-10

LOCK WASHER,5/8"

WASHER, LOCK, 5/8"

10шт.

5

219-36

LUBE NIPPLE,45 Degree Elbow, 1/8" - 27 NPTF

FITTING - grease, 1/8" PT, 45 degree

2шт.

6

G13801

OIL SEAL

- oil, inner, 2-1/4 x 3-1/8 x 1/2" (57.15 x 79.38 x 12.7 mm)

2шт.

7

G13822

SEAL,73.66mm ID x 110.13mm OD x 11mm Thk

- oil, outer, 3 x 4-3/8 x 1/2" (76.2 x 111.13 x 12.7 mm)

2шт.

8

A138233

SHAFT

- rear axle

2шт.

10

G15207

ROLLER BEARING

CONE - bearing, outer, 2-5/8" ID (66.68 mm)

2шт.

11

G15208

BEARING CUP,110mm OD x 18.82mm W

CUP - bearing, outer, 4-11/32" OD (110.33 mm)

2шт.

12

G10415

BEARING CUP

CUP - bearing, inner, 3-15/16" OD (100.01 mm)

2шт.

13

L33289

ROLLER BEARING,57.1565mm ID x 21.857mm Thk

CONE - bearing, inner, 2-1/4" ID (57.15 mm)

2шт.

14

A37925

GEAR

- final drive (Bull gear) (Mechanical Shuttle) (66 external and 17 internal teeth)

2шт.

14

A51901

GEAR

- final drive (Bull gear) (Power Shuttle) (65 external and 17 internal teeth)

2шт.

15

F62105

WASHER,38.89mm ID x 69.85mm OD x 6.35mm Thk

- take-up, 1-1/2 x 2-3/4 x 1/4" (38.1 x 69.85 x 6.35 mm)

2шт.

16

A30075

WHEEL NUT

- 1/2" NF hex, slotted

2шт.

17

132-159

COTTER PIN,1/4" x 3"

Pin, Split (Cotter), 1/4" x 3"

2шт.

Выбрано товаров: 20