Запчасти Case 480CK (06) - LOADER LIFT FRAME AND RELATED PARTS (82) - FRONT LOADER & BUCKET

Схема запчастей Case 480CK - (06) - LOADER LIFT FRAME AND RELATED PARTS (82) - FRONT LOADER & BUCKET
FIT
1:1
100%

Артикул

Название

Примечание

Количество

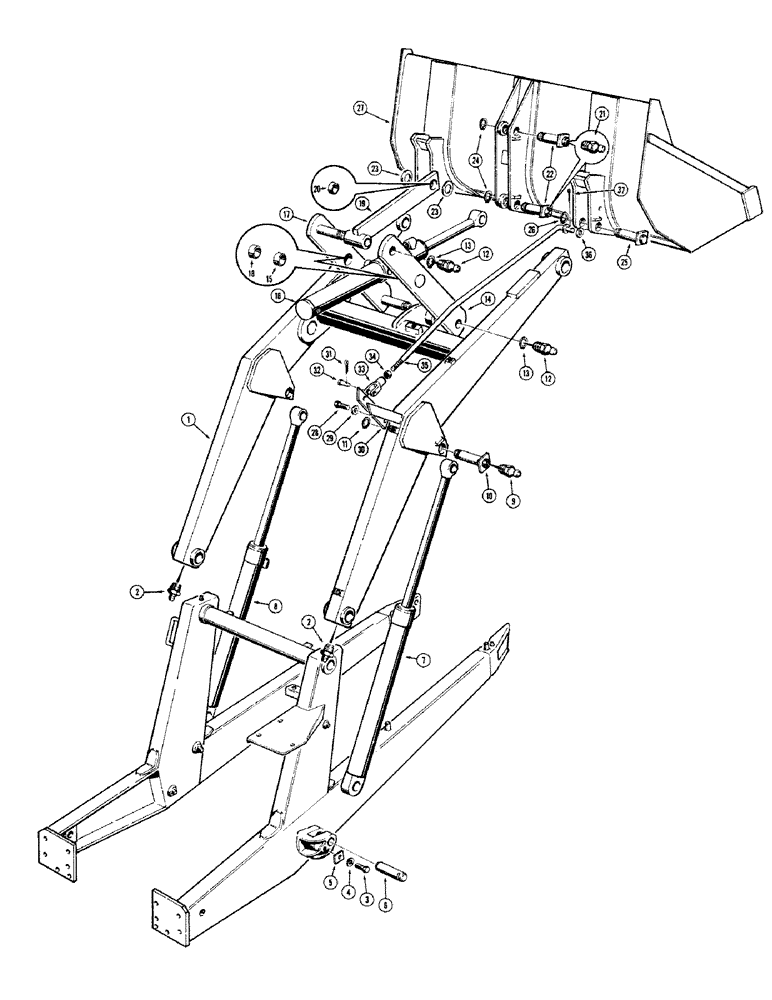
1

D33399

FRAME - loader lift

1шт.

2

219-1

LUBE NIPPLE,1/8" - 27 NPTF

FITTING - straight grease (1/8" NPT)

2шт.

3

13-812

BOLT,Hex, 1/2" - 13 x 3/4", Gr 5

HHCS - 1/2" - 12 NC x 3/4"

2шт.

4

192-163

LOCK WASHER,1/2"

WASHER, LOCK, 1/2"

2шт.

5

D32263

RETAINER

PLATE - pin retaining

2шт.

6

D32265

PIN

- lift cylinder at subframe

2шт.

7

D33440

CYLINDER - hydraulic, R.H. loader lift (2-1/2" dia. x 31-7/16" stroke) Parts list Figure 46

1шт.

8

D33441

CYLINDER - hyraulic, L.H. loader lift (2-1/2" dia. x 31-7/16" stroke) Parts list Figure 46

1шт.

9

219-1

LUBE NIPPLE,1/8" - 27 NPTF

FITTING - straight grease (1/8" NPT)

2шт.

10

D33410

PIN

- lift cylinder to lift frame

2шт.

11

D25279

SNAP RING,M35, Int

RING - retaining

2шт.

12

219-1

LUBE NIPPLE,1/8" - 27 NPTF

FITTING - straight grease (1/8" NPT)

2шт.

13

D25279

SNAP RING,M35, Int

RING - retaining

2шт.

14

D33374

LINK - dump, R.H., Includes: Ref. 15

1шт.

15

D31512

BUSHING,47.75mm ID x 57.15mm OD x 19.05mm L

- dump link

1шт.

16

D36751

CYLINDER - hydraulic, loader dump (3" dia. x 20" stroke) Parts list Figure 44

1шт.

17

D33375

LINK - dump, L.H., Includes: Ref. 18

1шт.

18

D31512

BUSHING,47.75mm ID x 57.15mm OD x 19.05mm L

- dump link

1шт.

19

D36745

LINK - bucket, Includes: Ref. 20

1шт.

20

D30933

BUSHING,38.41mm ID x 47.63mm OD x 31.75mm L

- bucket link

1шт.

21

219-1

LUBE NIPPLE,1/8" - 27 NPTF

FITTING - straight grease (1/8" NPT)

2шт.

22

D33478

PIN - bucket link amd dump, Serial Range: cylinder-bucket

2шт.

23

DR10004

WASHER

- spacer

2шт.

24

D25279

SNAP RING,M35, Int

RING - retaining

2шт.

25

D33408

PIN - lift, Serial Range: frame-bucket

2шт.

26

D25279

SNAP RING,M35, Int

RING - retaining

2шт.

27

REF

INSTRUCTION

BUCKET - loader (See Figure 8 for options)

1шт.

28

13-832

BOLT,Hex, 1/2" - 13 x 2", Gr 5

1шт.

29

195-33

WASHER,1/2"

- plain () 1/2"

1шт.

30

D33999

INDICATOR - bucket posititon

1шт.

31

132-48

COTTER PIN,1/8" x 1"

Pin, Split (Cotter), 1/8" x 1"

1шт.

32

141-6

CLEVIS PIN,1/2" x 1.360"

PIN - clevis, 1/2" dia.

1шт.

33

213-6

ADJUSTABLE CLEVIS,1/2"-20 x 3"

CLEVIS - indicator rod

1шт.

34

25-158

JAM NUT,Jam, 1/2"-20, G5

- hex, jam (1/2" - 20 NF)

1шт.

35

D34000

ROD

- bucket postition indicator

1шт.

36

195-33

WASHER,1/2"

- plain () 1/2"

1шт.

37

132-48

COTTER PIN,1/8" x 1"

Pin, Split (Cotter), 1/8" x 1"

1шт.

Выбрано товаров: 37