Запчасти Case 480CK (28) - BACKHOE CONTROL LEVERS AND LINKAGE (82) - FRONT LOADER & BUCKET

Схема запчастей Case 480CK - (28) - BACKHOE CONTROL LEVERS AND LINKAGE (82) - FRONT LOADER & BUCKET
FIT
1:1
100%

Артикул

Название

Примечание

Количество

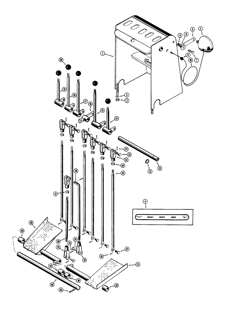
1

D29333

CONSOLE - backhoe control (See Figure 30 for swing down seat arrangement)

1шт.

2

25-116

NUT,Hex, 3/8"-24, G5

- hex. (3/8" - 24 NF)

4шт.

3

92-6

LOCK WASHER,3/8"

4шт.

4

D30664

DECAL

- control console

1шт.

5

A20965

LAMP BASE

LIGHT - flood and tail (Parts list Figure 30)

1шт.

6

D37280

BRACKET - light mounting

1шт.

7

13-816

BOLT,Hex, 1/2" - 13 x 1", Gr 5, Full Thd

1шт.

8

92-8

LOCK WASHER,1/2"

1шт.

9

25-108

NUT,1/2"-13, G5

- hex. (1/2" - 13 NC)

1шт.

10

D38477

ELECTRICAL WIRE

WIRE - light

1шт.

11

49561

GROMMET,1/4" ID x 7/16" Groove Dia

- wire

1шт.

12

A27812

CIRCLIP,#87, .668" Dia, E-Type

Ring, Retaining, #87, .668" Dia, E-Type

1шт.

13

D21626

SHAFT - control levers

1шт.

14

D21755

LEVER - control, R.H. stabilizer

1шт.

15

D21756

LEVER - control, boom

1шт.

16

D21754

LEVER - pivot, swing

1шт.

17

D21757

LEVER - control, dipper

1шт.

18

D21758

LEVER - control, bucket

1шт.

19

D21760

LEVER - control, L.H. stabilizer

1шт.

20

70213

KNOB

- control lever

5шт.

21

132-25

COTTER PIN,3/32" x 5/8"

Pin, Split (Cotter), 3/32" x 5/8"

6шт.

22

141-4

CLEVIS PIN,3/8" x 1.060"

PIN, CLEVIS, , Mounting 3/8" x 1.060"

6шт.

23

213-4

ADJUSTABLE CLEVIS,3/8"-24 x 2 1/2"

YOKE - connecting rod

6шт.

24

25-156

JAM NUT,Jam, 3/8"-24, G5

- hex., jam (3/8" - 24 NF)

6шт.

25

D21763

ROD - straight, connecting (R.H. and L.H. stabilizer, boom, dipper, bucket and swing)

6шт.

26

132-25

COTTER PIN,3/32" x 5/8"

Pin, Split (Cotter), 3/32" x 5/8"

6шт.

27

141-3

CLEVIS PIN,5/16" x .940"

PIN, CLEVIS, , Rod mounting 5/16" x .940"

6шт.

28

D21762

ROD

- "L" bend, connecting (R.H. swing control)

1шт.

29

213-4

ADJUSTABLE CLEVIS,3/8"-24 x 2 1/2"

YOKE - connecting rod

1шт.

30

D21764

ROD - straight, connecting (L.H. swing control)

1шт.

31

25-156

JAM NUT,Jam, 3/8"-24, G5

- hex., jam (3/8" - 24 NF)

1шт.

32

D37600

YOKE

- connecting rod

2шт.

33

132-25

COTTER PIN,3/32" x 5/8"

Pin, Split (Cotter), 3/32" x 5/8"

3шт.

34

141-4

CLEVIS PIN,3/8" x 1.060"

PIN, CLEVIS, , and rod mounting 3/8" x 1.060"

2шт.

35

138-65

LOCK PIN,1/8" x 1 1/2", Slotted

PIN, 1/8" x 1 1/2", Slotted

1шт.

36

D29344

SHAFT

- swing pedals

1шт.

37

D29812

PEDAL - swing, R.H., Includes: Ref. 38

1шт.

38

D29343

BUSHING - pedal

2шт.

39

D29813

PEDAL - swing, L.H., Includes: Ref. 40

1шт.

40

D29343

BUSHING - pedal

2шт.

Выбрано товаров: 40