Запчасти Case 480D (288) - PTO SHIELD AND SPEED INDICATOR (35) - HYDRAULIC SYSTEMS

Схема запчастей Case 480D - (288) - PTO SHIELD AND SPEED INDICATOR (35) - HYDRAULIC SYSTEMS
FIT
1:1
100%

Артикул

Название

Примечание

Количество

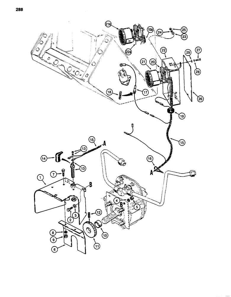
1

D75219

GUARD

SHIELD - PTO shaft

1шт.

2

113-207

BOLT,Hex, 3/8" - 16 x 1", Gr 5

2шт.

3

195-2028

WASHER,.391" x 5/8" x .065"

- flat, 3/8", special

2шт.

4

192-21

LOCK WASHER,3/8"

WASHER, LOCK, 3/8"

2шт.

5

129-103

NUT,Hex, 3/8" - 16, Gr 5

NUT, 3/8"-16, G5

2шт.

6

D74799

SHIELD

- sensor

1шт.

7

113-102

BOLT,Hex, 5/16" - 18 x 3/4", Gr 5

Hex, 5/16"-18 x 3/4", G5, Full Thd

2шт.

8

192-20

LOCK WASHER,Helical Spring, 0.318" ID, CST, ZND

WASHER, LOCK, 5/16"

2шт.

9

9635082

NUT,5/16" - 18, Gr 5

2шт.

10

D74632

SPACER

- disc

1шт.

11

D74741

DISC

- pickup

1шт.

12

83-414

SET SCREW,Hex Soc, 1/4"-20 x 7/8"

- 1/4" - 20 NC x 7/8"

1шт.

13

D75217

SENSOR

- speed indicator, includes hardware

1шт.

14

R29627

BOOT

GUARD - rubber

1шт.

15

D74873

HARNESS

- wire, no longer used, order D134596 harness

1шт.

15a

D134596

HARNESS

- wire

1шт.

16

L18337

CABLE TIE,9.95"-12.1" lg

STRAP - tie, 15 inch, nylon

3шт.

17

D133165

BOX, FUSE

WIRE - fuse holder, Includes: Ref. 18

1шт.

18

223-10

FUSE,10 Amp, Type 3AG

- 10 amp, 3AG

1шт.

19

49567

GROMMET

- harness

1шт.

20

D74877

ELECTRICAL WIRE

WIRE - ground

1шт.

21

D74872

SPARE PART

GAUGE - PTO speed indicator, No. 6 terminals, with lower connecting wire, no longer available, order D 134595 PTO speed indicator gauge

1шт.

21a

D134595

TACHOMETER

GAUGE - PTO speed indicator, No. 8 terminals, with upper connecting wire

1шт.

22

D74814

BRACKET

- gauge, no longer used, order D134954 bracket kit

1шт.

D134954

BRACKET

KIT - bracket, gauge, Includes: Ref. 22A and 22B

1шт.

22a

NSS

NOT SOLD SEPARAT

BRACKET - gauge

1шт.

22b

321-3888

DECAL

- Warning, PTO operating speed, not shown, see Figure 546

1шт.

23

195-521

WASHER,5/16", SAE

- flat, 5/16", plated

1шт.

24

192-20

LOCK WASHER,Helical Spring, 0.318" ID, CST, ZND

WASHER, LOCK, 5/16"

1шт.

25

9635082

NUT,5/16" - 18, Gr 5

1шт.

26

D74801

COVER

- bracket

1шт.

27

113-102

BOLT,Hex, 5/16" - 18 x 3/4", Gr 5

- hex head, 5/16" - 18 NC x 1-1/4", plated

2шт.

28

192-20

LOCK WASHER,Helical Spring, 0.318" ID, CST, ZND

WASHER, LOCK, 5/16"

2шт.

29

195-521

WASHER,5/16", SAE

- flat, 5/16", plated

2шт.

Выбрано товаров: 34