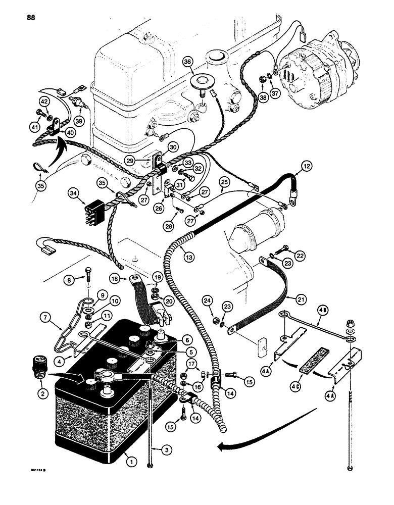
Запчасти Case 480D (088) - BATTERY AND ENGINE ELECTRICAL CIRCUIT, 480D MODELS ONLY (55) - ELECTRICAL SYSTEMS

Схема запчастей Case 480D - (088) - BATTERY AND ENGINE ELECTRICAL CIRCUIT, 480D MODELS ONLY (55) - ELECTRICAL SYSTEMS
FIT
1:1
100%

Артикул

Название

Примечание

Количество

1

BHC30

BATTERY, DRY

BATTERY - 12 volt, service replacement, maintenance free, see Figure 478 for battery compartment, replaces battery which used (6) A60553 nonspill caps

1шт.

2

A60553

CAP

- battery, nonspill, if used

6шт.

3

115-218

BOLT,Hex, 3/8" - 16 x 10", Gr 2

2шт.

4

D55559

HOOK

RETAINER - battery, no longer available, order (2) D125079 bracket (Ref. 41), D55561 retainer (Ref. 4B), and D66072 strip (Ref. 4C)

1шт.

4a

D125079

BRACKET

- battery hold down

2шт.

4b

D55561

RETAINER

- battery hold down

1шт.

4c

D66072

SEALING STRIP

- rubber

1шт.

5

195-525

WASHER,3/8", SAE

- flat, 3/8", plated

2шт.

6

131-52

NUT,3/8"-16, GC

NUT - hex, self-locking, 3/8" - 16 NC, plated

2шт.

7

D75052

CHAIN (AG)

CHAIN - door stop

1шт.

8

113-208

BOLT,Hex, 3/8" - 16 x 1-1/4", Gr 5

1шт.

9

195-2034

WASHER,7/16" x 1 1/4" x .134"

- flat, chain retaining

1шт.

10

192-21

LOCK WASHER,3/8"

WASHER, LOCK, 3/8"

1шт.

11

129-103

NUT,Hex, 3/8" - 16, Gr 5

NUT, 3/8"-16, G5

1шт.

12

D80892

CABLE

- battery, positive

1шт.

13

D134214

GUARD

SLEEVE - rubber, positive cable, 68" long, replaces 56" long sleeve on some models

1шт.

14

R21385

CLAMP

- battery cable

2шт.

15

113-207

BOLT,Hex, 3/8" - 16 x 1", Gr 5

2шт.

16

192-21

LOCK WASHER,3/8"

WASHER, LOCK, 3/8"

2шт.

17

129-103

NUT,Hex, 3/8" - 16, Gr 5

NUT, 3/8"-16, G5

2шт.

18

D73427

STRAP

1шт.

19

193-85

LOCK WASHER,Ext Tooth, 5/8"

WASHER - external tooth lock, 5/8", plated

1шт.

20

425-1410

JAM NUT,Jam, 5/8"-11, G5

- hex, jam, 5/8" - 11 NC, plated

1шт.

21

D73383

STRAP

CABLE - starter to frame, ground

1шт.

22

113-213

BOLT,Hex, 3/8" - 16 x 2-1/4", Gr 5

- hex head, 3/8" - 16 NC x 1-1/4", plated

1шт.

23

193-72

LOCK WASHER

- internal-external tooth lock, 3/8", plated

2шт.

24

129-103

NUT,Hex, 3/8" - 16, Gr 5

NUT, , For bolt and steering tube clamps, see Figure 136 3/8"-16, G5

1шт.

25

D79476

ELECTRICAL WIRE

WIRE - starter to circuit breaker

1шт.

26

A22877

BREAKER,40A

CIRCUIT BREAKER - 40 amperes

1шт.

27

193-1000

NUT,Keps, w/LW,#10-32

AND LOCK WASHER - No. 10 - 32 NF, plated

4шт.

28

182-145

SCREW,Sl Pan Hd, #10 - 32 x 1/2"

MACHINE SCREW - pan head slotted, No. 10 - 32 NF x 1/2"

2шт.

29

D74343

PLATE

STRAP - circuit breaker mounting

1шт.

30

NLS

NO LONGER SERVICED

- harness mounting

1шт.

31

113-3

BOLT,Hex, 1/4" - 20 x 3/4", Gr 5

1шт.

32

92-4

LOCK WASHER,1/4"

WASHER, LOCK, 1/4"

1шт.

33

195-102

WASHER,1/4"

- flat, , plated 1/4"

1шт.

34

D99755

HARNESS

- engine

1шт.

35

L18337

CABLE TIE,9.95"-12.1" lg

STRAP - tie, 15 inch, nylon

2шт.

36

REF

INSTRUCTION

SENDER - air cleaner restriction indicator, see Figure 16 for air cleaner and connecting parts

1шт.

37

193-60

LOCK WASHER,Int Tooth, 1/4"

WASHER, LOCK, Int Tooth, 1/4"

1шт.

38

825-1106

NUT,Hex, M6, Cl 8

- hex, 6 mm - 1, plated

1шт.

39

A162297

SWITCH

SENDER - oil pressure gauge

1шт.

40

A38799

CLAMP

- harness, can be replaced by Ref. 35

1шт.

41

113-2

BOLT,Hex, 1/4" - 20 x 5/8", Gr 5

1шт.

42

92-4

LOCK WASHER,1/4"

WASHER, LOCK, 1/4"

1шт.

Выбрано товаров: 45