Запчасти Case 480D (112) - TRACTOR LAMP ELECTRICAL CIRCUIT, WITH CANOPY (55) - ELECTRICAL SYSTEMS

Схема запчастей Case 480D - (112) - TRACTOR LAMP ELECTRICAL CIRCUIT, WITH CANOPY (55) - ELECTRICAL SYSTEMS
FIT
1:1
100%

Артикул

Название

Примечание

Количество

1

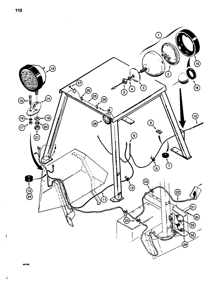
D88547

LAMP BASE

LAMP ASSEMBLY - front, interchangeable with A59701 lamp, Includes: Ref. 1A - 2

2шт.

1a

A25213

RETAINER

- lamp, locks to shell with three rubber tabs, if used

1шт.

1b

N6160

LAMP

RETAINER - lamp, locks over shell flange, if used

1шт.

2

A11280

LAMP

BULB - sealed beam, No. 4411

1шт.

3

A59702

RETAINER

WASHER - retainer

2шт.

4

193-87

LOCK WASHER,Ext-Int Tooth, 1/2"

WASHER, LOCK, Ext-Int Tooth, 1/2"

2шт.

5

129-105

NUT,Hex, 1/2" - 13, Gr 5

2шт.

6

D88626

HARNESS

WIRE - front lamps

1шт.

7

49561

GROMMET,1/4" ID x 7/16" Groove Dia

- rubber

1шт.

8

F93268

CLIP

- wire, stick on type

5шт.

9

80049853

YOKE

- wire

2шт.

10

NSS

NOT SOLD SEPARAT

SLEEVE - protective, lamp wire connection

2шт.

11

D91117

ELECTRICAL WIRE

WIRE - rear fender lamp

1шт.

12

515-23127

CLAMP,1/2", Insul, 3/8" Bolt

- wire, used with fender mounted rear lamp

1шт.

13

D37936

GROMMET

- rubber, used with fender mounted rear lamp

1шт.

14

A34046

BRACKET

- used with fender mounted rear lamp

1шт.

15

113-209

BOLT,Hex, 3/8" - 16 x 1-1/2", Gr 5

Used with fender mounted rear lamp Hex, 3/8"-16 x 1 1/2", G5

1шт.

16

192-21

LOCK WASHER,3/8"

WASHER, LOCK, , Used with fender mounted rear lamp 3/8"

1шт.

17

129-103

NUT,Hex, 3/8" - 16, Gr 5

NUT, , Used with fender mounted rear lamp 3/8"-16, G5

1шт.

18

D70115

LAMP

- rear flood and tail, parts list Figure 118, used with fender mounted rear lamp

1шт.

19

195-533

WASHER,1/2", SAE

- flat, 1/2", plated, used with fender mounted rear lamp

1шт.

20

192-23

LOCK WASHER,1/2"

WASHER, LOCK, , Used with fender mounted rear lamp 1/2"

1шт.

21

129-105

NUT,Hex, 1/2" - 13, Gr 5

Used with fender mounted rear lamp 1/2"-13, G5

1шт.

22

D88628

HARNESS

- used with upper rear lamps and flashers

1шт.

23

49838

CLAMP

- harness, used with upper rear lamps and flashers

3шт.

24

D37936

GROMMET

- rubber, used with upper rear lamps and flashers

2шт.

25

D88627

HARNESS

- used with upper rear lamps and flashers

1шт.

26

F93268

CLIP

- wire, stick on type, used with upper rear lamps and flashers

2шт.

27

L10082

GROMMET

- rubber, used with upper rear lamps and flashers

1шт.

28

D88684

LAMP

ASSEMBLY - rear flood, parts list Figure 118, used with upper rear lamps and flashers

2шт.

29

D75557

BRACKET

- lamp mounting, rear, used with upper rear lamps and flashers

2шт.

30

113-118

BOLT,Hex, 5/16" - 18 x 5/8", Gr 5

Used with upper rear lamps and flashers Hex, 5/16"-18 x 5/8", G5, Full Thd

4-8шт.

31

192-20

LOCK WASHER,Helical Spring, 0.318" ID, CST, ZND

WASHER, LOCK, , Used with upper rear lamps and flashers 5/16"

4-8шт.

32

D49733

LAMP

- stop and tail, parts list Figure 116, used with upper rear lamps and flashers

2шт.

33

D122121

LAMP,12V

- flasher, parts list Figure 116, used with upper rear lamps and flashers

2шт.

Выбрано товаров: 35