Запчасти Case 480D (398) - LOADER ANTIROLLBACK CONTROL (82) - FRONT LOADER & BUCKET

Схема запчастей Case 480D - (398) - LOADER ANTIROLLBACK CONTROL (82) - FRONT LOADER & BUCKET
FIT
1:1
100%

Артикул

Название

Примечание

Количество

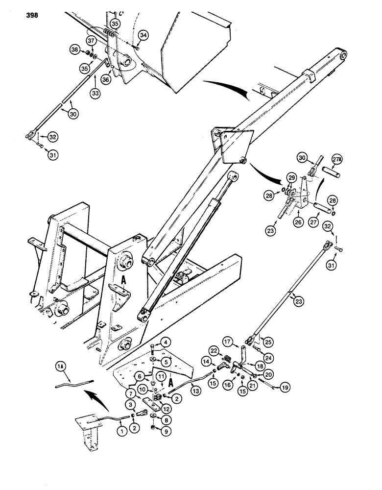
1

D69960

ROD

- bucket control, used on models with Parker control valve

1шт.

1a

D127097

ROD

- bucket control, used on models with Case control valve

1шт.

2

129-123

NUT,3/8"-24, G5

2шт.

3

213-41

ADJUSTABLE CLEVIS,3/8"-24

metal, plated, replaces fiberglass clevis on some models 3/8"-24

1шт.

4

113-441

BOLT,Hex, 1/2" - 13 x 2-1/4", Gr 5

Hex, 1/2"-13 x 2 1/4", G5

1шт.

5

95-8

WASHER,1/2"

flat 1/2"

1шт.

6

D75648

SPACER

- pivot

1шт.

7

D69578

LINK

- rod connecting, pivot

1шт.

8

D64050

WASHER

- hardened

1шт.

9

131-654

LOCK NUT,1/2"-13, GB

NUT - hex, self-locking, 1/2" - 13 NC

1шт.

10

141-4

CLEVIS PIN,3/8" x 1.060"

PIN, CLEVIS, 3/8" x 1.060"

2шт.

11

132-25

COTTER PIN,3/32" x 5/8"

Pin, Split (Cotter), 3/32" x 5/8"

2шт.

12

L11182

YOKE,3/8" - 24

CLEVIS - rod end, offset

1шт.

13

D99007

ROD

- input

1шт.

14

D69180

BALL JOINT

- 3/8"

1шт.

15

129-123

NUT,3/8"-24, G5

2шт.

16

192-21

LOCK WASHER,3/8"

WASHER, LOCK, 3/8"

1шт.

17

D99017

LEVER

- antirollback

1шт.

18

86636814

LUBE NIPPLE,1/4"-28 x .52" lg

GREASE FITTING - straight, 1/4"-28 NF

1шт.

19

113-630

BOLT,Hex, 5/8" - 11 x 6", Gr 5

- hex head, 5/8" - 11 NC x 6", plated

1шт.

20

T53567

BEARING WASHER,16.66mm ID x 33.33mm OD x 3.43mm Thk

WASHER - hardened, 5/8"

1шт.

21

D69565

SLEEVE

- spacer

1шт.

22

D72099

SPRING

- return

1шт.

23

D99008

TUBE,1098 mm L

- antirollback, intermediate

1шт.

24

141-4

CLEVIS PIN,3/8" x 1.060"

PIN, CLEVIS, 3/8" x 1.060"

1шт.

25

132-25

COTTER PIN,3/32" x 5/8"

Pin, Split (Cotter), 3/32" x 5/8"

1шт.

26

D99183

LEVER

BRACKET - pivot, antirollback

1шт.

27

D80739

PIN

- pivot, with hole for bolt and nut, Refs. 15 and 16 on Figure 400, if used

1шт.

27a

D28649

PIN

- pivot, without hole, if used

1шт.

28

D25279

SNAP RING,M35, Int

- pin retaining

2шт.

29

D28610

WASHER,38.5mm ID x 63.5mm OD x 2.66mm Thk

- spacer, pivot pin

2шт.

30

D99010

TUBE,1254.5 mm L

- antirollback, outer

1шт.

31

141-4

CLEVIS PIN,3/8" x 1.060"

PIN, CLEVIS, 3/8" x 1.060"

2шт.

32

132-25

COTTER PIN,3/32" x 5/8"

Pin, Split (Cotter), 3/32" x 5/8"

2шт.

33

D99012

ROD

- antirollback

1шт.

34

113-441

BOLT,Hex, 1/2" - 13 x 2-1/4", Gr 5

Hex, 1/2"-13 x 2 1/4", G5

1шт.

35

95-8

WASHER,1/2"

flat 1/2"

6шт.

36

D40896

ROLLER

BUSHING - rod

1шт.

37

192-23

LOCK WASHER,1/2"

WASHER, LOCK, 1/2"

1шт.

38

129-105

NUT,Hex, 1/2" - 13, Gr 5

1шт.

Выбрано товаров: 40