Запчасти Case 480D (430) - BACKHOE STABILIZERS, 480D MODELS ONLY (84) - BOOMS, DIPPERS & BUCKETS

Схема запчастей Case 480D - (430) - BACKHOE STABILIZERS, 480D MODELS ONLY (84) - BOOMS, DIPPERS & BUCKETS
FIT
1:1
100%

Артикул

Название

Примечание

Количество

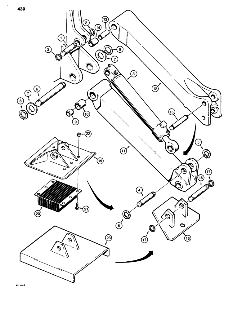
1

D28037

AXLE PIN

PIN - stabilizer cylinder to mounting frame

2шт.

2

D25279

SNAP RING,M35, Int

- pin retaining

4шт.

3

G101200

STABILIZER,STABILIZER CYLINDER

CYLINDER - stabilizer, models without extendable dipper, parts list Figure 370

2шт.

3

G102294

CYLINDER

- stabilizer, models with extendable dipper, parts list Figure 372

2шт.

4

D37606

PIN,38.1mm OD x 103.5mm L

- stabilizer cylinder to stabilizer leg, used with D71633 and D71634 stabilizer legs

2шт.

5

D25279

SNAP RING,M35, Int

- pin retaining

4шт.

6

D46404

PIN

- stabilizer leg to mounting frame

2шт.

7

195-2152

WASHER,1 13/16" x 2 1/2" x .109"

- flat, 1-3/4", special

4шт.

8

D25280

SNAP RING,#175, Ext

Ring, Snap, , pin #175, Ext

4шт.

D71633

STABILIZER

LEG - stabilizer, left-hand, Includes: Refs. 9 - 11, used with D87467 backhoe mounting frame, see Figure 428 (Ref. 1)

1шт.

D71634

SUPPORT ASSY.

LEG - stabilizer, right-hand, Includes: Refs. 9 - 11, used with D87467 backhoe mounting frame, see Figure 428 (Ref. 1)

1шт.

9

D37392

BUSHING,44.68mm ID x 53.98mm OD x 31.75mm L

-, Serial Range: leg-frame

2шт.

10

D38134

BUSHING

SPACER - bushing

1шт.

11

NSS

NOT SOLD SEPARAT

LEG - stabilizer

1шт.

D94498

STABILIZER

LEG - stabilizer, used with D121756 backoe mounting frame, see Figure 428 (Ref. 1A), Includes: Ref. 12 - 14

2шт.

12

NSS

NOT SOLD SEPARAT

LEG - stabilizer

1шт.

13

D121757

SPACER

- bushing

1шт.

14

D33054

BUSHING

-, Serial Range: leg-frame

2шт.

15

D40941

PIN,38.1mm OD x 149.22mm L

- stabilizer cylinder to stabilizer leg, used with D94498 stabilizer leg

2шт.

16

D37603

PIN

- stabilizer, Serial Range: leg-plate

2шт.

17

D26918

SNAP RING,#125, Ext

Ring, Snap, , pin #125, Ext

4шт.

18

D38080

FOOT REST

PLATE - stabilizer, cleated, standard, if used

2шт.

19

D61380

STABILIZER

PLATE - stabilizer, street or cemetery pad, optional

2шт.

20

D61368

PAD

Rubber, Optional

2шт.

21

113-713

BOLT,Hex, 3/4" - 10 x 1-3/4", Gr 5

8шт.

22

129-108

NUT,3/4"-10, G5

8шт.

23

D99791

PAD

PLATE - stabilizer, square, cleated, heavy duty, if used

2шт.

Выбрано товаров: 27