Запчасти Case 480D (016) - AIR CLEANER AND AIR INTAKE PARTS (10) - ENGINE

Схема запчастей Case 480D - (016) - AIR CLEANER AND AIR INTAKE PARTS (10) - ENGINE
FIT
1:1
100%

Артикул

Название

Примечание

Количество

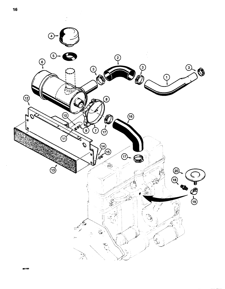
1

D99846

AIR INTAKE TUBE

TUBE - horizontal, air cleaner intake, if used, see Ref. 4

1шт.

2

D99845

HOSE

- horizontal tube to air cleaner, if used

1шт.

3

214-261

HOSE CLAMP,#40, 2.06" - 3", Type F Worm

CLAMP - horizontal tube and hose, if used

3шт.

4

A61276

AIR CLEANER

CAP - vertical air cleaner intake, if used, see Ref. 1

1шт.

5

D75362

RING

GROMMET - air cleaner cap, if used

1шт.

6

A139086

AIR CLEANER

- engine, parts list Figure 18

1шт.

7

L11247

BAND

- air cleaner mounting

2шт.

8

113-206

BOLT,Hex, 3/8" - 16 x 3/4", Gr 5, Full Thd

4шт.

9

195-525

WASHER,3/8", SAE

- flat, 3/8", plated

4шт.

10

192-21

LOCK WASHER,3/8"

WASHER, LOCK, 3/8"

4шт.

11

129-103

NUT,Hex, 3/8" - 16, Gr 5

NUT, 3/8"-16, G5

4шт.

12

D99797

BRACKET

- air cleaner mounting

1шт.

13

D86157

RUBBER

STRIP - sponge rubber

1шт.

14

195-103

WASHER,5/16"

- flat, , plated 5/16"

4шт.

15

131-4

LOCK NUT,5/16"-18, GB

NUT - hex, self-locking, 5/16" - 18 NC

4шт.

16

D99082

INTAKE AIR HOSE,57.15 mm ID x 217.00 mm, SAE J20 20R4 CLASS D2

- Air Cleaner to Manifold 57.15 mm ID x 217.00 mm, SAE J20 20R4 CLASS D2

1шт.

17

214-261

HOSE CLAMP,#40, 2.06" - 3", Type F Worm

CLAMP - hose

2шт.

18

D36264

FITTING

AND FILTER ASSEMBLY - air restriction indicator

1шт.

19

221-374

ELBOW,90 Degree, 1/8" NPT

- 90 degree, 1/8" NPT

1шт.

20

A154782

SWITCH

SENDER - air filter restriction indicator

1шт.

Выбрано товаров: 20