Запчасти Case 480D (534) - WINDSHIELD WIPER MOTORS, FRONT WINDSHIELD WIPER MOTOR ONLY 480D MODELS ONLY (90) - PLATFORM, CAB, BODYWORK AND DECALS

Схема запчастей Case 480D - (534) - WINDSHIELD WIPER MOTORS, FRONT WINDSHIELD WIPER MOTOR ONLY 480D MODELS ONLY (90) - PLATFORM, CAB, BODYWORK AND DECALS
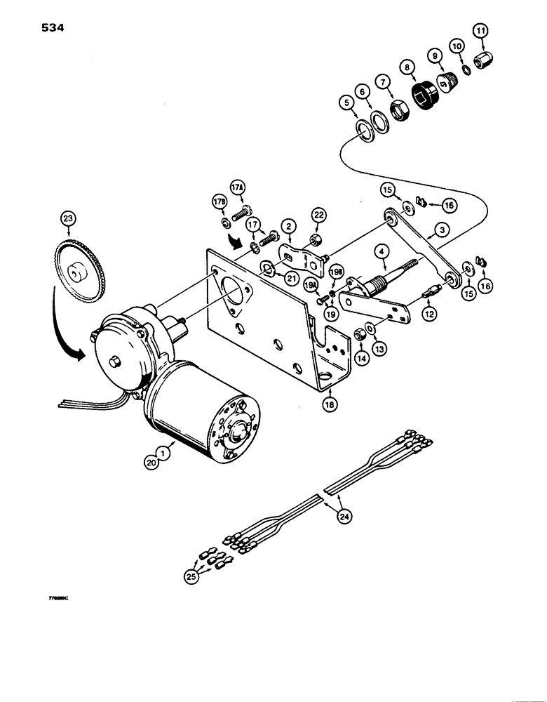
FIT
1:1
100%

Артикул

Название

Примечание

Количество

F96772

WIPER MOTOR

MOTOR ASSEMBLY - front windshield wiper, with bracket, Includes: Ref. 1 - 19

1шт.

1

F96765

WIPER MOTOR

MOTOR ASSEMBLY - windshield wiper, see parts list below, same as for rear windshield wiper

1шт.

2

F64210

LEVER

ARM - drive

1шт.

3

D71427

LINK,85.85mm L

- arm to shaft; Includes Two Nylon Bushings NSS

1шт.

D72848

SHAFT

ASSEMBLY - pivot, Includes: Ref. 4 - 14

1шт.

4

NSS

NOT SOLD SEPARAT

SHAFT - pivot

1шт.

5

D71417

SPECIAL WASHER

WASHER - fiber

1шт.

6

D71418

WASHER

- steel

1шт.

7

D71419

NUT

- shaft

1шт.

8

D71420

CAP

- shaft

1шт.

9

D71421

TOOL

DRIVE - knurled

1шт.

10

193-9

LOCK WASHER,Ext Tooth, 5/16"

WASHER, LOCK, Ext Tooth, 5/16"

1шт.

11

D71422

NUT

- cap

1шт.

12

D73642

PIN

- special

1шт.

13

193-60

LOCK WASHER,Int Tooth, 1/4"

WASHER, LOCK, Int Tooth, 1/4"

1шт.

14

425-154

JAM NUT,Jam, 1/4"-28, G5

1шт.

15

A22431

WASHER

- spacer

2шт.

16

D71414

CLIP

- spring

2шт.

17

D72849

SCREW

AND WASHER - bracket to motor, order Refs. 17A and 17B

3шт.

17a

182-528

SCREW,Sl Pan Hd, #10 - 32 x 1/2"

MACHINE SCREW - pan head slotted, No. 10 - 32 NF x 1/2", plated

3шт.

17b

192-18

LOCK WASHER,Helical Spring, #10, 0.196" ID, CST, ZND

WASHER, LOCK, #10

3шт.

18

D72850

BRACKET

- mounting

1шт.

19

NSS

NOT SOLD SEPARAT

SCREW AND WASHER - bracket to arm, order 19A and 19B

2шт.

19a

182-528

SCREW,Sl Pan Hd, #10 - 32 x 1/2"

MACHINE SCREW - pan head slotted, No. 10 - 32 NF x 1/2", plated

2шт.

19b

192-18

LOCK WASHER,Helical Spring, #10, 0.196" ID, CST, ZND

WASHER, LOCK, #10

2шт.

F96765

WIPER MOTOR

MOTOR ASSEMBLY - windshield wiper, front and rear, Includes: Ref. 20 - 23

2шт.

20

NSS

NOT SOLD SEPARAT

MOTOR - windshield wiper

1шт.

21

D71411

WASHER

- wave

1шт.

22

F44452

LOCK NUT

- shaft, 1/4" - 18 NF

1шт.

23

N6029

GEAR

- plastic drive

1шт.

24

F64530

ELECTRICAL WIRE

WIRE - electrical

2шт.

25

223-154

CONNECTOR, ELEC

CONNECTOR - female, male, used with Ref. 24

6шт.

Выбрано товаров: 32