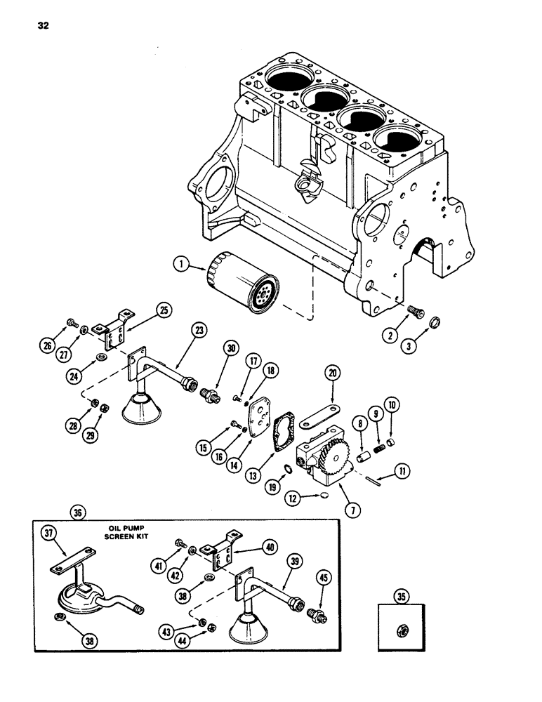
Запчасти Case 480D (032) - OIL FILTER, 188 DIESEL ENGINE/OIL PUMP (10) - ENGINE

Схема запчастей Case 480D - (032) - OIL FILTER, 188 DIESEL ENGINE/OIL PUMP (10) - ENGINE
FIT
1:1
100%

Артикул

Название

Примечание

Количество

1

A146696

ENGINE OIL FILTER

FILTER - engine oil

1шт.

2

A153552

ADAPTER

ADAPTER -, Serial Range: filter-block

1шт.

3

41-1016

PLUG,Cup, 1"

PLUG - 1 inch cup type (25 mm)

1шт.

7

A38372

PUMP

PUMP ASSEMBLY - engine oil (New) Includes: Ref. 8 - 18

1шт.

7

AR38372

REMAN-ENG OIL PUMP

REMAN-ENGINE OIL PUMP Remanufactured Oil Pump; For N.A. only

1шт.

7

AC38372

CORE-ENGINE OIL PUMP

CORE-ENGINE OIL PUMP RETURN NUMBER - For N.A. only

1шт.

8

A155144

VALVE, PRESSURE RELI

EF VALVE - relief (Replaces A29279), oil pump

1шт.

9

G48500

SPRING

SPRING - relief valve, oil pump

1шт.

10

A29260

RETAINER

RETAINER - relief valve spring, oil pump

1шт.

11

138-62

LOCK PIN,1/8" x 1 1/8", Slotted

PIN, , Oil pump 1/8" x 1 1/8", Slotted

1шт.

12

A39321

PLUG,Cup, 7/16"

PLUG - body, 1/2 inch cup type (13 mm), oil pump

1шт.

13

G46852

GASKET

GASKET - pump cover, oil

1шт.

14

NSS

NOT SOLD SEPARAT

COVER - pump body, oil

1шт.

15

13-420

BOLT,Hex, 1/4" - 20 x 1-1/4", Gr 5

BOLT, , Oil pump Hex, 1/4"-20 x 1 1/4", G5

1шт.

15

13-412

BOLT,Hex, 1/4" - 20 x 3/4", Gr 5, Full Thd

BOLT, , Oil pump Hex, 1/4"-20 x 3/4", G5, Full Thd

3шт.

16

92-4

LOCK WASHER,1/4"

WASHER, LOCK, , Oil pump 1/4"

4шт.

17

73-410

SCREW,Slotted Flat Hd, 1/4"-20 x 5/8"

SCREW - slotted flat head, 1/4 x 5/8 inch NC, oil pump

2шт.

18

193-52

LOCK WASHER,Ext Csk Tooth, 1/4"

WASHER, LOCK, , Oil pump Ext Csk Tooth, 1/4"

2шт.

19

A27365

O-RING,0.103" Thk x 0.75" ID, -116, Cl 5, 75 Duro

O-RING - oil port, pump

1шт.

20

G11337

SHIM,.002" Thk

SHIM, , Pump to bearing cap (0.05 mm), Oil .002" Thk

1шт.

20

G11338

SHIM,.005" Thk

SHIM, , Pump to bearing cap (0.13 mm), Oil .005" Thk

1шт.

23

A156794

FILTER SCREEN

SCREEN - oil pump (See Ref. 36)

1шт.

24

G35009

WASHER

WASHER - screen bracket to bearing cap (Replaces G49404), oil pump

2шт.

25

A156845

BRACKET

BRACKET - screen support, oil pump

1шт.

26

13-48

BOLT,Hex, 1/4" - 20 x 1/2", Gr 5

BOLT, , Oil pump Hex, 1/4"-20 x 1/2", G5, Full Thd

2шт.

27

95-4

WASHER,1/4"

WASHER - flat, 5/16 x 3/4 x 1/16 inch (8 x 19 x 2 mm), oil pump

2шт.

28

92-4

LOCK WASHER,1/4"

WASHER, LOCK, , Oil pump 1/4"

2шт.

29

25-104

NUT,1/4"-20, G5

NUT, , Oil pump 1/4"-20, G5

2шт.

30

218-1026

HYD CONNECTOR,7/8"-14, 37 Degree x 3/8"-18, NPTF

CONNECTOR - straight, oil pump

1шт.

35

223-207

LOCK NUT

NUT - suction tube to pump (Used with A39896 screen, Ref. 37), oil

1шт.

36

A155221

KIT

SCREEN KIT - oil pump, Includes: Ref. 37 - 45

1шт.

37

A39896

FILTER SCREEN

SCREEN - oil pump, used with shallow oil pan

1шт.

38

G35009

WASHER

WASHER - bracket to bearing cap (Replaces G49404), oil pump

2шт.

39

A156794

FILTER SCREEN

SCREEN - oil pump, used with deep oil pan

1шт.

40

A156845

BRACKET

BRACKET - screen support (Replaces A155169), oil pump

1шт.

41

13-48

BOLT,Hex, 1/4" - 20 x 1/2", Gr 5

BOLT, , Oil pump Hex, 1/4"-20 x 1/2", G5, Full Thd

2шт.

42

95-4

WASHER,1/4"

WASHER - flat, 1/4 inch, oil pump

2шт.

43

92-4

LOCK WASHER,1/4"

WASHER, LOCK, , Oil pump 1/4"

2шт.

44

25-104

NUT,1/4"-20, G5

NUT, , Oil pump 1/4"-20, G5

2шт.

45

218-1026

HYD CONNECTOR,7/8"-14, 37 Degree x 3/8"-18, NPTF

CONNECTOR - straight, 5/8 tube 7/8-14 x 3/8 tube 9/16-18 inch thread, oil pump

1шт.

Выбрано товаров: 40