Запчасти Case 480D (060) - INJECTION PUMP, 188 DIESEL ENGINE (10) - ENGINE

Схема запчастей Case 480D - (060) - INJECTION PUMP, 188 DIESEL ENGINE (10) - ENGINE
FIT
1:1
100%

Артикул

Название

Примечание

Количество

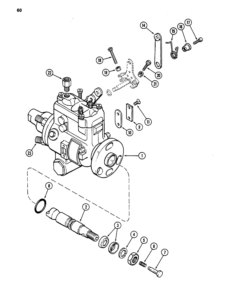
1

A155747

PUMP, FUEL INJECTION

PUMP ASSEMBLY - fuel injection, 2100 RPM, Includes: Ref. 2 - 23

1шт.

2

A44710

SHAFT

ASSEMBLY - pump drive

1шт.

3

R14711

SEAL

- pump shaft

2шт.

4

192-24

LOCK WASHER,9/16"

WASHER, LOCK, 9/16"

1шт.

5

25-119

NUT,9/16"-18, G5

- hex, 9/16 inch NF

1шт.

6

G48502

SPRING

- thrust plunger, 1-3/16 inch free length (30 mm)

1шт.

7

A44653

PLUNGER

- thrust, pump drive shaft

1шт.

8

74244

SEAL,0.139" Thk x 1.046" ID, -215, Cl 5, 75 Duro

SEAL - pilot tube (o-ring)

1шт.

9

73452

COVER

- timing hole

1шт.

10

NLS

NO LONGER SERVICED

- timing hole cover

1шт.

11

A47591

SCREW

- timing hole cover

2шт.

14

G45338

ARM

LEVER - throttle

1шт.

15

G48505

SPRING

- throttle lever

1шт.

16

G49621

RETAINER

- throttle lever spring

1шт.

17

165-124

HEX SOC SCREW,Prev Torque, #10 - 32 x 3/4"

SCREW - retainer

1шт.

18

G49088

ADJUSTMENT SCREW,#10 - 32 x 1.781"

- high idle adjustment

1шт.

19

51200274

NUT

- lock, high idle adjustment screw hex, No. 10-32

1шт.

20

NSS

NOT SOLD SEPARAT

SCREW - low idle adjustment

1шт.

21

NSS

NOT SOLD SEPARAT

NUT - lock, low idle adjustment screw

1шт.

22

A47592

ROD, CONNECTING

CONNECTOR - return line

1шт.

23

A47593

CONNECTOR, ELEC

CONNECTOR - fuel lines

4шт.

Выбрано товаров: 21