Запчасти Case 480D (188) - MAINSHAFT, TRANSAXLE (27) - REAR AXLE SYSTEM

Схема запчастей Case 480D - (188) - MAINSHAFT, TRANSAXLE (27) - REAR AXLE SYSTEM
FIT
1:1
100%

Артикул

Название

Примечание

Количество

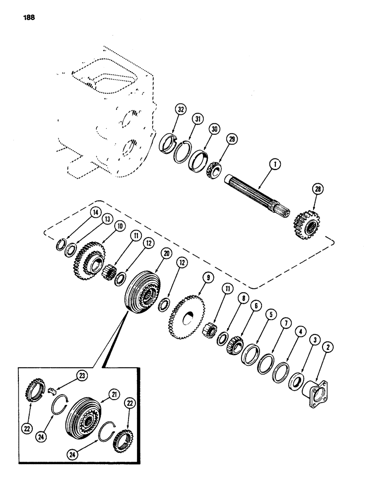
1

A148508

SHAFT

MAINSHAFT - transaxle

1шт.

2

D75847

YOKE

- power input

1шт.

3

G10422

OIL SEAL

- oil, front (Order A155950)

1шт.

4

A39184

COLLAR

- pilot, front cover

1шт.

5

G10425

CUP

- bearing, front, 2-7/8 inch OD (73 mm)

1шт.

6

G10424

CONE

- bearing, front, 1-9/16 inch ID (40 mm)

1шт.

7

A51527

SHIM,.035" Thk

Front bearing (0.89 mm) .035" Thk

1шт.

7

G10341

SHIM,.005" Thk

Front bearing (0.13 mm) .005" Thk

1шт.

7

G10340

SHIM,.007" Thk

(0.18 mm), Front bearing .007" Thk

1шт.

8

A136386

COLLAR

- thrust, front bearing

1шт.

9

A148194

GEAR

- sliding, fourth (27 and 44 external teeth)

1шт.

10

A136597

GEAR

- sliding, third (27 and 35 external teeth)

1шт.

11

A51956

SYNCHRONIZER,24T

- third and fourth gears (24 internal teeth)

2шт.

12

A138572

WASHER

- thrust, third and fourth gears, 1/8 inch thick with 24 internal teeth

2шт.

13

A140239

COLLAR,24T

COLLAR - thrust, third and fourth gears (24 internal teeth)

1шт.

14

A26946

RING

- snap

1шт.

20

A138655

GEAR

SYNCHRONIZER ASSEMBLY - mainshaft, Includes: Ref. 21 - 24

1шт.

21

NSS

NOT SOLD SEPARAT

HUB AND SLEEVE ASSEMBLY - (Order A138655)

1шт.

22

A45568

SPECIAL RING

RING - blocking

2шт.

23

G46078

PLATE

- shifter

3шт.

24

L33396

SPRING

- lock ring (Replaces A40766)

2шт.

28

A168172

GEAR

- sliding, first and second (16 and 25 external and 24 internal teeth)

1шт.

29

T20939

ROLLER BEARING,1.25" ID x 0.771"

CONE - bearing, rear, 1-1/4 inch ID (32 mm)

1шт.

30

A29977

BEARING CUP

CUP - bearing, rear, 2-3/4 inch OD (70 mm)

1шт.

31

A29971

RING

- snap, rear bearing retaining

1шт.

32

G10616

CUP

- oiling, mainshaft, rear

1шт.

Выбрано товаров: 26