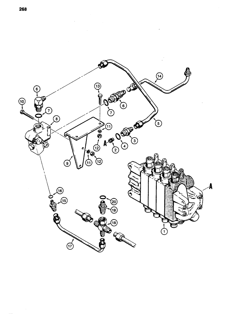
Запчасти Case 480D (268) - BACKHOE BOOM LOCK HYDRAULIC CIRCUIT, 480D MODELS ONLY (35) - HYDRAULIC SYSTEMS

Схема запчастей Case 480D - (268) - BACKHOE BOOM LOCK HYDRAULIC CIRCUIT, 480D MODELS ONLY (35) - HYDRAULIC SYSTEMS
FIT
1:1
100%

Артикул

Название

Примечание

Количество

1

REF

INSTRUCTION

CONTROL VALVE - backhoe, parts list Figures 314 and 316

1шт.

2

D87325

RESTRICTOR

- bottom port, boom section

1шт.

3

D99170

CONNECTOR, ELEC

ADAPTER - straight, male, bottom port, Includes: Ref. 4

1шт.

4

218-5008

O-RING,0.116" Thk x 0.924" ID, -912, Cl 6, 90 Duro

- adapter

1шт.

5

D99773

HYD TUBE

TUBE - backhoe control valve to boom lock valve

1шт.

6

218-5119

ELBOW,90 Degree Elbow, 7/8" - 14 Male JIC x 1-1/16" - 12 Male ORB

- 90 degree, male, adjustable, Includes: Ref. 7

2шт.

7

218-5008

O-RING,0.116" Thk x 0.924" ID, -912, Cl 6, 90 Duro

- elbow

1шт.

8

D88644

VALVE

- boom lock, parts list Figure 338

1шт.

9

D99784

BRACKET

- valve mounting

1шт.

10

113-248

BOLT,Hex, 3/8" - 16 x 2-3/4", Gr 5

2шт.

11

192-21

LOCK WASHER,3/8"

WASHER, LOCK, 3/8"

4шт.

12

129-103

NUT,Hex, 3/8" - 16, Gr 5

NUT, 3/8"-16, G5

4шт.

13

113-233

BOLT,Hex, 3/8" - 16 x 1-3/4", Gr 5

2шт.

14

D99775

HYD TUBE

TUBE - boom lock valve to boom cylinder

1шт.

For boom cylinder hydraulic lines, see Figure 254

1шт.

15

218-5066

HYD CONNECTOR,7/8" - 14 Male JIC x 3/4" - 16 Male ORB

CONNECTOR, HYD., , straight, male, Incl. Ref. 16 7/8"-14, 37º x 3/4"-16, O-Ring

1шт.

16

237-6010

O-RING,0.097" Thk x 0.755" ID, -910, Cl 6, 90 Duro

10-1, 90 Duro, .755" ID x .097" Thk, Adapter

1шт.

17

D99777

HYD TUBE

TUBE - boom lock valve return

1шт.

18

D99778

CROSS

FITTING - four-way

1шт.

19

218-5065

HYD CONNECTOR,1-1/16" - 12 Male JIC x 7/8" - 14 Male ORB

ADAPTER - straight, stabilizer control valve port, Includes: Ref. 20

1шт.

20

237-6010

O-RING,0.097" Thk x 0.755" ID, -910, Cl 6, 90 Duro

10-1, 90 Duro, .755" ID x .097" Thk, Adapter

1шт.

Выбрано товаров: 0