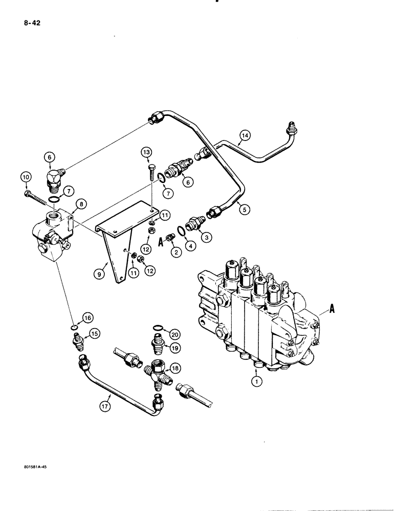
Запчасти Case 480E (8-042) - BACKHOE BOOM LOCK HYDRAULIC CIRCUIT, 480E MODELS ONLY (08) - HYDRAULICS

Схема запчастей Case 480E - (8-042) - BACKHOE BOOM LOCK HYDRAULIC CIRCUIT, 480E MODELS ONLY (08) - HYDRAULICS
FIT
1:1
100%

Артикул

Название

Примечание

Количество

1

REF

INSTRUCTION

CONTROL VALVE - backhoe, for correct assembly and components, see figures 8-74 and 8-76

1шт.

2

D87325

RESTRICTOR

RESTRICTOR - lower port, boom section

1шт.

3

D99170

CONNECTOR, ELEC

CONNECTOR ADAPTER - straight, male, lower port, Includes: Ref. 4

1шт.

4

237-6012

O-RING,0.116" Thk x 0.924" ID, -912, Cl 6, 90 Duro

O-RING - 59/64 ID x 7/8 inch wide

1шт.

5

D99773

HYD TUBE

TUBE - backhoe control valve to boom lock valve

1шт.

6

218-5119

ELBOW,90 Degree Elbow, 7/8" - 14 Male JIC x 1-1/16" - 12 Male ORB

Male, adjustable, Incl. Ref. 7

2шт.

7

237-6012

O-RING,0.116" Thk x 0.924" ID, -912, Cl 6, 90 Duro

O-RING - 59/64 ID x 7/8 inch wide

1шт.

8

D88644

VALVE

VALVE ASSEMBLY - boom lock, parts list Figure 8-90

1шт.

9

D99784

BRACKET

BRACKET - valve mounting

1шт.

10

113-248

BOLT,Hex, 3/8" - 16 x 2-3/4", Gr 5

BOLT, Hex, 3/8"-16 x 2 3/4", G5

2шт.

11

492-11038

LOCK WASHER,3/8"

4шт.

12

129-103

NUT,Hex, 3/8" - 16, Gr 5

NUT, 3/8"-16, G5

4шт.

13

113-233

BOLT,Hex, 3/8" - 16 x 1-3/4", Gr 5

BOLT, Hex, 3/8"-16 x 1 3/4", G5

2шт.

14

D99775

HYD TUBE

TUBE - boom lock valve to boom cylinder

1шт.

For boom cylinder hydraulic lines, see Figure 8-20.

1шт.

15

218-5066

HYD CONNECTOR,7/8" - 14 Male JIC x 3/4" - 16 Male ORB

Straight, 5/8 x 1/2 straight inch thread, Incl. Ref. 16

1шт.

16

237-6010

O-RING,0.097" Thk x 0.755" ID, -910, Cl 6, 90 Duro

O-RING, 10-1, 90 Duro, .755" ID x .097" Thk

1шт.

17

D99777

HYD TUBE

TUBE - boom lock valve return

1шт.

18

D99778

CROSS

FITTING - four-way

1шт.

19

218-5065

HYD CONNECTOR,1-1/16" - 12 Male JIC x 7/8" - 14 Male ORB

Adapter, Straight, Includes: Ref. 20

1шт.

20

237-6010

O-RING,0.097" Thk x 0.755" ID, -910, Cl 6, 90 Duro

O-RING, 10-1, 90 Duro, .755" ID x .097" Thk

1шт.

Выбрано товаров: 21