Запчасти Case 480E (9-030) - BACKHOE MOUNTING FRAME, 480E MODELS ONLY (09) - CHASSIS/ATTACHMENTS

Схема запчастей Case 480E - (9-030) - BACKHOE MOUNTING FRAME, 480E MODELS ONLY (09) - CHASSIS/ATTACHMENTS
FIT
1:1
100%

Артикул

Название

Примечание

Количество

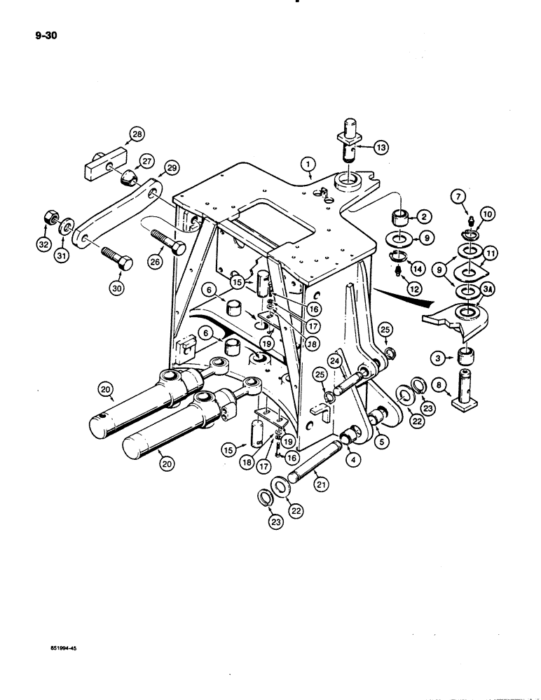
1

D121756

FRAME

SPARE PART FRAME - backhoe mounting, Includes: Ref. 2 - 6

1шт.

2

D31142

BUSHING,51.02mm ID x 63.5mm OD x 38.1mm L

BUSHING - frame to swing tower, upper

1шт.

3

D44697

BUSHING

BUSHING - frame to swing tower, lower

1шт.

3a

D86085

WASHER

WASHER - wear, frame to swing tower, Serial Range: welds-frame

1шт.

4

D46405

BUSHING,44.68mm ID x 53.98mm OD x 19.05mm L

BUSHING - frame to stabilizer leg, bracket without boss

2шт.

5

D37392

BUSHING,44.68mm ID x 53.98mm OD x 31.75mm L

BUSHING - frame to stabilizer leg, bracket with boss

2шт.

6

D72170

BUSHING,44.48mm ID x 53.98mm OD x 31.75mm L

BUSHING - frame to swing cylinder pins

4шт.

7

219-1

LUBE NIPPLE,1/8" - 27 NPTF

FITTING - grease, straight, 1/8 PT x 21/32 inch long

1шт.

8

D83625

PIN

PIN - mounting frame to swing tower, lower

1шт.

9

D44813

SHIM,53.34mm ID x 76.2mm OD x 0.89mm Thk

Spacer

1шт.

10

D26919

SNAP RING,#200, Ext

Pin

1шт.

11

D86084

WASHER

WASHER - wear

1шт.

12

219-1

LUBE NIPPLE,1/8" - 27 NPTF

FITTING - grease, straight, 1/8 PT x 21/32 inch long

1шт.

13

D99132

PIN

PIN - mounting frame to swing tower, upper

1шт.

14

D26919

SNAP RING,#200, Ext

Pin

1шт.

15

D99814

PIN,44.32mm OD x 75.2mm L

PIN - swing cylinder to mounting frame

4шт.

16

113-424

BOLT,Hex, 1/2" - 13 x 1", Gr 5, Full Thd

BOLT, Hex, 1/2"-13 x 1", G5, Full Thd

4шт.

17

80679

LOCK WASHER,1/20.507 CST ZND

4шт.

18

195-533

WASHER,1/2", SAE

(7/32 x 1-1/16 x 5/64 inch)

4шт.

19

D39926

PLATE

PLATE - pin retaining

2шт.

20

REF

INSTRUCTION

CYLINDER ASSEMBLY - swing, for correct assembly and components, see Figure 8-122

2шт.

21

D46404

PIN

PIN - stabilizer leg to mounting frame

2шт.

22

195-2152

WASHER,1 13/16" x 2 1/2" x .109"

WASHER - flat, 1-25/32 x 2-1/2 x 7/64 inch

4шт.

23

D25280

SNAP RING,#175, Ext

4шт.

24

D28037

AXLE PIN

PIN - stabilizer cylinder to mounting frame

2шт.

25

D25279

SNAP RING,M35, Int

SNAP RING - pin retaining

4шт.

26

113-978

BOLT,Hex, 1-1/4" - 7 x 5", Gr 5

BOLT - hex, 1-1/4 NC x 5 inch

4шт.

27

D30717

WASHER

WASHER - cone, special

4шт.

28

D99480

BLOCK

NUT - special, knockoff

4шт.

29

D70230

LINK

ARM - support, backhoe mounting frame

2шт.

30

D69035

BOLT

BOLT - special, 1-1/4" - 7 NC x 3-1/2"

2шт.

31

D64968

WASHER

WASHER - special

2шт.

32

129-112

NUT,1 1/4"-7, G5

NUT - hex, 1-1/4 inch NC

2шт.

Выбрано товаров: 33