Запчасти Case 480E (9-158) - WINDSHIELD WIPER MOTORS, 480E MODELS ONLY (09) - CHASSIS/ATTACHMENTS

Схема запчастей Case 480E - (9-158) - WINDSHIELD WIPER MOTORS, 480E MODELS ONLY (09) - CHASSIS/ATTACHMENTS
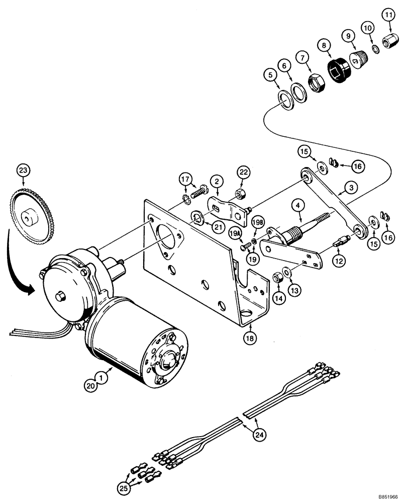
18
24
5
1
13
20
6
15
7
8
22
12
23
14
2
9
16
3
11
10
17
25
16
21
19b
19a
4
19
15
FIT
1:1
100%

Артикул

Название

Примечание

Количество

F96772

WIPER MOTOR

MOTOR ASSEMBLY - front windshield wiper, with bracket, Includes: Ref. 1 - 19

1шт.

1

F96765

WIPER MOTOR

MOTOR, WIPER MOTOR - wiper, parts list below

1шт.

2

F64210

LEVER

LEVER - drive

1шт.

3

D71427

LINK,85.85mm L

LINK - connecting; Includes Two Nylon Bushings NSS

1шт.

D72848

SHAFT

SHAFT ASSEMBLY - pivot; Incl. Ref 4 - 14

1шт.

4

NSS

NOT SOLD SEPARAT

SHAFT - pivot

1шт.

5

D71417

SPECIAL WASHER

WASHER - flat, fiber

1шт.

6

D71418

WASHER

WASHER - flat, steel

1шт.

7

D71419

NUT

NUT - hex jam

1шт.

8

D71420

CAP

CAP - shaft

1шт.

9

D71421

TOOL

DRIVER - knurled

1шт.

10

193-95

LOCK WASHER,Ext Tooth, 5/16"

WASHER, LOCK, Ext Tooth, 5/16"

1шт.

11

D71422

NUT

NUT - hex, cap

1шт.

12

D73642

PIN

PIN - threaded

1шт.

13

193-60

LOCK WASHER,Int Tooth, 1/4"

WASHER, LOCK, Int Tooth, 1/4"

1шт.

14

425-154

JAM NUT,Jam, 1/4"-28, G5

NUT, Jam, 1/4"-28, G5

1шт.

15

A22431

WASHER

SPACER - pivot shaft

2шт.

16

D71414

CLIP

CLIP - spring

2шт.

17

D72849

SCREW

SCREW - machine, round head, includes lock washer

3шт.

18

D72850

BRACKET

BRACKET - mounting, motor

1шт.

19

NSS

NOT SOLD SEPARAT

SCREW - includes lock washer, bracket to arm, order Refs. 19A and 19B

2шт.

19a

182-528

SCREW,Sl Pan Hd, #10 - 32 x 1/2"

SCREW - machine, pan head, No. 10 NF x 1/2 inch

2шт.

19b

192-18

LOCK WASHER,Helical Spring, #10, 0.196" ID, CST, ZND

WASHER, LOCK, #10

2шт.

F96765

WIPER MOTOR

MOTOR, WIPER MOTOR ASSEMBLY - wiper, front window, rear, Includes: Ref. 20 - 23

2шт.

20

NSS

NOT SOLD SEPARAT

MOTOR - windshield wiper, front & rear assy

1шт.

21

D71411

WASHER

WASHER - wave, front & rear motor assy

1шт.

22

F44452

LOCK NUT

NUT - hex, 1/4 inch NF, front & rear motor assy

1шт.

23

N6029

GEAR

GEAR - drive, plastic, front & rear motor assy

1шт.

24

F64530

ELECTRICAL WIRE

WIRE WIRE - motor, service, front & rear assy

2шт.

25

223-154

CONNECTOR, ELEC

CONNECTOR CONNECTOR - male, use with item 24 wire, front & rear motor assy

6шт.

Выбрано товаров: 30